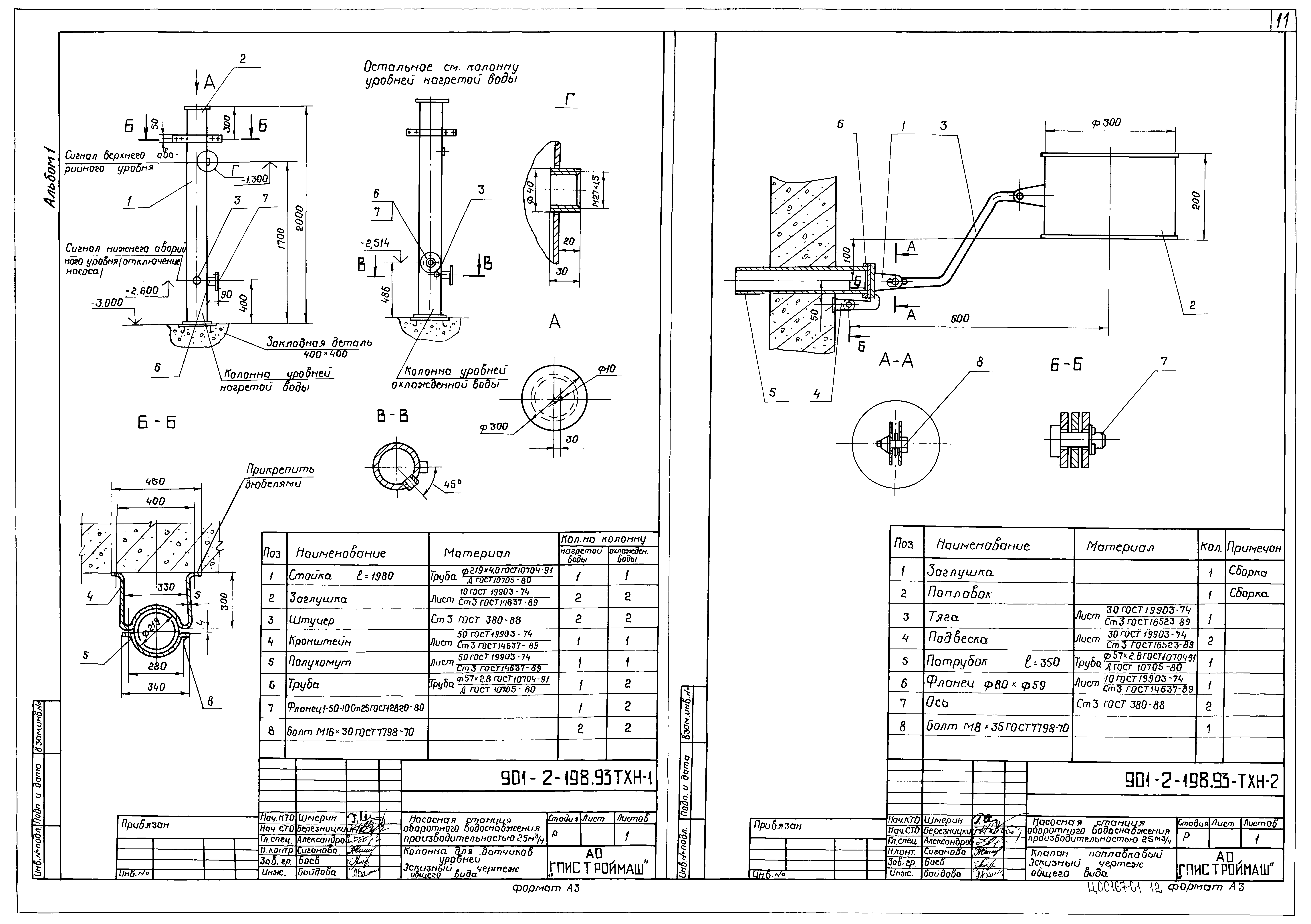
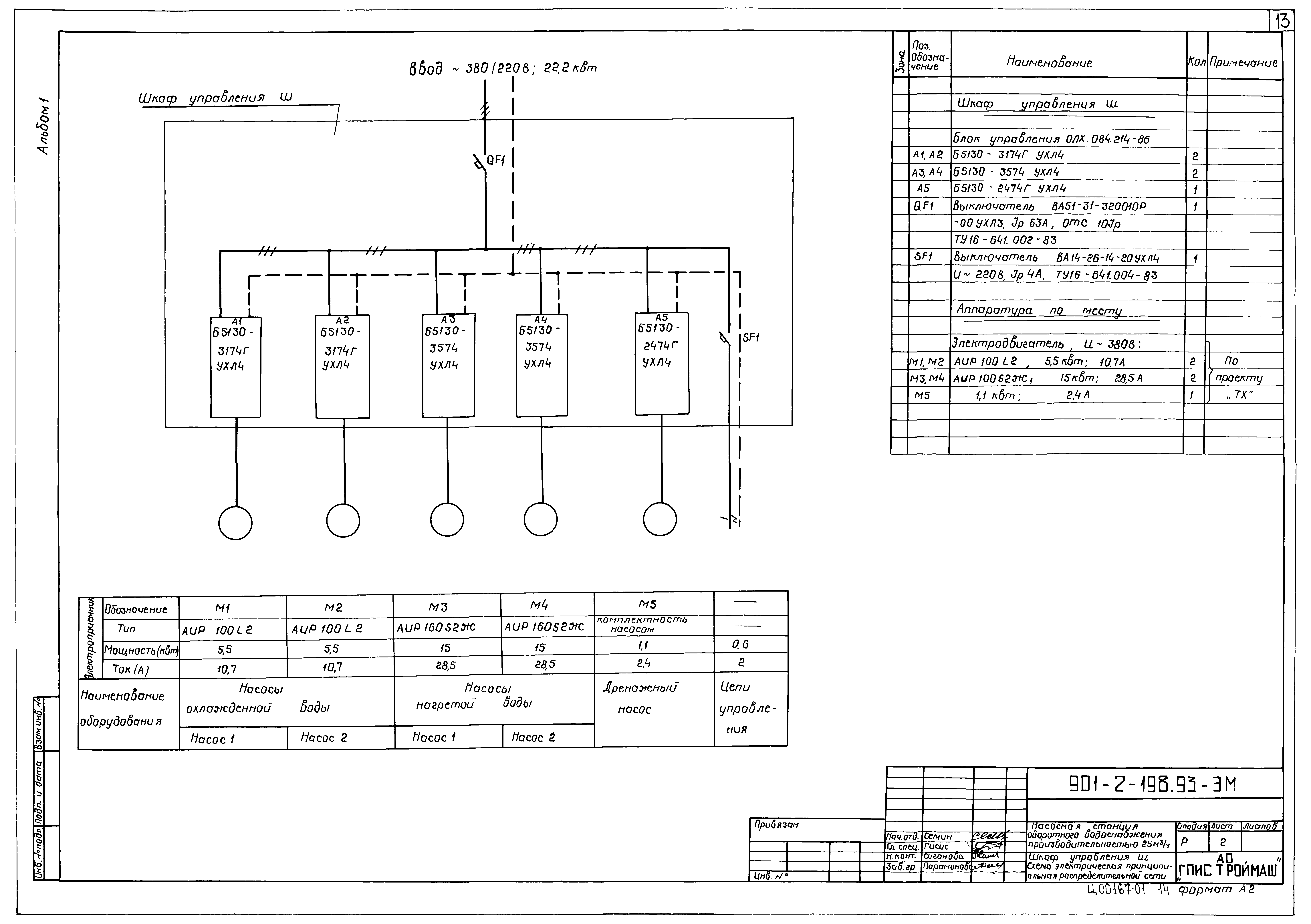
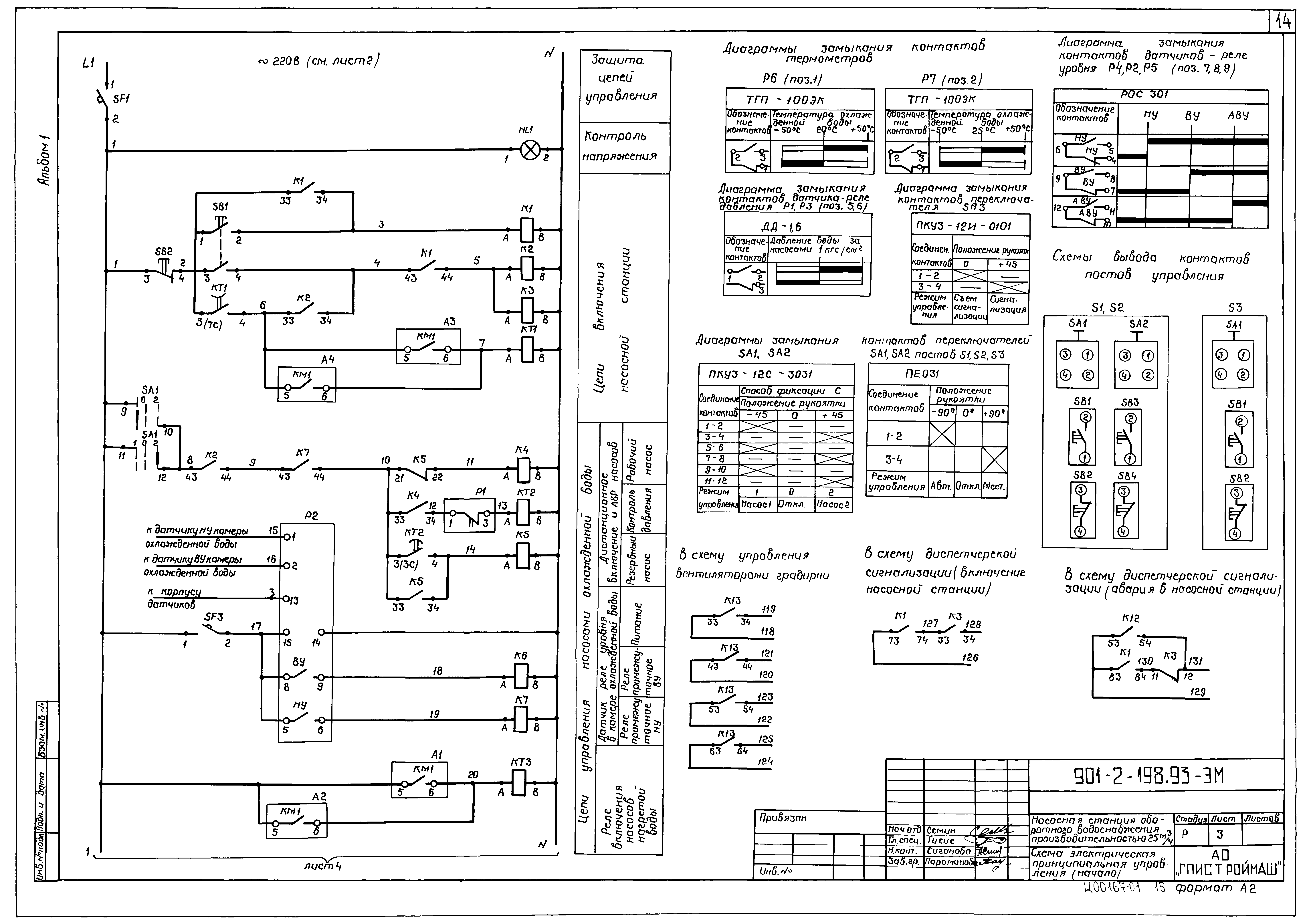
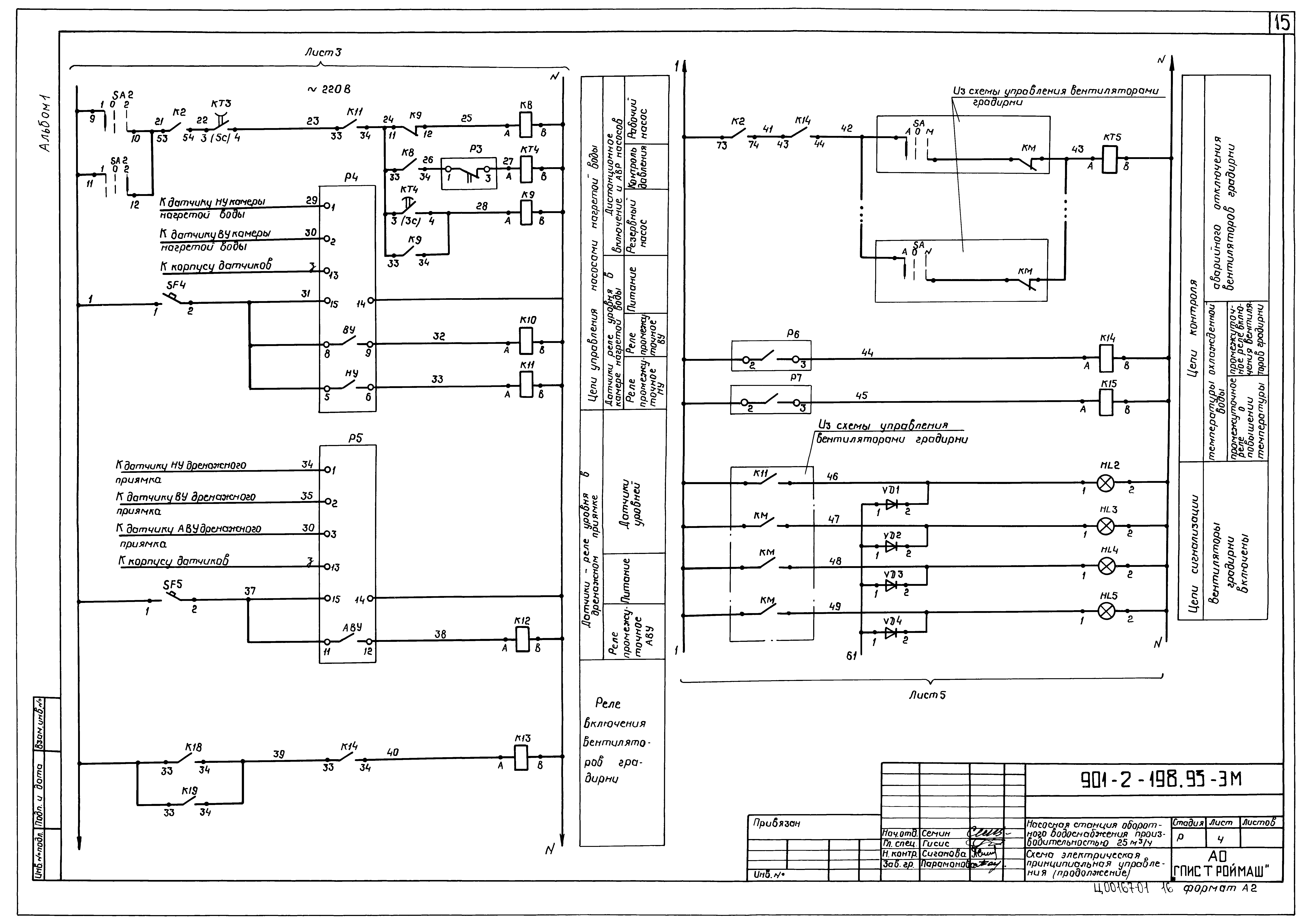
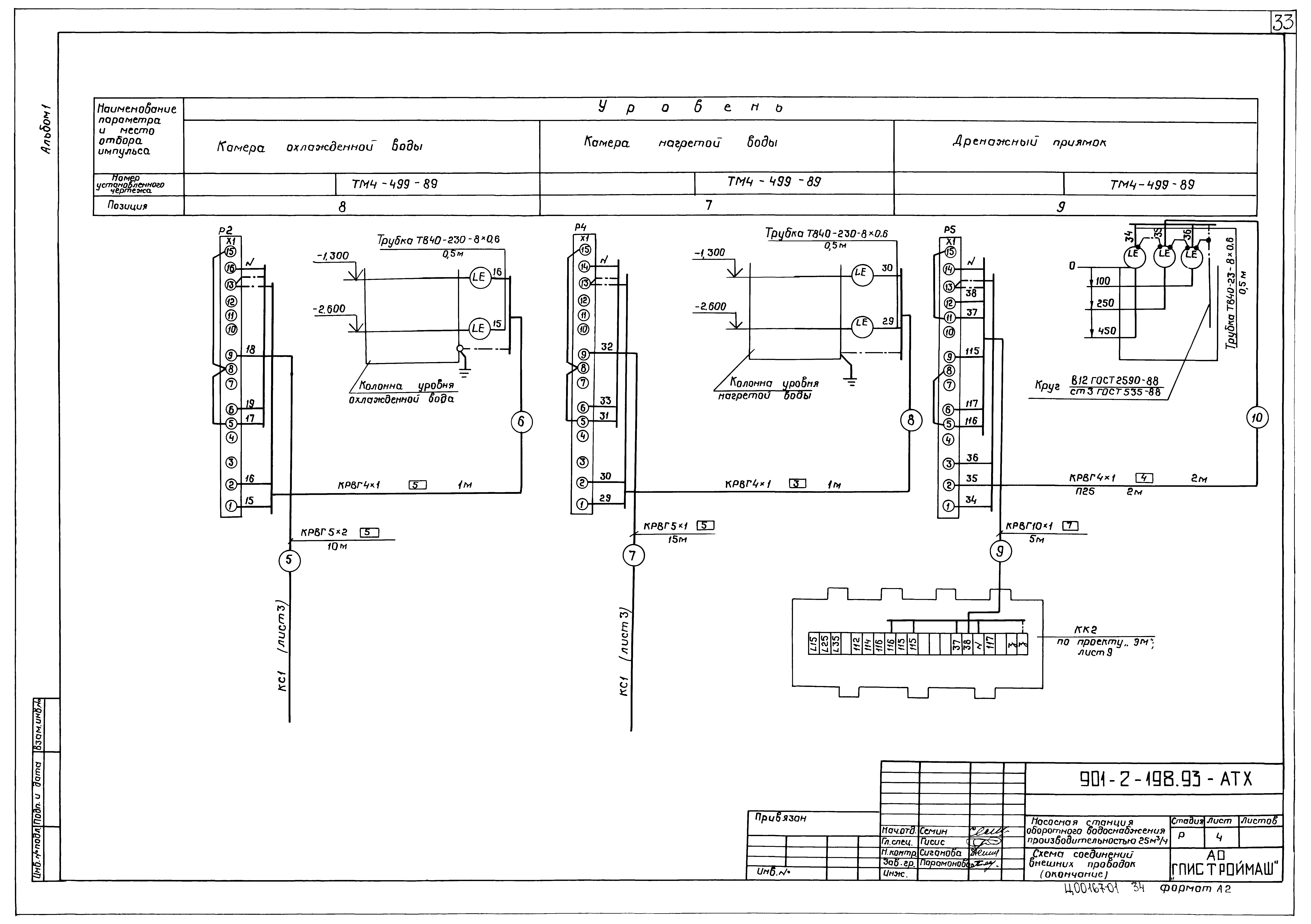
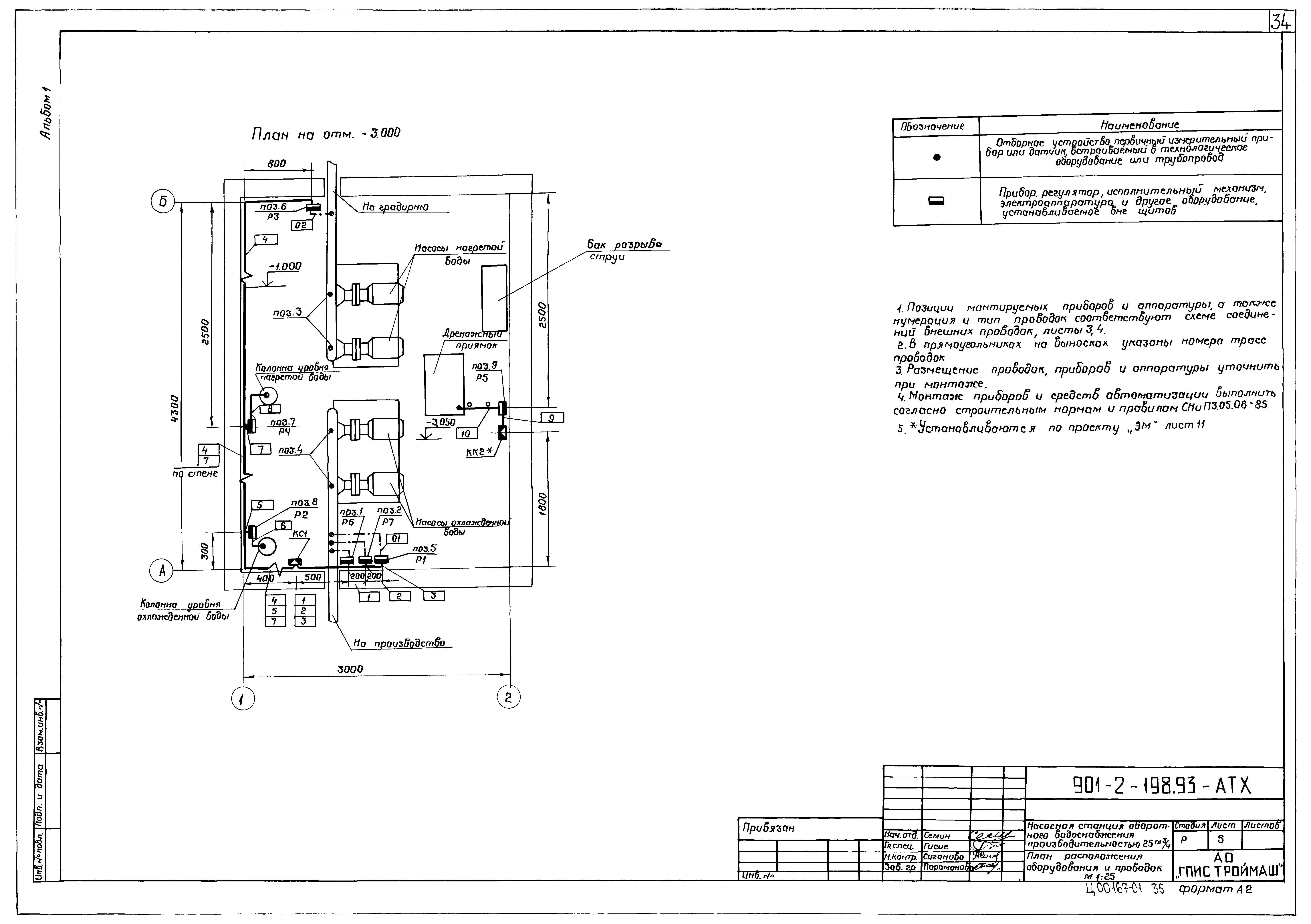
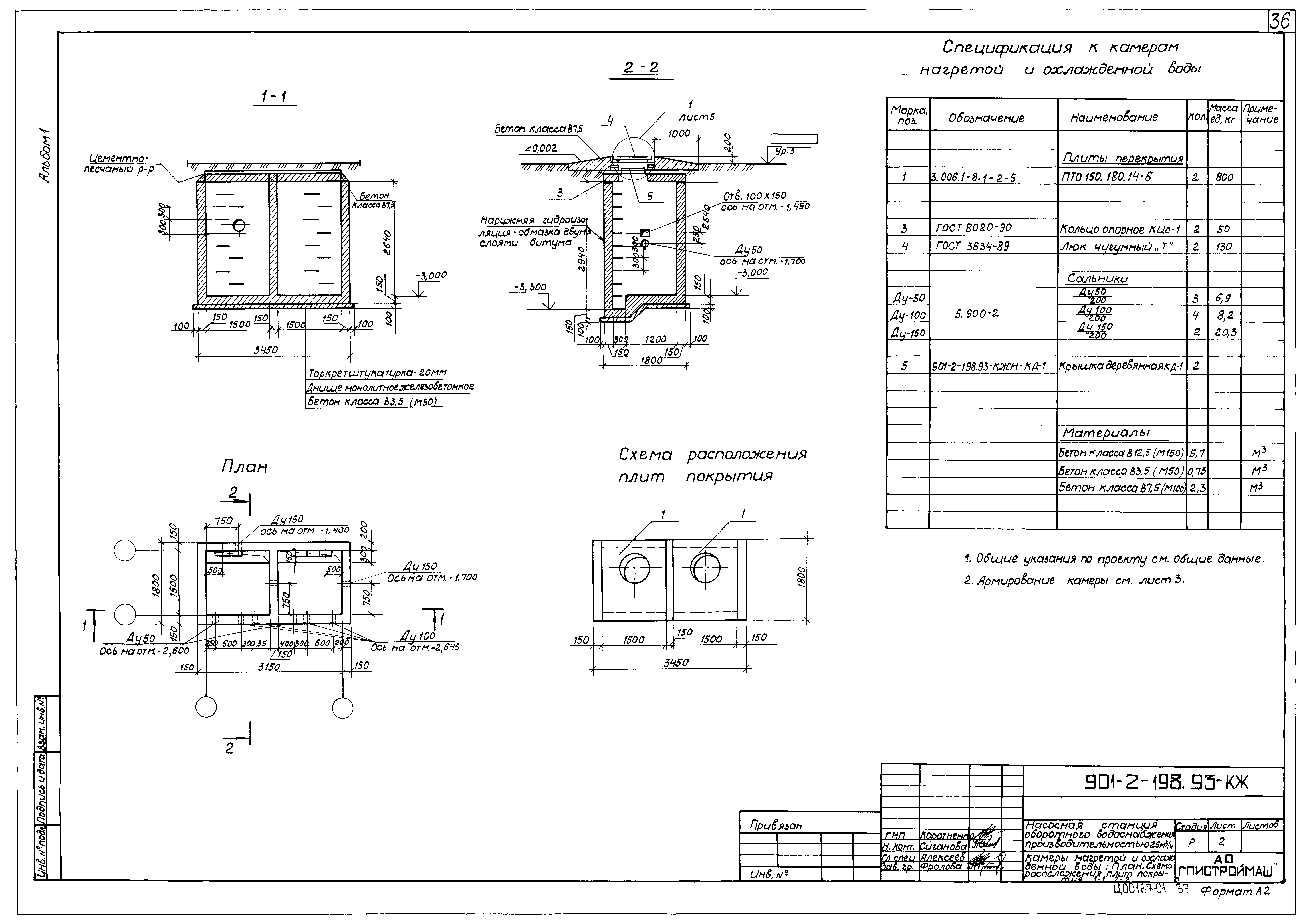
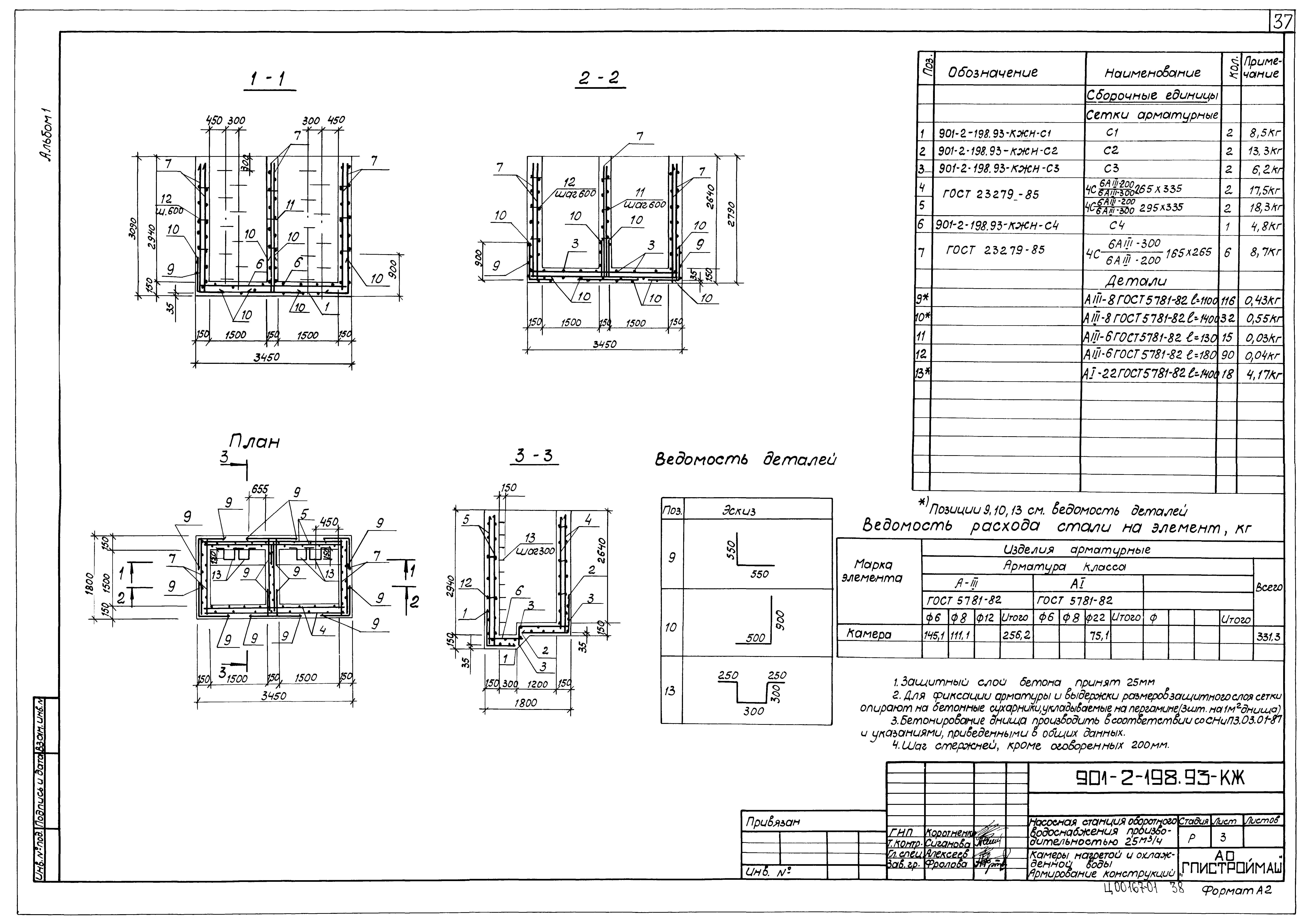
Скачать Типовой проект 901-2-198.93 Альбом I. Пояснительная записка. Технология производства. Силовое электрооборудование. Автоматизация технологии производства. Конструкции железобетонныеДата актуализации: 01.01.2021
|
| Обозначение: | Типовой проект 901-2-198.93 |
| Обозначение англ: | 901-2-198.93 |
| Статус: | не определен законодательством |
| Название рус.: | Альбом I. Пояснительная записка. Технология производства. Силовое электрооборудование. Автоматизация технологии производства. Конструкции железобетонные |
| Дата добавления в базу: | 01.01.2021 |
| Дата актуализации: | 01.01.2021 |
| Дата введения: | 19.01.1994 |
| Дата окончания срока действия: | 30.06.2003 |
| Разработан: | ГПИстроймаш |
| Утверждён: | 19.01.1994 ГПИстроймаш (19) |








































