Скачать Типовой проект В-IV-225-50.90 Альбом 9. Часть 2. Задание заводу на изготовление щитов автоматизации

Дата актуализации: 01.01.2021

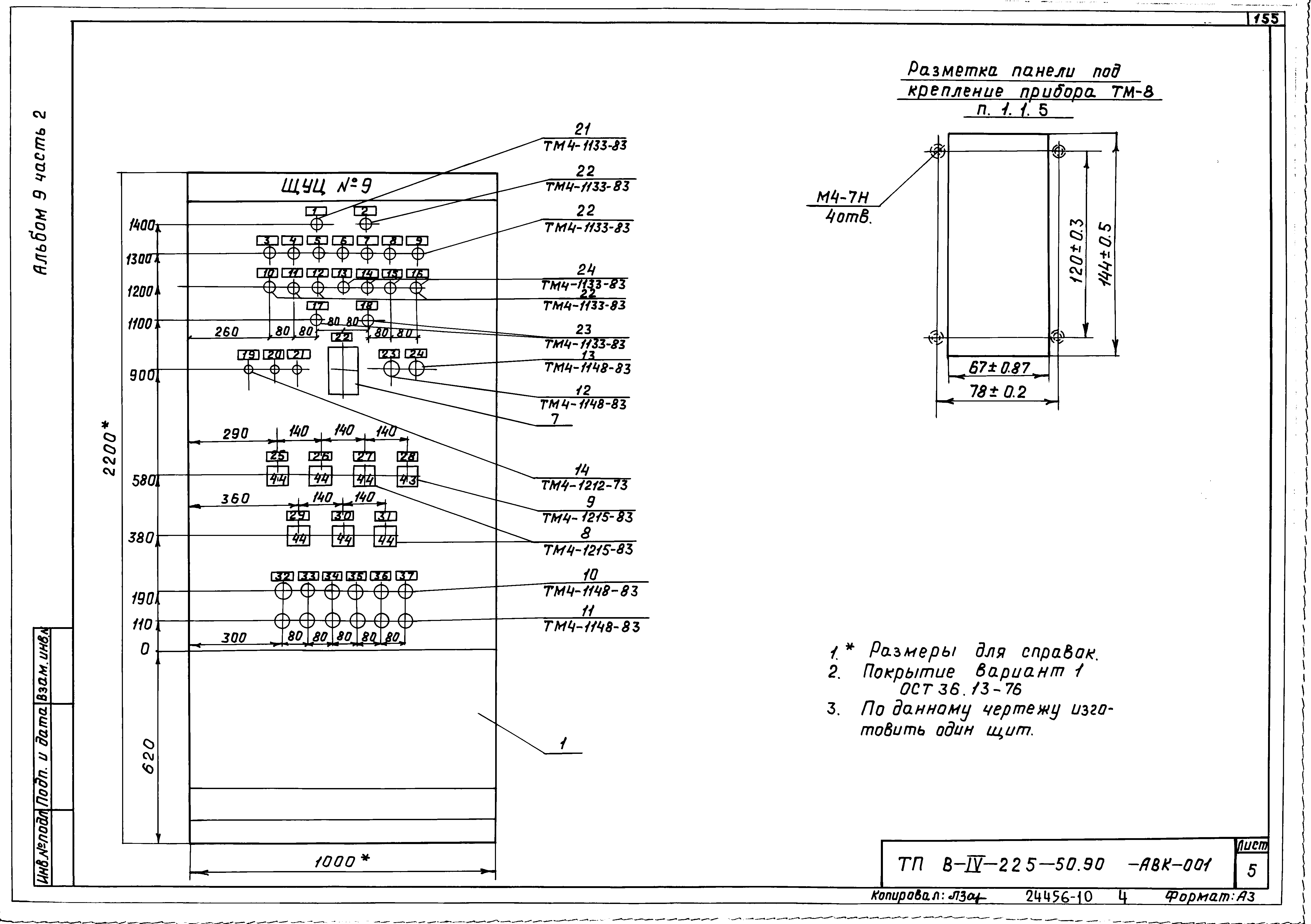
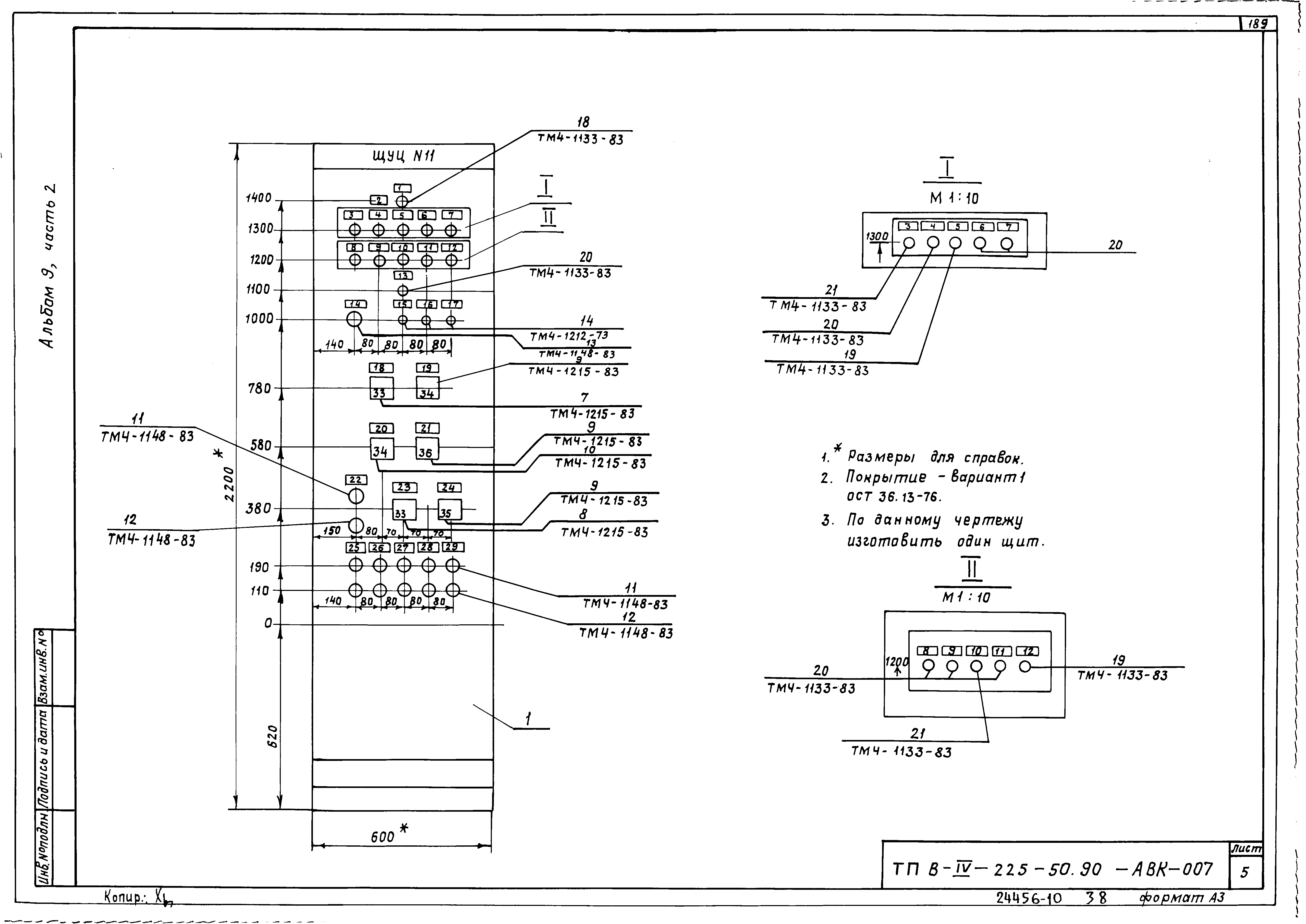
Типовой проект В-IV-225-50.90

Альбом 9. Часть 2. Задание заводу на изготовление щитов автоматизации

Обозначение: Типовой проект В-IV-225-50.90
Обозначение англ: В-IV-225-50.90
Статус:не определен законодательством
Название рус.:Альбом 9. Часть 2. Задание заводу на изготовление щитов автоматизации
Дата добавления в базу:01.01.2021
Дата актуализации:01.01.2021
Дата введения:26.06.1990
Дата окончания срока действия:30.06.2003
Разработан: Гипрокоммундортранс
Утверждён:20.06.1990 Штаб ГО СССР (61)
Издан: ГУП ЦПП (CPP GUP 1996 г. )
Заменяет собой:
  • Типовой проект В-IV-225-43.86 «Заглубленное здание вспомогательного назначения»
Нормативные ссылки:
Типовой проект В-IV-225-50.90Типовой проект В-IV-225-50.90Типовой проект В-IV-225-50.90Типовой проект В-IV-225-50.90Типовой проект В-IV-225-50.90Типовой проект В-IV-225-50.90Типовой проект В-IV-225-50.90Типовой проект В-IV-225-50.90Типовой проект В-IV-225-50.90Типовой проект В-IV-225-50.90Типовой проект В-IV-225-50.90Типовой проект В-IV-225-50.90Типовой проект В-IV-225-50.90Типовой проект В-IV-225-50.90Типовой проект В-IV-225-50.90Типовой проект В-IV-225-50.90Типовой проект В-IV-225-50.90Типовой проект В-IV-225-50.90Типовой проект В-IV-225-50.90Типовой проект В-IV-225-50.90Типовой проект В-IV-225-50.90Типовой проект В-IV-225-50.90Типовой проект В-IV-225-50.90Типовой проект В-IV-225-50.90Типовой проект В-IV-225-50.90Типовой проект В-IV-225-50.90Типовой проект В-IV-225-50.90Типовой проект В-IV-225-50.90Типовой проект В-IV-225-50.90Типовой проект В-IV-225-50.90Типовой проект В-IV-225-50.90Типовой проект В-IV-225-50.90Типовой проект В-IV-225-50.90Типовой проект В-IV-225-50.90Типовой проект В-IV-225-50.90Типовой проект В-IV-225-50.90Типовой проект В-IV-225-50.90Типовой проект В-IV-225-50.90Типовой проект В-IV-225-50.90Типовой проект В-IV-225-50.90Типовой проект В-IV-225-50.90Типовой проект В-IV-225-50.90Типовой проект В-IV-225-50.90Типовой проект В-IV-225-50.90Типовой проект В-IV-225-50.90Типовой проект В-IV-225-50.90Типовой проект В-IV-225-50.90Типовой проект В-IV-225-50.90Типовой проект В-IV-225-50.90Типовой проект В-IV-225-50.90Типовой проект В-IV-225-50.90Типовой проект В-IV-225-50.90Типовой проект В-IV-225-50.90Типовой проект В-IV-225-50.90Типовой проект В-IV-225-50.90Типовой проект В-IV-225-50.90Типовой проект В-IV-225-50.90Типовой проект В-IV-225-50.90Типовой проект В-IV-225-50.90Типовой проект В-IV-225-50.90Типовой проект В-IV-225-50.90Типовой проект В-IV-225-50.90Типовой проект В-IV-225-50.90Типовой проект В-IV-225-50.90Типовой проект В-IV-225-50.90Типовой проект В-IV-225-50.90Типовой проект В-IV-225-50.90Типовой проект В-IV-225-50.90Типовой проект В-IV-225-50.90Типовой проект В-IV-225-50.90Типовой проект В-IV-225-50.90Типовой проект В-IV-225-50.90Типовой проект В-IV-225-50.90Типовой проект В-IV-225-50.90Типовой проект В-IV-225-50.90Типовой проект В-IV-225-50.90Типовой проект В-IV-225-50.90Типовой проект В-IV-225-50.90Типовой проект В-IV-225-50.90Типовой проект В-IV-225-50.90Типовой проект В-IV-225-50.90Типовой проект В-IV-225-50.90Типовой проект В-IV-225-50.90Типовой проект В-IV-225-50.90Типовой проект В-IV-225-50.90