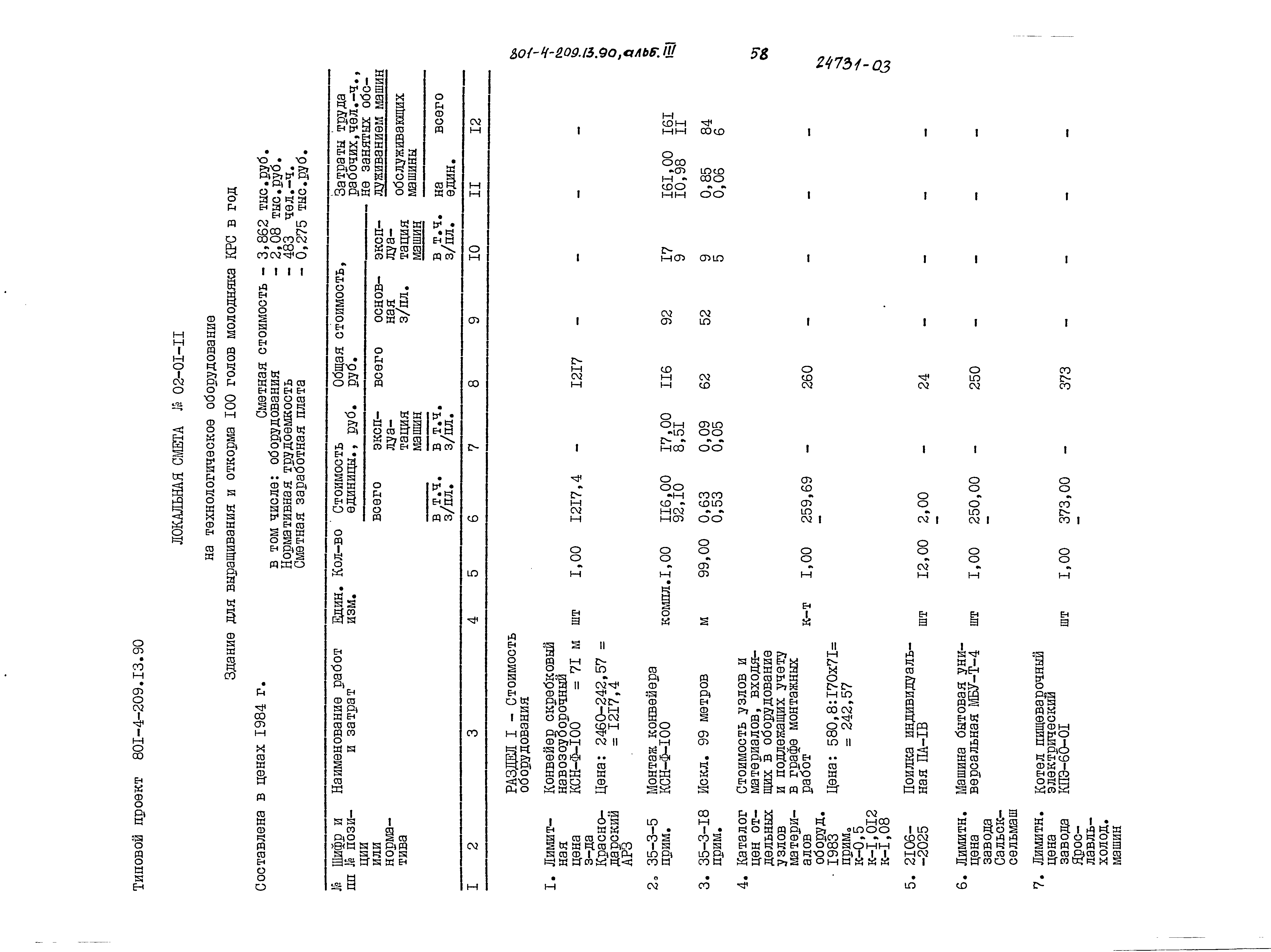
Скачать Типовой проект 801-4-209.13.90 Альбом 3. СметыДата актуализации: 01.01.2021
|
| Обозначение: | Типовой проект 801-4-209.13.90 |
| Обозначение англ: | 801-4-209.13.90 |
| Статус: | действует |
| Название рус.: | Альбом 3. Сметы |
| Дата добавления в базу: | 01.01.2021 |
| Дата актуализации: | 01.01.2021 |
| Дата введения: | 30.11.1990 |
| Разработан: | Севкавнипиагропром |
| Утверждён: | 30.11.1990 Минсельхозпрод РФ (Russian Federation Minselkhozprod 48) |






























































