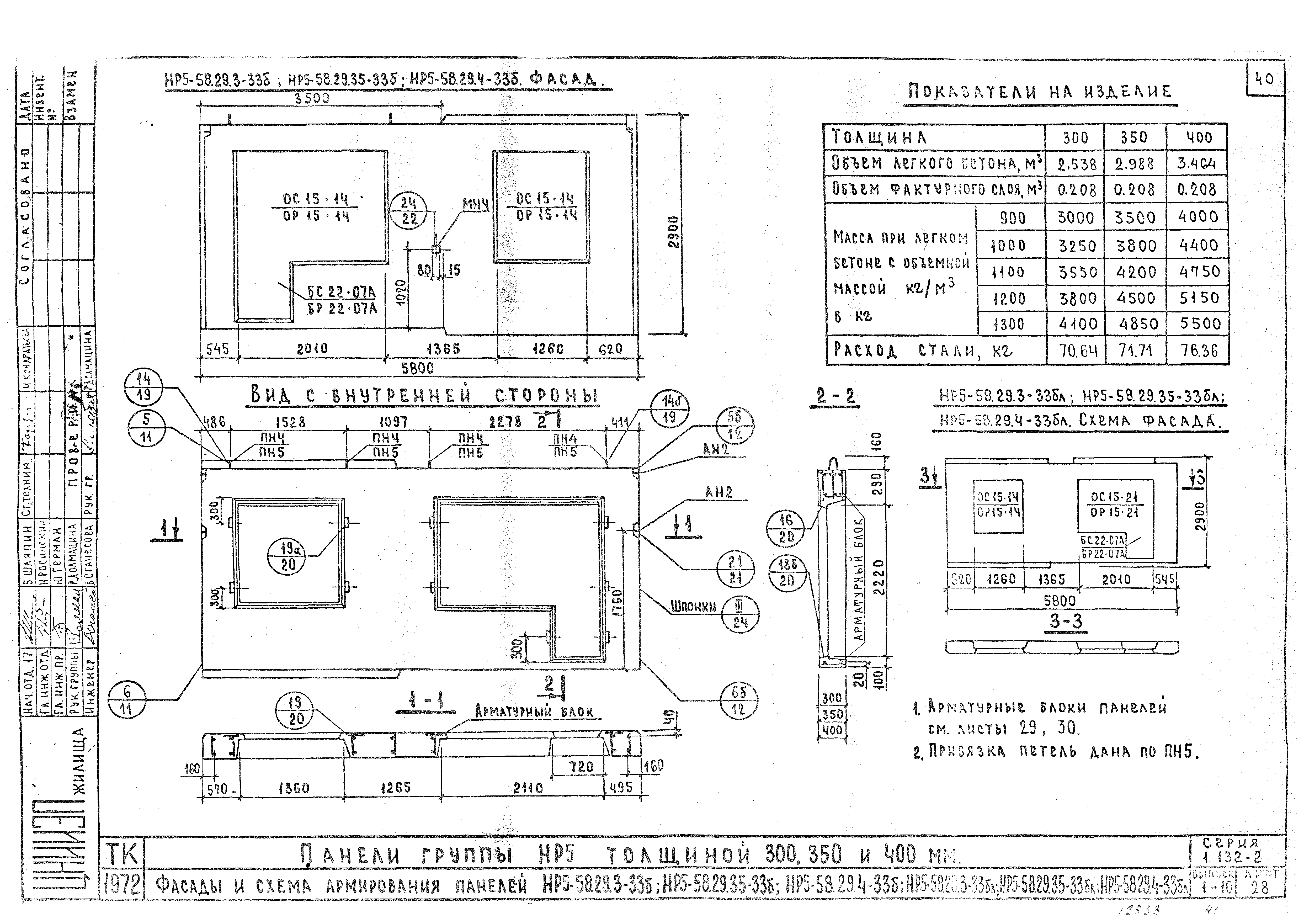
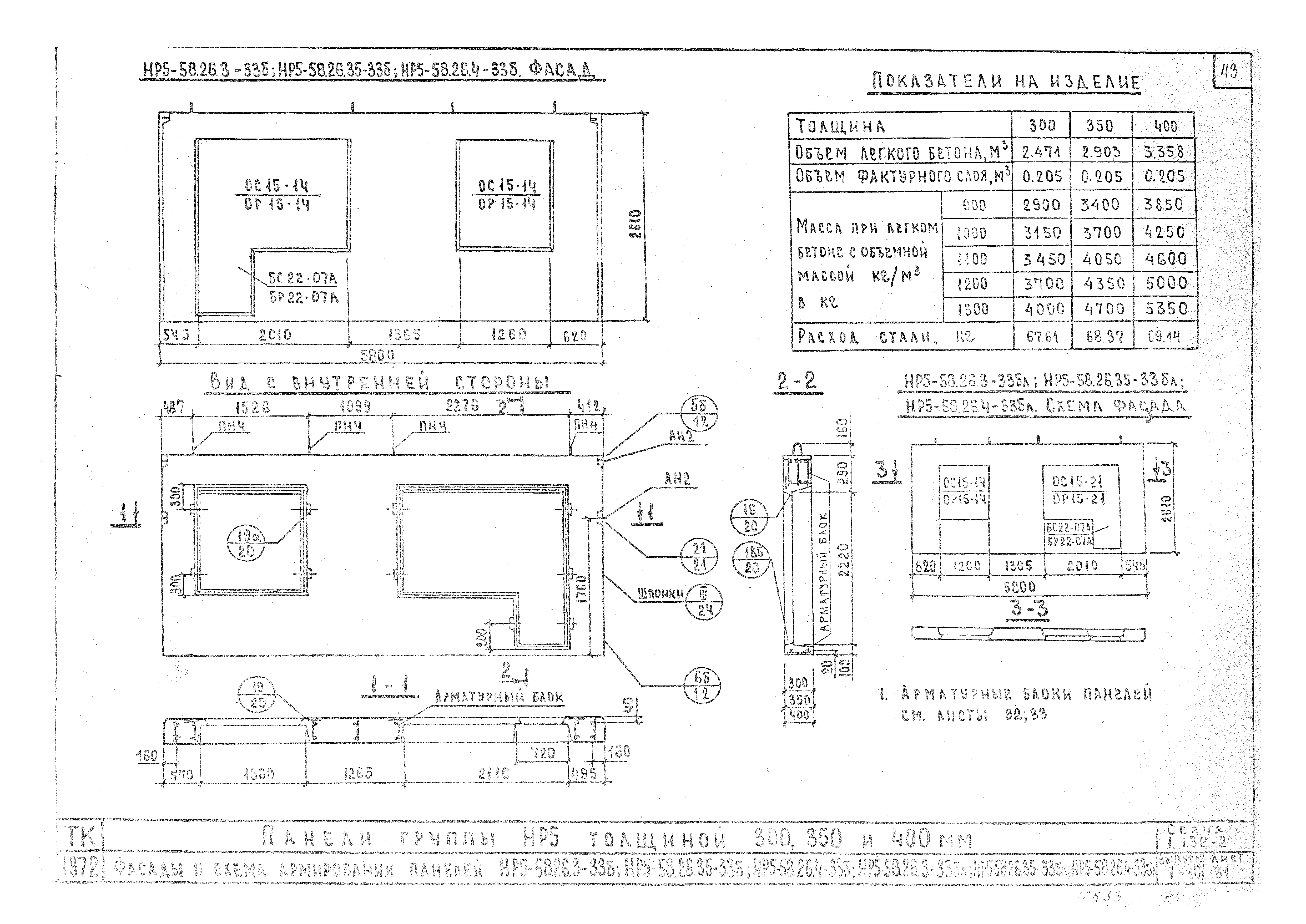
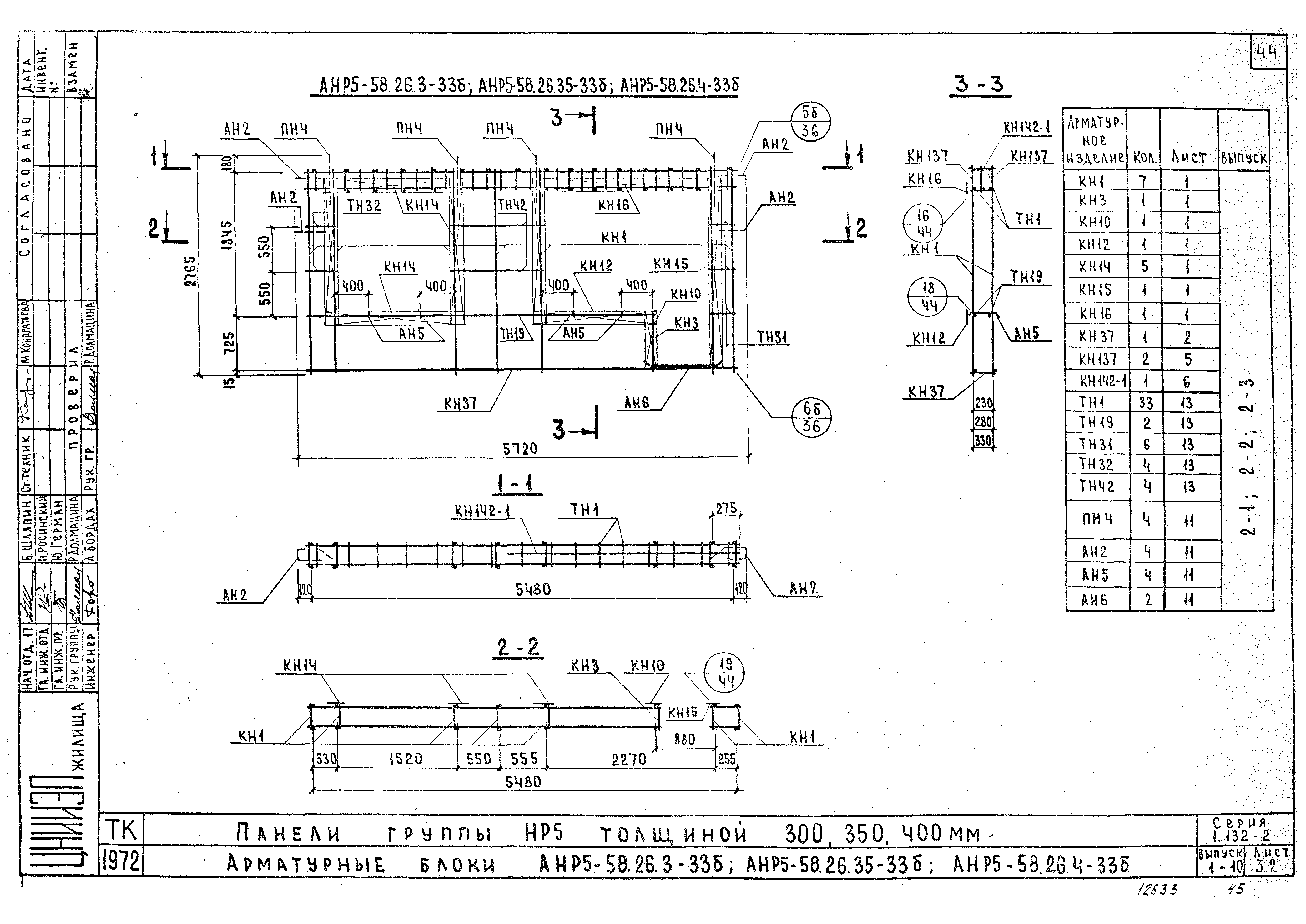
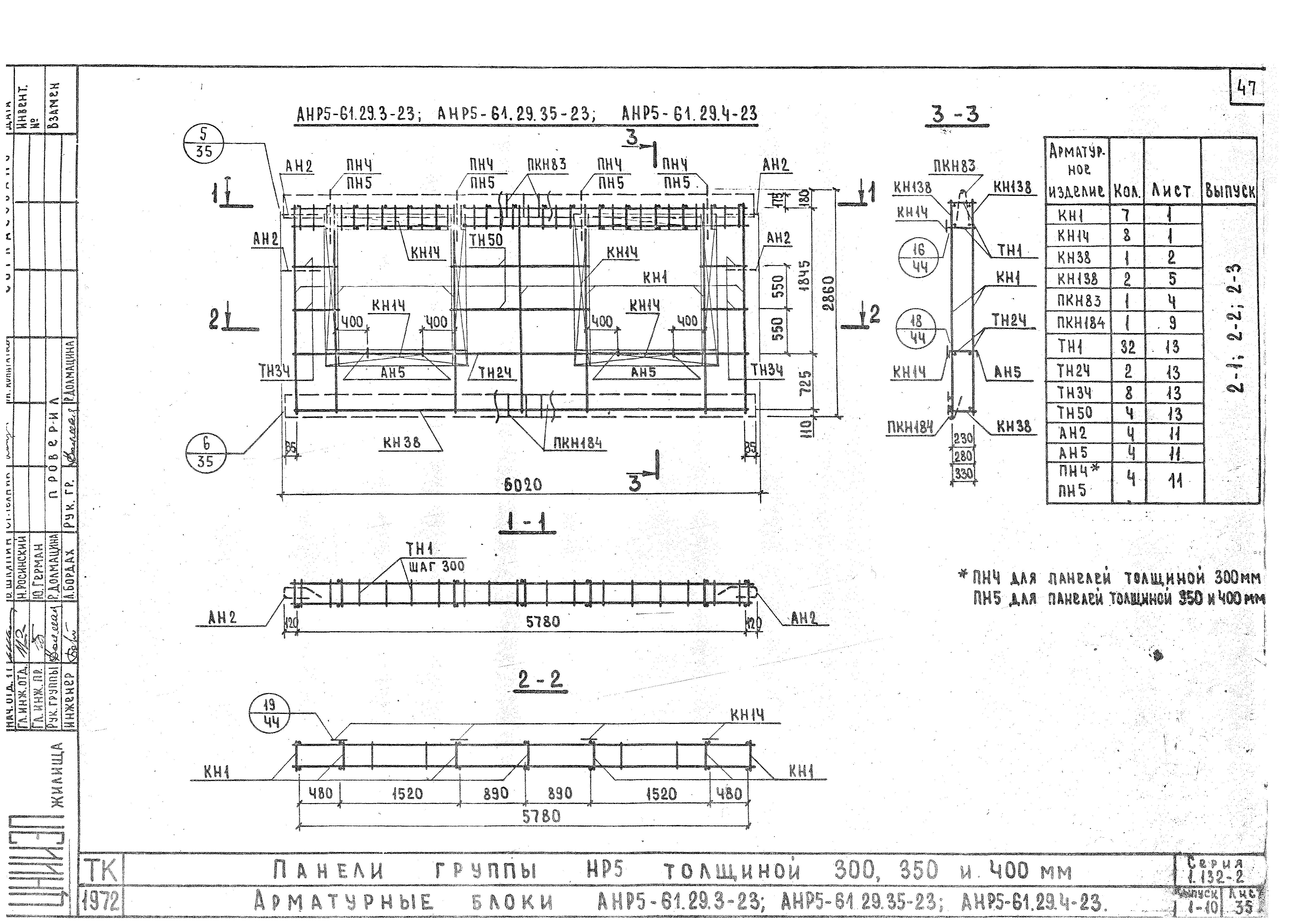
Скачать Серия 1.132-2 Выпуск 1-10 Панели группы НР 5 толщиной 300, 350 и 400 ммДата актуализации: 01.01.2021
|
| Обозначение: | Серия 1.132-2 |
| Обозначение англ: | Series 1.132-2 |
| Статус: | не действует |
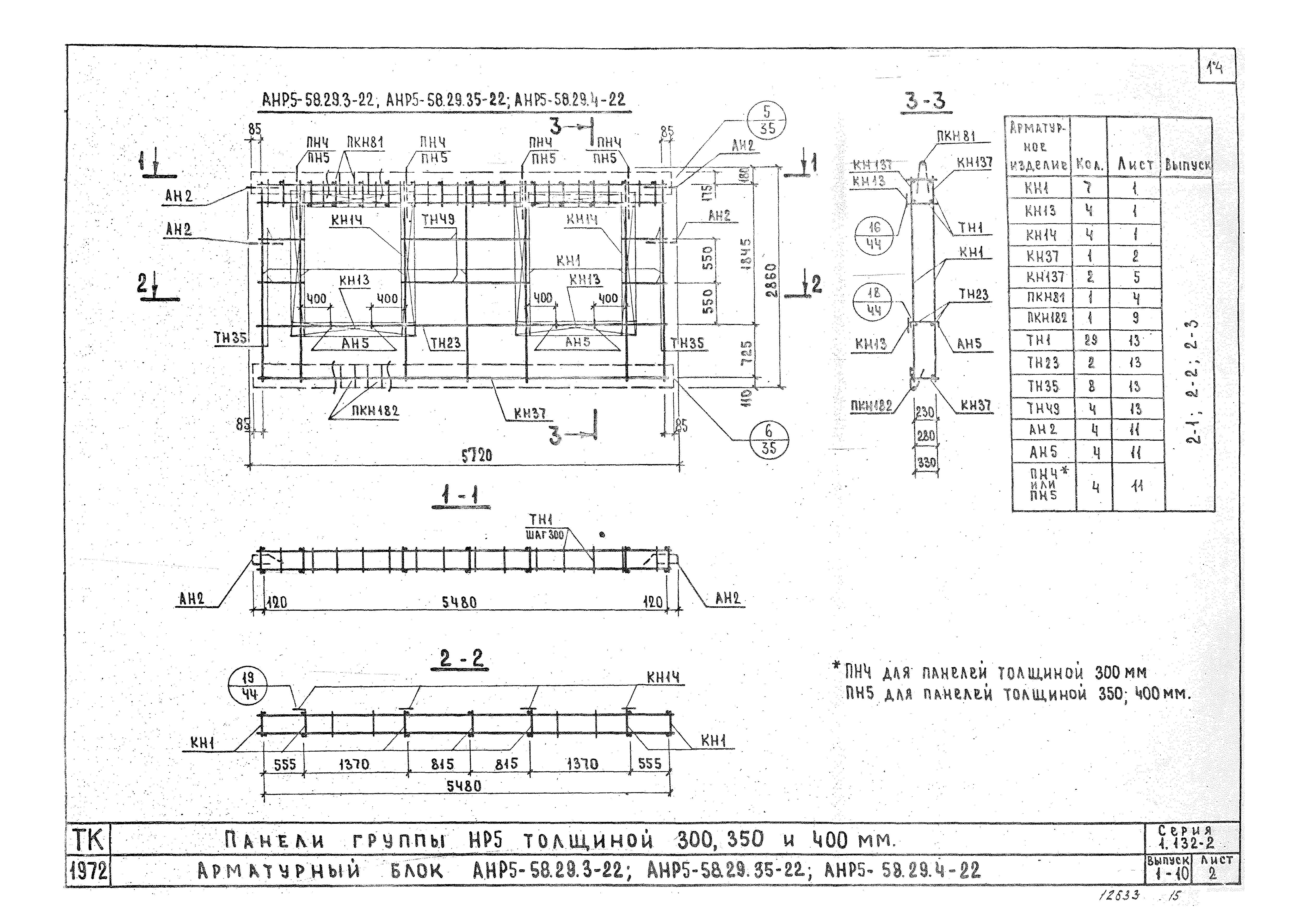
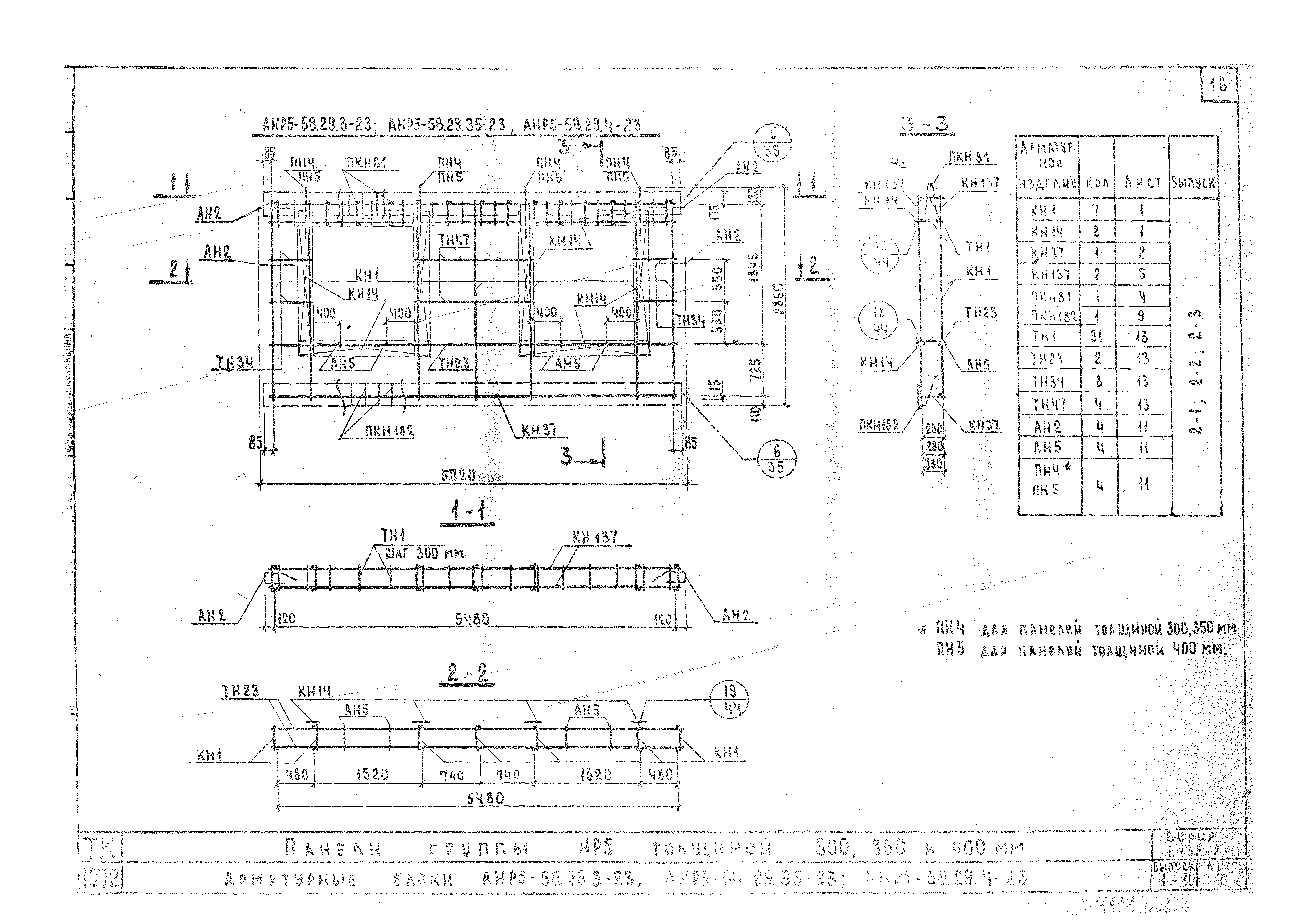
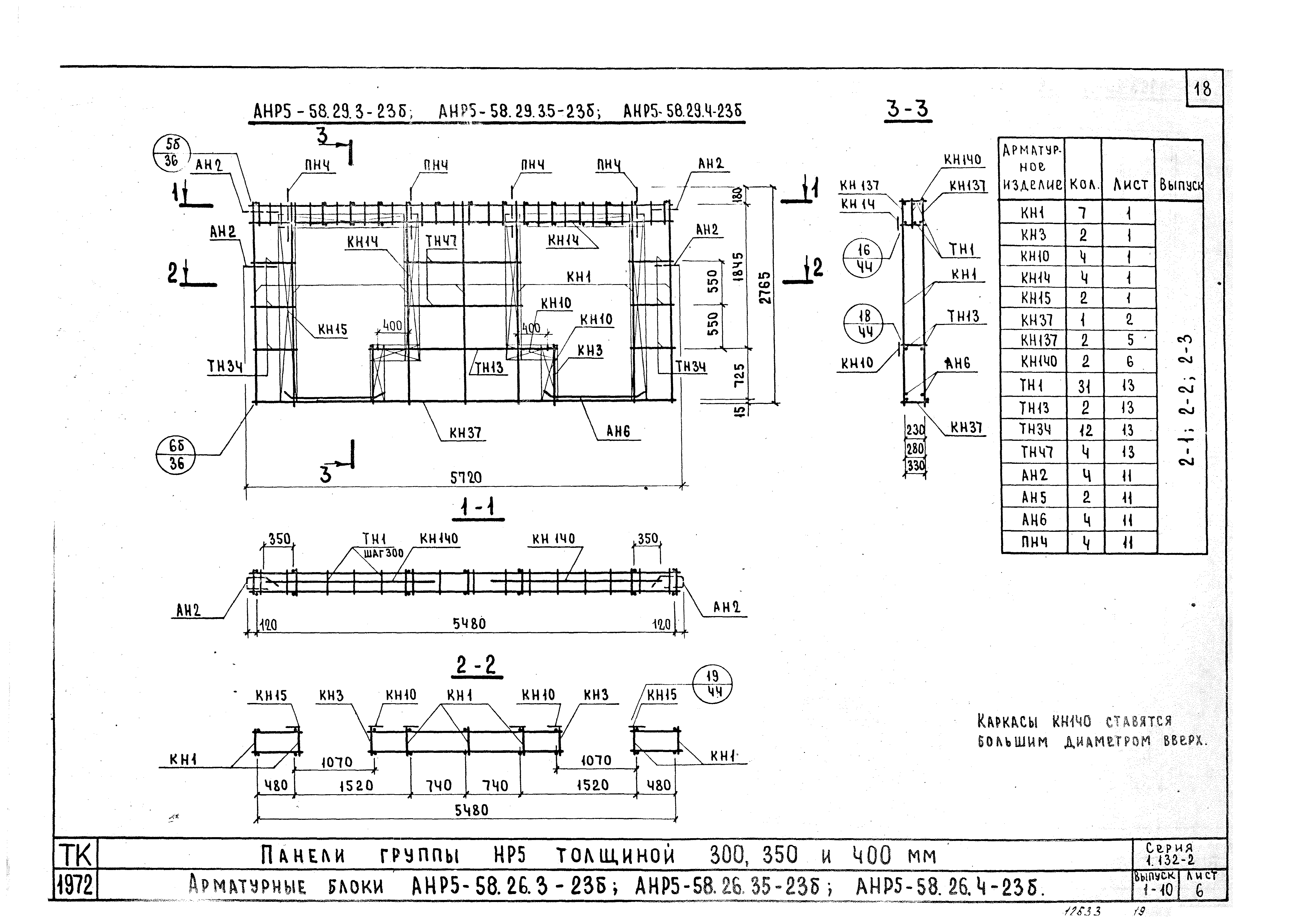
| Название рус.: | Выпуск 1-10 Панели группы НР 5 толщиной 300, 350 и 400 мм |
| Дата добавления в базу: | 01.01.2021 |
| Дата актуализации: | 01.01.2021 |
| Разработан: | ЦНИИЭП жилища |
| Утверждён: | 19.10.1973 Госгражданстрой СССР (1.132-2) |




































































































