| Обозначение: |  ГОСТ 27080-93 |
| Статус: | действующий |
| Название рус.: | КАМАК. Модульная система технических средств для обработки данных |
| Название англ.: | CAMAC system. A modular instrumentation system for data handling |
| Дата актуализации текста: | 06.04.2015 |
| Дата актуализации описания: | 01.01.2021 |
| Дата регистрации: | 21.10.1993 |
| Дата издания: | 30.03.1995 |
| Дата введения: | 01.01.1996 |
| Код ОКП: | 422000 |
| Взамен: | ГОСТ 27080-86 |
| Содержит требования: | IEC 60516(1975) |
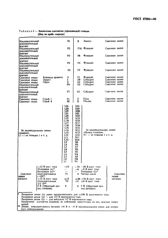
| Область применения: | Настоящий стандарт предназначен для определения системы модульных технических средств, способных связывать преобразователи информации или другие устройства с цифровыми контроллерами или электронно-вычислительными машинами (ЭВМ). Она состоит из стардартов на механику и стандартов на сигналы, которые являются достаточными для обеспечения совместимости блоков, разрабатанных и изготовленных различными предприятиями |
|