| Обозначение: |  ГОСТ 30086-93 |
| Статус: | действующий |
| Название рус.: | Втулки кондукторские и элементы их крепления. Размеры |
| Название англ.: | Jig bushes and accessories for drilling purposes. Dimensions |
| Дата актуализации текста: | 06.04.2015 |
| Дата актуализации описания: | 01.07.2023 |
| Дата регистрации: | 15.04.1994 |
| Дата издания: | 13.07.1995 |
| Дата введения: | 01.07.1996 |
| Код ОКП: | 392830;396190 |
| Взамен: | ГОСТ 26232-84; ГОСТ 26233-84; ГОСТ 26234-84; ГОСТ 26235-84; ГОСТ 26236-84; ГОСТ 26237-84 |
| Содержит требования: | ISO 4247:1977 |
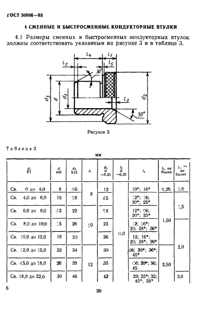
| Область применения: | Настоящий стандарт устанавливает размеры кондукторных втулок, предназначенных для направления спиральных сверл, и промежуточных втулок, применяемых в кондукторах, а также элементов крепления сменных и быстросменных кондукторных втулок. Стандарт распространяется: на постоянные кондукторные втулки с буртиком или без буртика; на промежуточные втулки с буртиком или без буртика; на сменные и быстросменные кондукторные втулки; на стопорные устройства сменных и быстросменных кондукторных втулок; на элементы стопорных устройств (винты, фланцы). Стандарт не распространяется на кондукторные и промежуточные втулки к приспособлениям металлорежущих станков, разработанным до 01.01.86 |
|