| Обозначение: |  ГОСТ Р ИСО 23848-1-2025 |
| Статус: | принят |
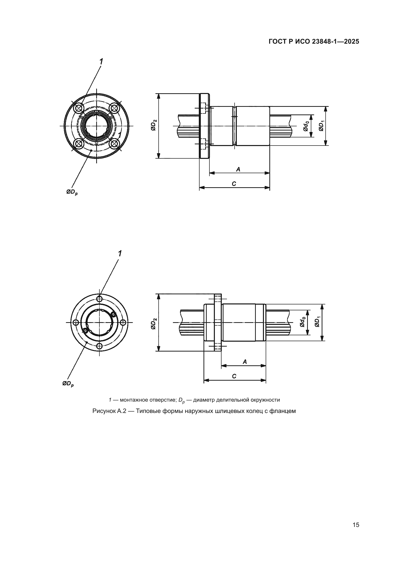
| Название рус.: | Станки. Шаровые шлицы. Часть 1. Общие характеристики и требования |
| Название англ.: | Machine tools. Ball splines. Part 1. General characteristics and requirement |
| Дата актуализации текста: | 01.01.2026 |
| Дата актуализации описания: | 01.01.2026 |
| Дата издания: | 23.12.2025 |
| Дата введения: | 01.03.2026 |
| Аутентичен стандартам: | ISO 23848-1:2009 |
| Нормативные ссылки: | ISO 554;ISO 6507-1;ISO 6507-2 |
| Область применения: | В настоящем стандарте определены и стандартизированы следующие характеристики шаровых шлицев: - формы и размеры; - методы испытаний; - контроль; - обозначение; - маркировка |
|