Скачать ГОСТ Р ИСО 12164-4-2025 Крепления инструментов типов Т и U для полых конических хвостовиков (HSK) типов Т, TA и U. Присоединительные размерыДата актуализации: 01.01.2026 ГОСТ Р ИСО 12164-4-2025
Крепления инструментов типов Т и U для полых конических хвостовиков (HSK) типов Т, TA и U. Присоединительные размеры
| Обозначение: |  ГОСТ Р ИСО 12164-4-2025 |
| Статус: | принят |
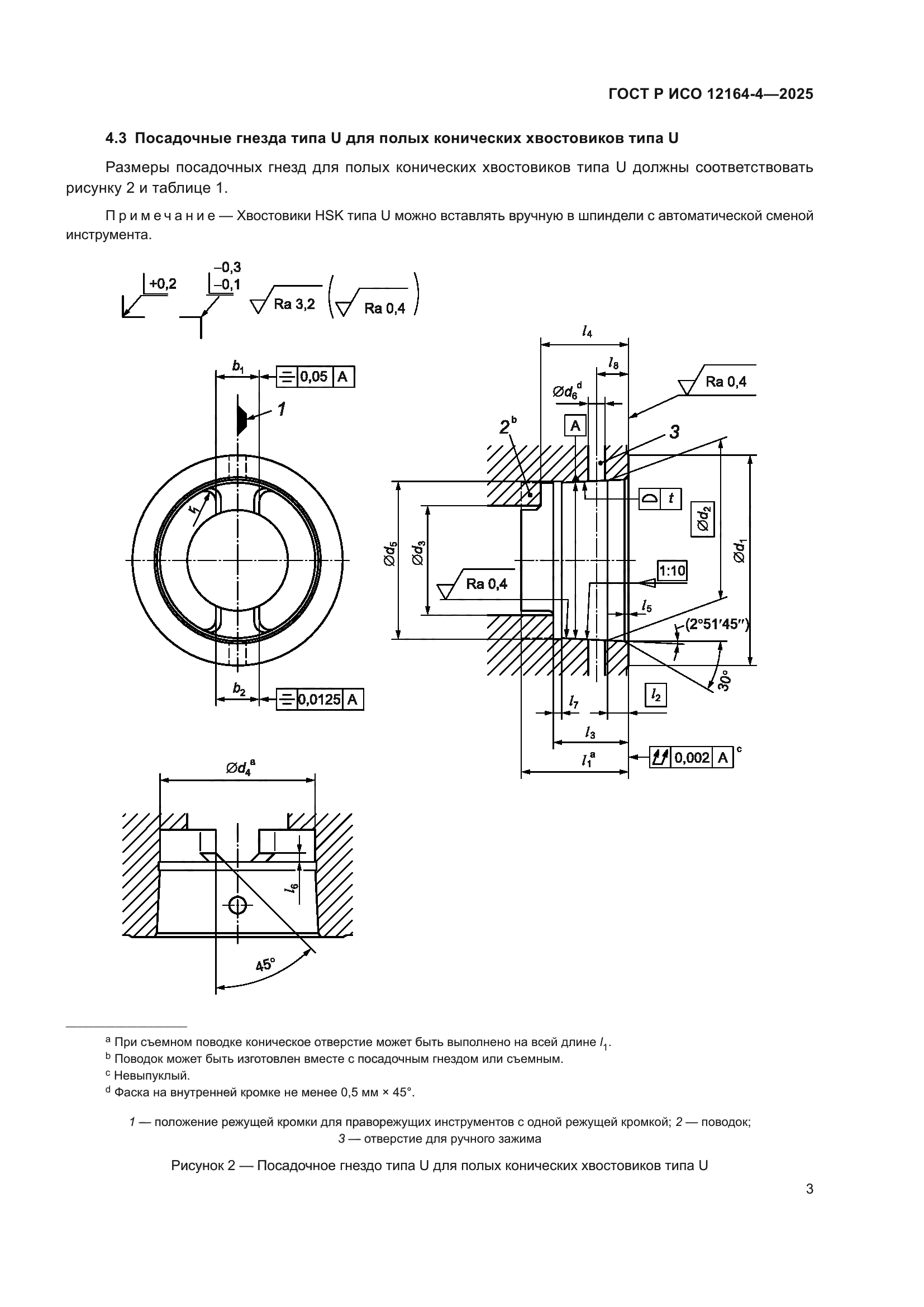
| Название рус.: | Крепления инструментов типов Т и U для полых конических хвостовиков (HSK) типов Т, TA и U. Присоединительные размеры | | Название англ.: | Receivers of types T and U for hollow taper shanks of types T, TA and U. Connection dimensions | | Дата актуализации текста: | 01.01.2026 | | Дата актуализации описания: | 01.01.2026 | | Дата издания: | 19.12.2025 | | Дата введения: | 01.07.2026 | | Взамен: | ГОСТ Р ИСО 12164-4-2011 | | Аутентичен стандартам: | ISO 12164-4:2023 | | Нормативные ссылки: | ISO 2768-1 | | Область применения: | В настоящем стандарте приведены размеры посадочных гнезд для полых конических хвостовиков (HSK) по ИСО 12164-3 с коническими и фланцевыми контактными поверхностями для применения на станках (токарных и комбинированных токарно-фрезерных). Настоящий стандарт рассматривает два типа посадочных гнезд: - тип T – для автоматической смены инструмента; - тип U – только для ручной смены инструмента с помощью радиальных отверстий как в посадочном гнезде, так и в хвостовике инструмента | |
          
|