Скачать ГОСТ Р ИСО 12164-2-2025 Крепление инструментов типов А, С и Е для полых конических хвостовиков (HSK) типов A, AB, C, CB и EB. Присоединительные размерыДата актуализации: 01.01.2026 ГОСТ Р ИСО 12164-2-2025
Крепление инструментов типов А, С и Е для полых конических хвостовиков (HSK) типов A, AB, C, CB и EB. Присоединительные размеры
| Обозначение: |  ГОСТ Р ИСО 12164-2-2025 |
| Статус: | принят |
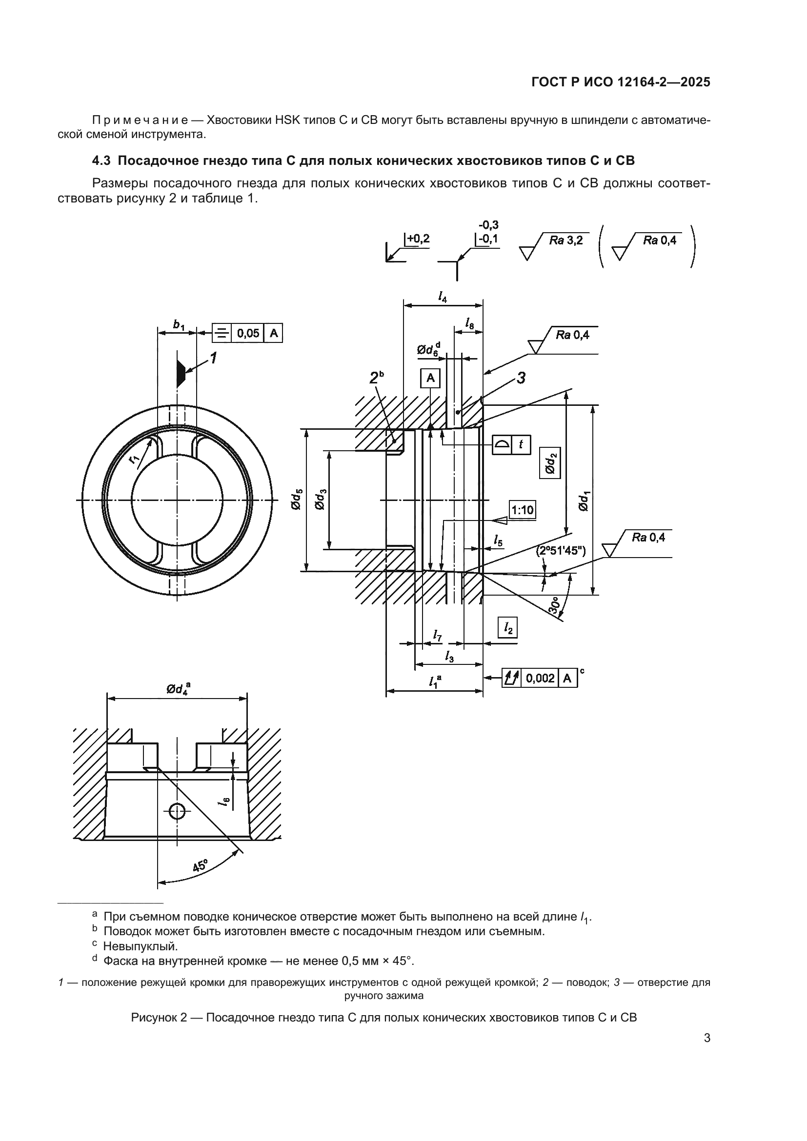
| Название рус.: | Крепление инструментов типов А, С и Е для полых конических хвостовиков (HSK) типов A, AB, C, CB и EB. Присоединительные размеры | | Название англ.: | Tool receivers of types A, C and E for hollow taper shanks of types A, AB, C, CB and EB. Connecting dimensions | | Дата актуализации текста: | 01.01.2026 | | Дата актуализации описания: | 01.01.2026 | | Дата издания: | 17.12.2025 | | Дата введения: | 01.07.2026 | | Взамен: | ГОСТ Р ИСО 12164-2-2013 | | Аутентичен стандартам: | ISO 12164-2:2023 | | Нормативные ссылки: | ISO 1101;ISO 2768-1;ISO 3040 | | Область применения: | Настоящий стандарт устанавливает размеры посадочных гнезд для крепления инструментов с полыми коническими хвостовиками (HSK) по ИСО 12164-1 с коническими и фланцевыми контактными поверхностями, для применения на станках (например, токарных, сверлильных, фрезерных, шлифовальных и их комбинаций). Настоящий стандарт рассматривает три типа посадочных гнезд: - тип A – для автоматической смены инструмента; - тип C – предназначен только для ручной смены инструмента с помощью радиальных отверстий как в посадочном гнезде, так и в хвостовике инструмента; - тип E предназначен для автоматической смены инструмента | |
              
|