| Обозначение: |  ГОСТ 18098-2025 |
| Статус: | принят |
| Название рус.: | Станки координатно-расточные и координатно-шлифовальные. Нормы точности и методы измерений |
| Название англ.: | Jig-boring and jig-grinding machines. Standards of accuracy |
| Дата актуализации текста: | 01.01.2026 |
| Дата актуализации описания: | 01.01.2026 |
| Дата регистрации: | 31.10.2025 |
| Дата издания: | 22.12.2025 |
| Дата введения: | 01.02.2026 |
| Взамен: | ГОСТ 18098-94 |
| Нормативные ссылки: | ГОСТ 8; ГОСТ 2789; ГОСТ 2848; ГОСТ 8032; ГОСТ 9038; ГОСТ 9244; ГОСТ 9392; ГОСТ 10905; ГОСТ 11098; ГОСТ 12069; ГОСТ 16163; ГОСТ 17353; ГОСТ 18833; ГОСТ 19300; ГОСТ 22267-76; ГОСТ 25443; ГОСТ 27843; ГОСТ 28798; ГОСТ 30064; ГОСТ 30175 |
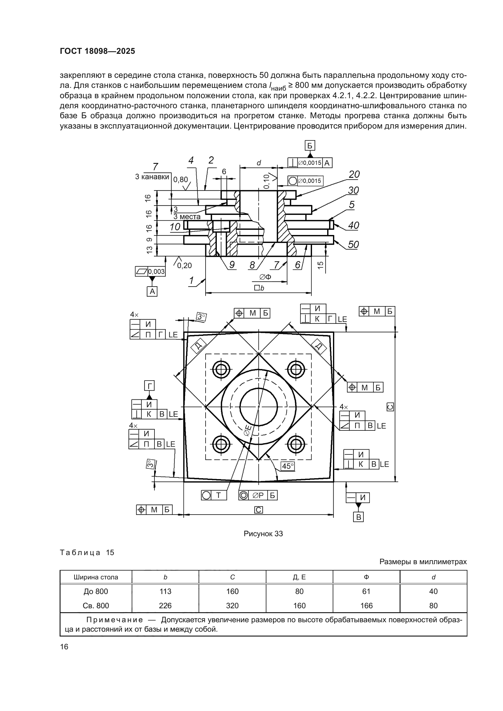
| Область применения: | Настоящий стандарт распространяется на одно- и двухстоечные координатно-расточные (КРС) и координатно-шлифовальные (КШС) станки общего назначения по ГОСТ 30175 классов точности С и А по ГОСТ 8 и изготовленные на их базе специальные станки, в том числе на станки с числовым программным управлением, и устанавливает нормы точности и методы измерений |
|