Скачать ГОСТ Р 72152-2025 Фрезы дисковые трехсторонние со вставными ножами, оснащенными твердым сплавом. Основные размерыДата актуализации: 01.01.2026 ГОСТ Р 72152-2025
Фрезы дисковые трехсторонние со вставными ножами, оснащенными твердым сплавом. Основные размеры
| Обозначение: |  ГОСТ Р 72152-2025 |
| Статус: | принят |
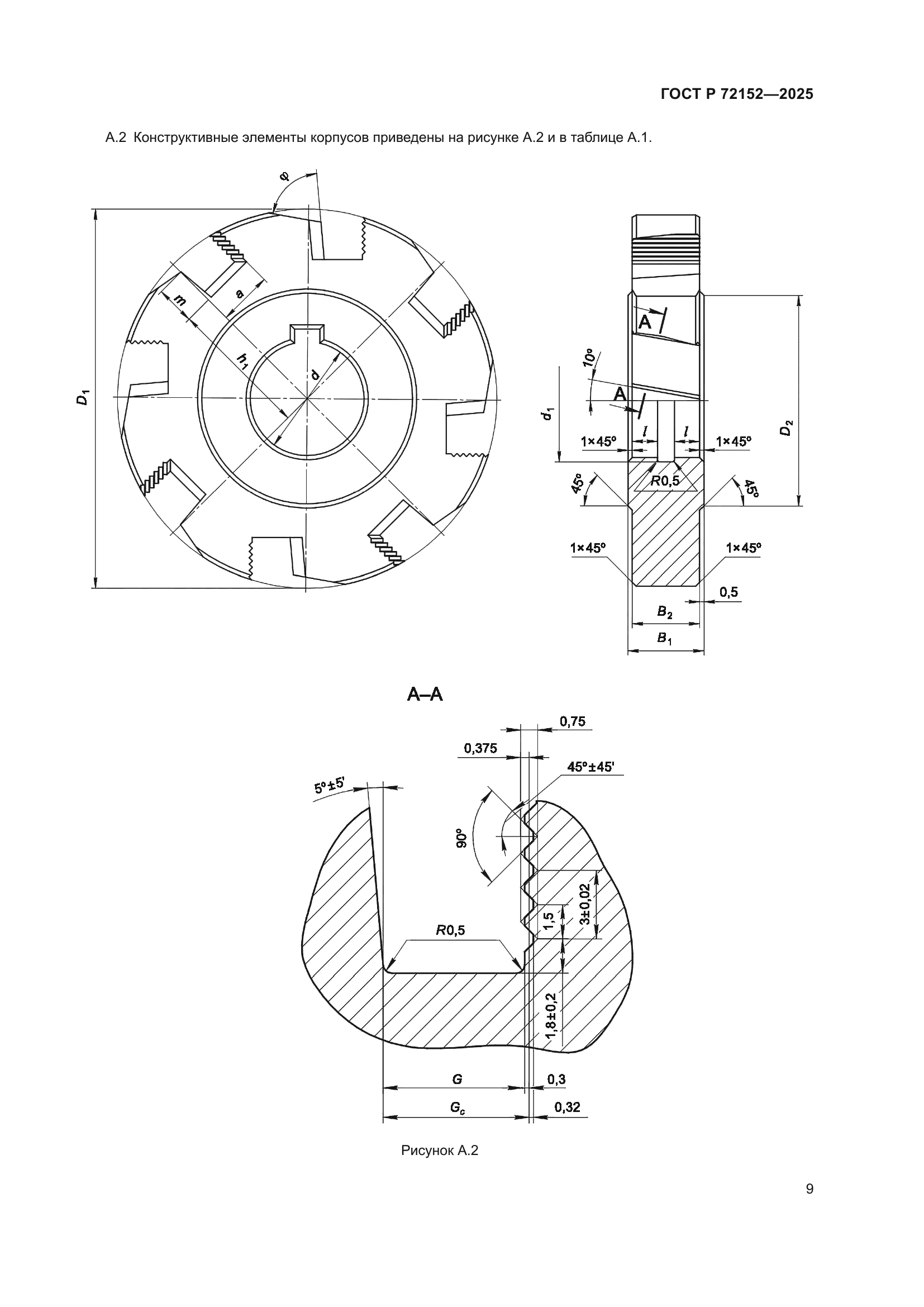
| Название рус.: | Фрезы дисковые трехсторонние со вставными ножами, оснащенными твердым сплавом. Основные размеры | | Название англ.: | Side-and-face cutters with inserted carbide blades. Basic dimensions | | Дата актуализации текста: | 01.01.2026 | | Дата актуализации описания: | 01.01.2026 | | Дата издания: | 15.12.2025 | | Дата введения: | 01.07.2026 | | Нормативные ссылки: | ГОСТ 2568; ГОСТ 9472; ГОСТ Р 72153; ГОСТ Р 72154; ГОСТ Р 72155 | | Область применения: | Настоящий стандарт распространяется на дисковые трехсторонние фрезы со вставными ножами, оснащенными твердым сплавом (далее – фрезы), предназначенные для обработки пазов и уступов в изделиях из конструкционной стали и чугуна | |
              
|