Скачать ГОСТ ISO 3442-1-2025 Станки металлорежущие. Размеры и геометрические испытания самоцентрирующих патронов с кулачками, состоящими из двух частей. Часть 1. Патроны с ручным зажимом и креплением кулачков с помощью крестового шпоночного пазаДата актуализации: 01.01.2026 ГОСТ ISO 3442-1-2025
Станки металлорежущие. Размеры и геометрические испытания самоцентрирующих патронов с кулачками, состоящими из двух частей. Часть 1. Патроны с ручным зажимом и креплением кулачков с помощью крестового шпоночного паза
| Обозначение: |  ГОСТ ISO 3442-1-2025 |
| Статус: | принят |
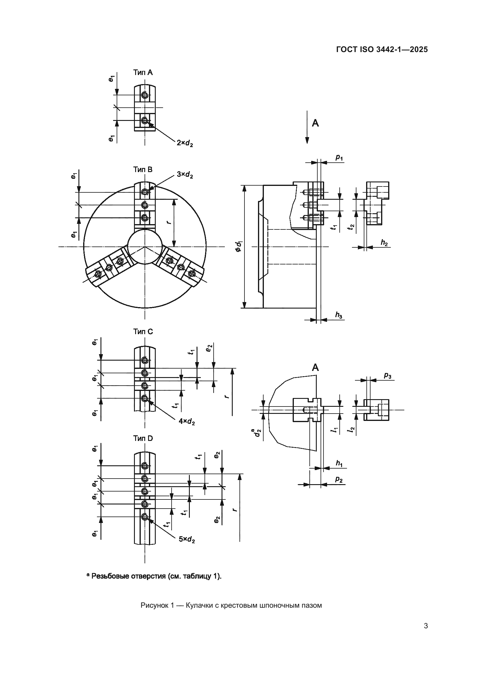
| Название рус.: | Станки металлорежущие. Размеры и геометрические испытания самоцентрирующих патронов с кулачками, состоящими из двух частей. Часть 1. Патроны с ручным зажимом и креплением кулачков с помощью крестового шпоночного паза | | Название англ.: | Metal cutting machine tools. Dimensions and geometric tests for self-centring chucks with two-piece jaws. Part 1. Manually operated chucks with cross keyway type jaws | | Дата актуализации текста: | 01.01.2026 | | Дата актуализации описания: | 01.01.2026 | | Дата регистрации: | 30.09.2025 | | Дата издания: | 15.12.2025 | | Дата введения: | 01.06.2026 | | Аутентичен стандартам: | ISO 3442-1:2005 | | Нормативные ссылки: | ISO 230-1:2012 | | Область применения: | Настоящий стандарт устанавливает размеры для взаимозаменяемости самоцентрирующих патронов с ручным зажимом и кулачками, состоящими из двух частей (скрепленных с помощью крестового шпоночного паза), и определяет условия геометрических испытаний для таких патронов со ссылкой на ISO 230-1. Стандарт устанавливает допуски, применимые к этим испытаниям | |
                  
|