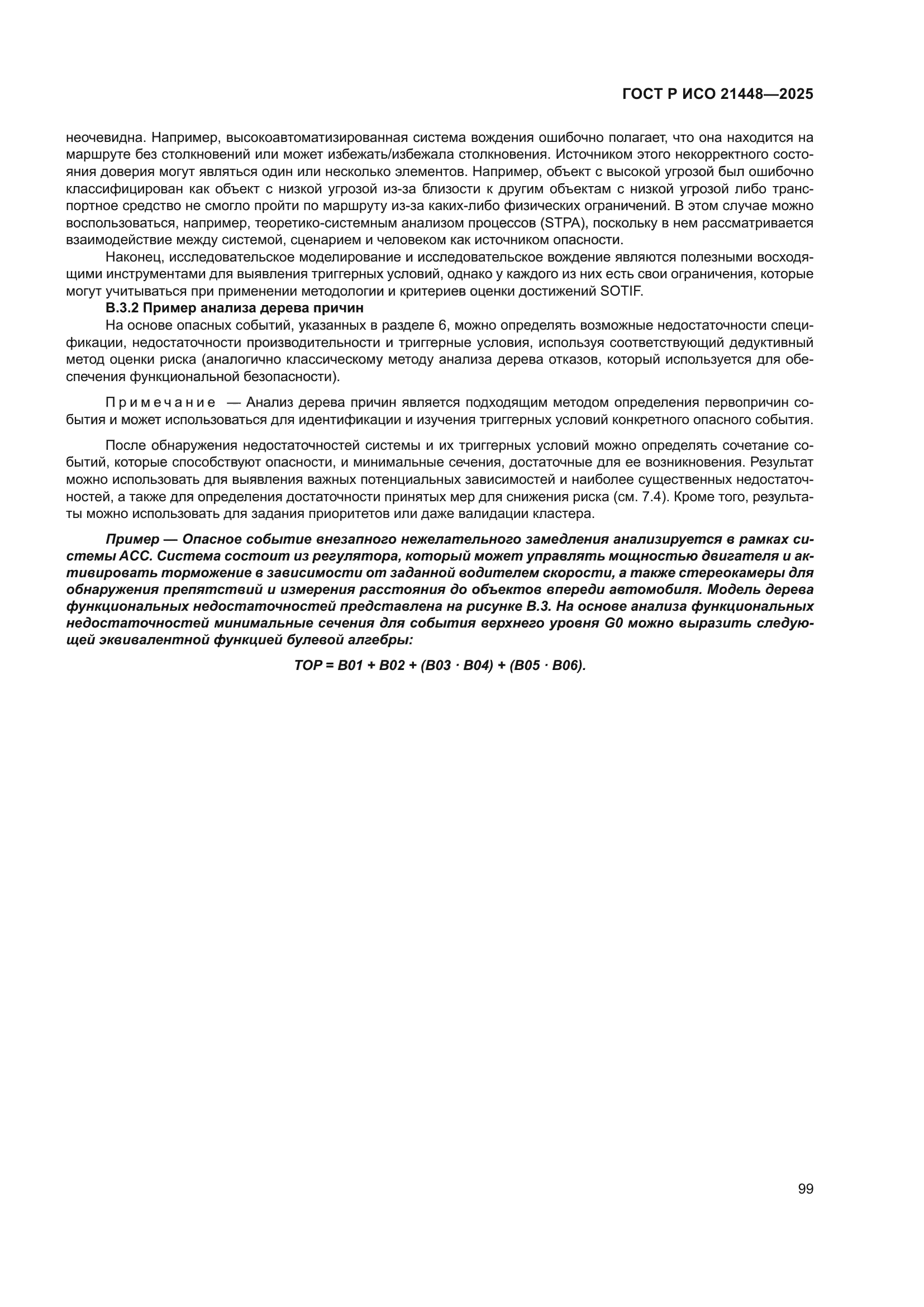
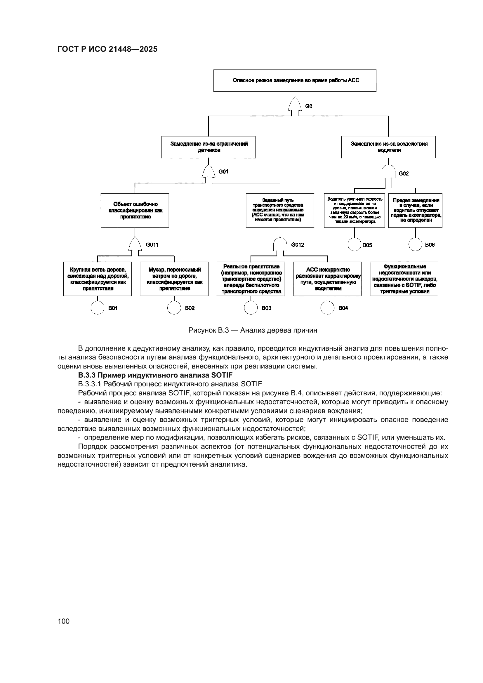
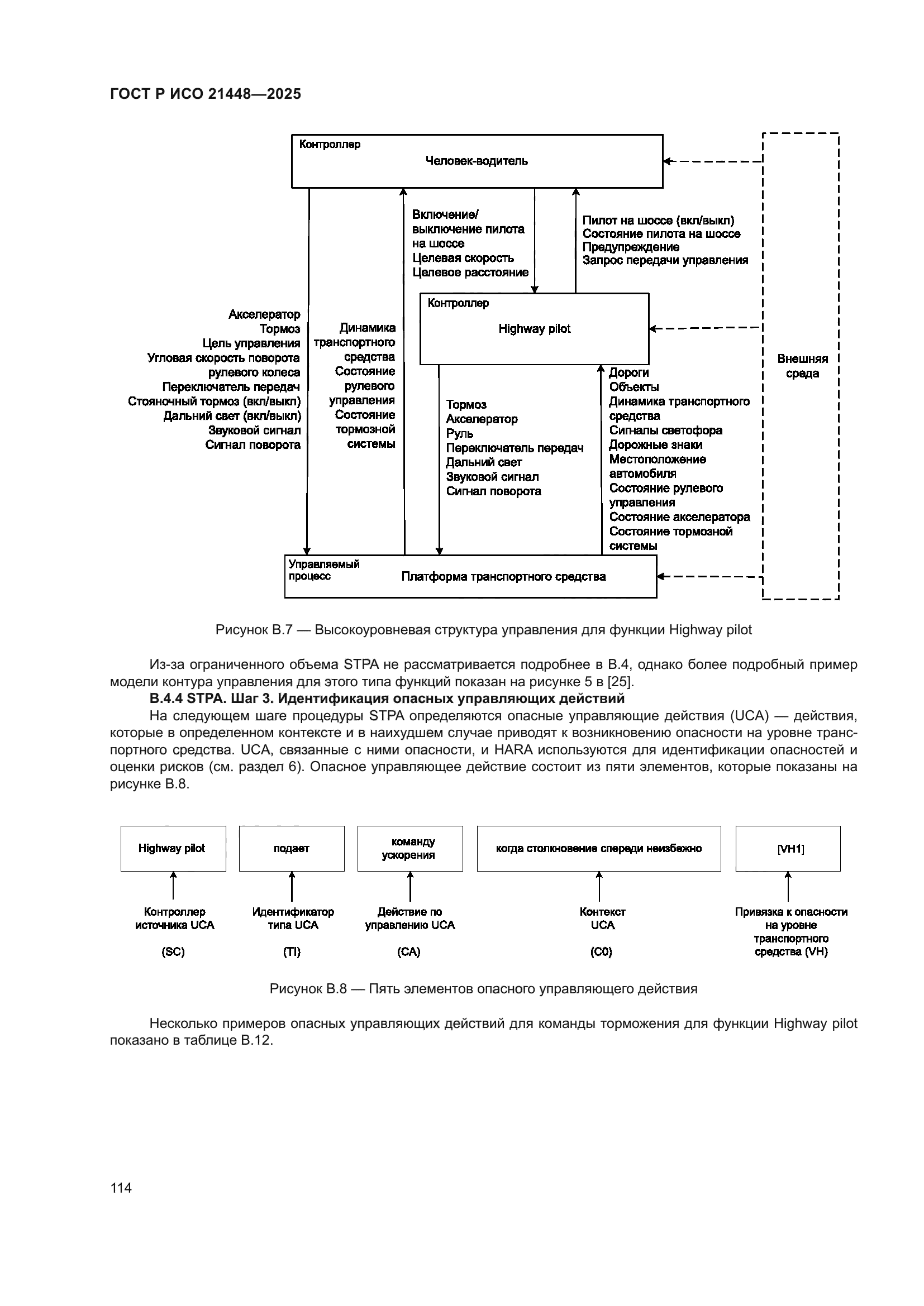
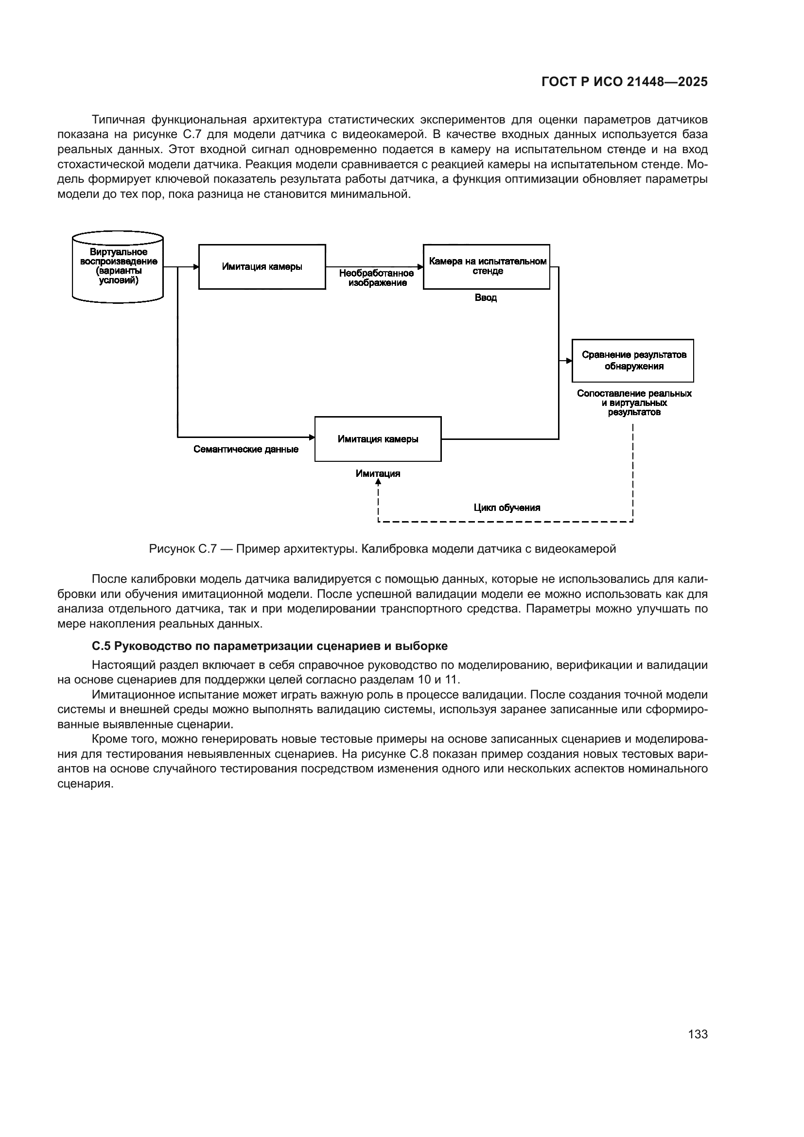
Скачать ГОСТ Р ИСО 21448-2025 Дорожные транспортные средства. Безопасность заданной функциональностиДата актуализации: 01.01.2026 ГОСТ Р ИСО 21448-2025
Дорожные транспортные средства. Безопасность заданной функциональности
| Обозначение: |  ГОСТ Р ИСО 21448-2025 |
| Статус: | действующий |
| Название рус.: | Дорожные транспортные средства. Безопасность заданной функциональности | | Название англ.: | Road vehicles. Safety of the intended functionality | | Дата актуализации текста: | 01.01.2026 | | Дата актуализации описания: | 01.01.2026 | | Дата издания: | 21.10.2025 | | Дата введения: | 01.01.2026 | | Аутентичен стандартам: | ISO 21448:2022 | | Нормативные ссылки: | ISO 26262-1 | | Область применения: | В настоящем стандарте представлены общие обоснования и рекомендации в отношении мер обеспечения безопасности заданной функциональности (SOTIF), т. е. отсутствия неоправданного риска вследствие опасности, вызванной функциональными недостаточностями, а именно: а) недостаточностями спецификации заданной функциональности на уровне транспортного средства; b) недостаточностями спецификации или недостаточностями производительности электрических и/или электронных (Э/Э) элементов системы. В настоящем стандарте представлены рекомендации по применению мер на этапах проектирования, верификации и валидации, а также действиям на этапе эксплуатации, которые необходимы для достижения и поддержания SOTIF. Настоящий стандарт применим к заданным функциям, в которых надлежащая осведомленность о ситуации важна для безопасности и основана на сложных датчиках и алгоритмах обработки (в особенности к функциям систем экстренного вмешательства и систем с уровнями автоматизации вождения от 1 до 5 [2]). Настоящий стандарт применим к заданным функциям, которые включают в себя одну или несколько Э/Э-систем, установленных на серийных дорожных транспортных средствах, за исключением мопедов. Обоснованно предсказуемое неправильное использование входит в область применения настоящего стандарта. В нее также входят управление или помощь транспортному средству, которые оказываются удаленным пользователем или посредством связи с бэк-офисом в случае, если они могут повлиять на управление транспортным средством и создавать угрозы безопасности. Настоящий стандарт не распространяется: на сбои, описанные в стандартах серии ИСО 26262; угрозы кибербезопасности; опасности, непосредственно вызываемые технологией системы (например, повреждение глаз лучом лидара); опасности, связанные с поражением электрическим током, пожаром, задымлением, нагревом, радиацией, токсичностью, воспламеняемостью, реактивностью, выделением энергии и аналогичными опасностями, если они не вызваны непосредственно заданными функциями э/э-систем; умышленные действия, которые явно не соответствуют назначению системы и считаются некорректным использованием функций. Настоящий стандарт не применяется к функциям существующих систем, для которых существуют хорошо зарекомендовавшие себя и заслуживающие доверия меры проектирования, верификации и валидации (например, системы курсовой устойчивости, подушки безопасности) | |
                                                                                                                                                                                
|