Скачать ГОСТ IEC 61010-031-2025 Требования безопасности для электрического оборудования для измерений, управления и лабораторного применения. Часть 031. Требования безопасности к ручным и управляемым вручную сборкам щупов для электрических измерений и испытанийДата актуализации: 01.01.2026 ГОСТ IEC 61010-031-2025
Требования безопасности для электрического оборудования для измерений, управления и лабораторного применения. Часть 031. Требования безопасности к ручным и управляемым вручную сборкам щупов для электрических измерений и испытаний
| Обозначение: |  ГОСТ IEC 61010-031-2025 |
| Статус: | принят |
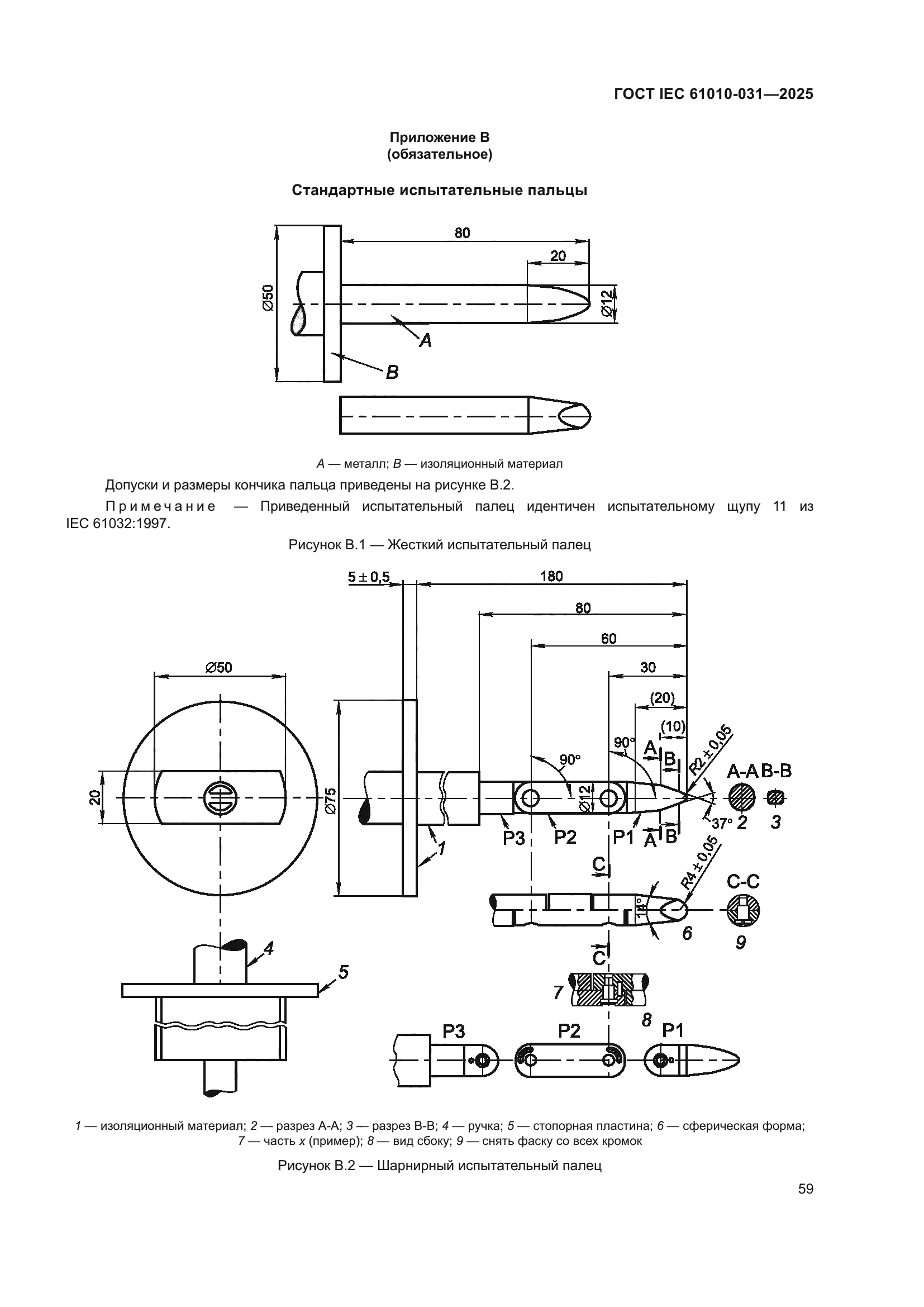
| Название рус.: | Требования безопасности для электрического оборудования для измерений, управления и лабораторного применения. Часть 031. Требования безопасности к ручным и управляемым вручную сборкам щупов для электрических измерений и испытаний | | Название англ.: | Safety requirements for electrical equipment for measurement, control, and laboratory use. Part 031. Safety requirements for hand-held and hand-manipulated probe assemblies for electrical test and measurement | | Дата актуализации текста: | 01.01.2026 | | Дата актуализации описания: | 01.01.2026 | | Дата регистрации: | 29.08.2025 | | Дата издания: | 17.09.2025 | | Дата введения: | 01.09.2026 | | Взамен: | ГОСТ IEC 61010-031-2013 | | Аутентичен стандартам: | IEC 61010-031(2022) | | Нормативные ссылки: | IEC 60027-1(1992)AMD1 (1997)AMD2 (2005);IEC 60027-2(2019);IEC 60027-4(2006);IEC 60529(1989)AMD1(1999)AMD2(2013);IEC 60529(1989)/AMD2(2013)/COR1(2019);IEC 61010-1(2010)AMD1(2016);IEC 61010-1(2010)/AMD1(2016)/COR1(2019);IEC 61180(2016) | | Область применения: | Настоящий стандарт устанавливает требования безопасности к ручным и управляемым вручную сборкам щупов для электрических испытаний и измерений, а также к принадлежностям, связанным с ними. Настоящий стандарт распространяется на сборки щупов, предназначенные для бесконтактного или прямого электрического соединения частей оборудования с электрическим испытательным и измерительным оборудованием. Они могут быть встроены в оборудование или представлять собой съемные принадлежности к оборудованию. Настоящая групповая публикация по безопасности, включающая основные требования безопасности, предназначена в первую очередь для использования в качестве стандарта безопасности продукции, входящей в область его применения, но также предназначена для использования техническими комитетами по стандартизации при подготовке публикаций для продукции, аналогичной той, которая входит в область применения настоящей групповой публикации по безопасности в соответствии с принципами, изложенными в руководствах IEC Guide 104 и lSO/lEC Guide 51. Одной из обязанностей технического комитета по стандартизации является использование, где это применимо, базовых и/или групповых публикаций по безопасности при подготовке своих публикаций | |
                                                                                    
|