| Обозначение: |  ГОСТ 31610.11-2025 |
| Статус: | принят |
| Название рус.: | Взрывоопасные среды. Часть 11. Оборудование с видом взрывозащиты «искробезопасная электрическая цепь «i» |
| Название англ.: | Explosive atmospheres. Part 11. Equipment with type of explosion protection «intrinsically safe electrical circuit «i» |
| Дата актуализации текста: | 01.01.2026 |
| Дата актуализации описания: | 01.01.2026 |
| Дата регистрации: | 31.07.2025 |
| Дата издания: | 10.09.2025 |
| Дата введения: | 01.01.2027 |
| Взамен: | ГОСТ 31610.11-2014;ГОСТ IEC 61241-11-2011 |
| Содержит требования: | IEC 60079-11(2023) |
| Нормативные ссылки: | ГОСТ 14254; ГОСТ 22765; ГОСТ 27473; ГОСТ 31610.0; ГОСТ 31610.7; ГОСТ 31610.19; ГОСТ 31610.25; ГОСТ 31610.28;ГОСТ IEC 60079-14;ГОСТ IEC 60127-1;ГОСТ IEC 60127-2;ГОСТ IEC 60127-3;ГОСТ IEC 60127-4;ГОСТ IEC 60127-7;ГОСТ IEC 60664-1;ГОСТ IEC 60664-3;ГОСТ IEC 60691;ГОСТ IEC 60851-5;ГОСТ IEC 61010-1;ГОСТ IEC 61810-1;ГОСТ IEC 62368-1 |
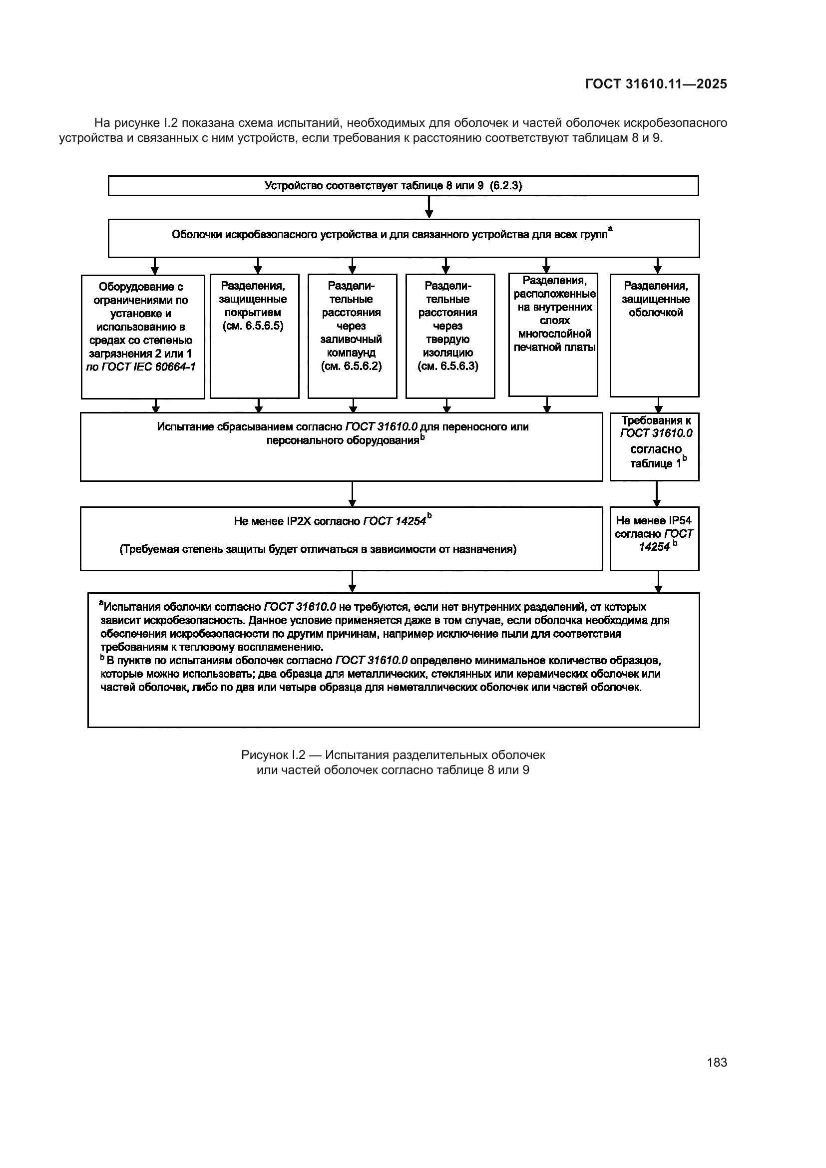
| Область применения: | Настоящий стандарт устанавливает требования к конструкции и испытанию искробезопасного устройства, предназначенного для применения во взрывоопасных средах, а также связанного устройства, предназначенного для подключения к искробезопасным цепям, которые проходят во взрывоопасные среды. Данный вид взрывозащиты применим к электрооборудованию, в котором электрические цепи не способны вызвать воспламенение окружающей взрывоопасной среды. Данный стандарт распространяется и на электрооборудование, в состав которого входят цепи, которые являются искробезопасными только в определенных условиях, например, при питании от искробезопасной батареи и отключенном питании сети. Настоящий стандарт также распространяется на электрооборудование или части электрооборудования, находящиеся вне взрывоопасной среды или имеющие другой вид взрывозащиты из перечисленных в ГОСТ 31610.0, в тех случаях, когда искробезопасность электрических цепей во взрывоопасной среде может зависеть от конструкции и исполнения такого электрооборудования или его частей. С помощью данного стандарта оценивают возможность применения во взрывоопасных средах электрических цепей, подвергающихся воздействию взрывоопасной среды |
|