| Обозначение: |  ГОСТ 22930-2025 |
| Статус: | действующий |
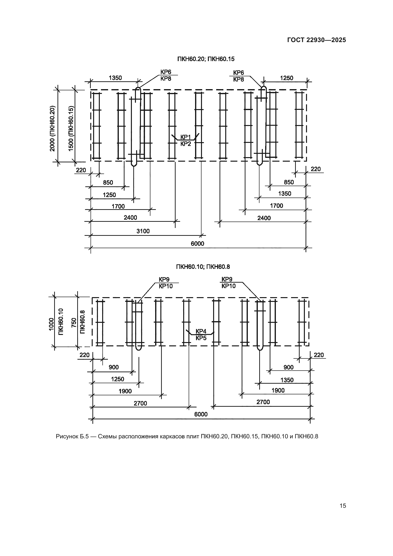
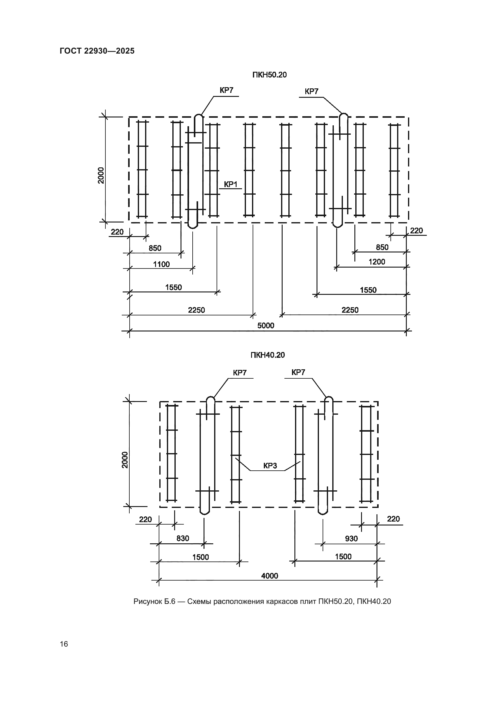
| Название рус.: | Плиты железобетонные предварительно напряженные для облицовки оросительных каналов мелиоративных систем. Технические условия |
| Название англ.: | Prestressed reinforced concrete slabs for irrigation canal lining of melioration systems. Specifications |
| Дата актуализации текста: | 01.01.2026 |
| Дата актуализации описания: | 01.01.2026 |
| Дата регистрации: | 24.06.2025 |
| Дата издания: | 27.08.2025 |
| Дата введения: | 01.01.2026 |
| Взамен: | ГОСТ 22930-87 |
| Нормативные ссылки: | ГОСТ 6727; ГОСТ 7348; ГОСТ 7473; ГОСТ 8267; ГОСТ 8736; ГОСТ 8829; ГОСТ 10060; ГОСТ 10180; ГОСТ 10181; ГОСТ 10922; ГОСТ 12730.0; ГОСТ 12730.3; ГОСТ 12730.5; ГОСТ 13015; ГОСТ 17624; ГОСТ 17625; ГОСТ 18105; ГОСТ 22362; ГОСТ 22690; ГОСТ 22904; ГОСТ 23009; ГОСТ 23732; ГОСТ 23858; ГОСТ 24211; ГОСТ 26134; ГОСТ 26433.0; ГОСТ 26433.1; ГОСТ 26633; ГОСТ 31108; ГОСТ 31384; ГОСТ 34028; ГОСТ Р 57997-2017; ГОСТ Р 58941-2020; ГОСТ Р 58939-2020 |
| Область применения: | Настоящий стандарт распространяется на предварительно напряженные железобетонные плиты, изготовляемые из тяжелого бетона и предназначенные для облицовки оросительных каналов мелиоративных систем. Плиты применяют в каналах: - при глубине потока воды до 3 м включительно, максимальной высоте волны 0,5 м и отсутствии ледовых нагрузок; - сооружаемых в нескальных грунтах при неагрессивной степени воздействия на железобетонные конструкции; - сооружаемых в несейсмических районах, а также в районах с сейсмичностью до 8 баллов включительно |
|