Скачать ГОСТ IEC 60335-2-17-2025 Бытовые и аналогичные электрические приборы. Безопасность. Часть 2-17. Частные требования к одеялам, подушкам, одежде и аналогичным гибким нагревательным приборамДата актуализации: 01.01.2026 ГОСТ IEC 60335-2-17-2025
Бытовые и аналогичные электрические приборы. Безопасность. Часть 2-17. Частные требования к одеялам, подушкам, одежде и аналогичным гибким нагревательным приборам
| Обозначение: |  ГОСТ IEC 60335-2-17-2025 |
| Статус: | принят |
| Название рус.: | Бытовые и аналогичные электрические приборы. Безопасность. Часть 2-17. Частные требования к одеялам, подушкам, одежде и аналогичным гибким нагревательным приборам | | Название англ.: | Household and similar electrical appliances. Safety. Part 2-17. Particular requirements for blankets, pads, clothing and similar flexible heating appliances | | Дата актуализации текста: | 01.01.2026 | | Дата актуализации описания: | 01.01.2026 | | Дата регистрации: | 30.05.2025 | | Дата издания: | 21.07.2025 | | Дата введения: | 01.07.2026 | | Взамен: | ГОСТ IEC 60335-2-17-2014 | | Аутентичен стандартам: | IEС 60335-2-17(2022) | | Нормативные ссылки: | ISO/IEC Guide 37;ISO 2439;ISO 3758 | | Область применения: | Настоящий стандарт устанавливает требования безопасности электрических одеял, подушек, одежды и других гибких приборов, предназначенных для обогрева кровати или человеческого тела, бытового и аналогичного назначения номинальным напряжением не выше 250 В, включая приборы, питаемые постоянным током (DC), и приборы с батарейным питанием. Настоящий стандарт также распространяется на управляющие модули, поставляемые с прибором | |
                                                    
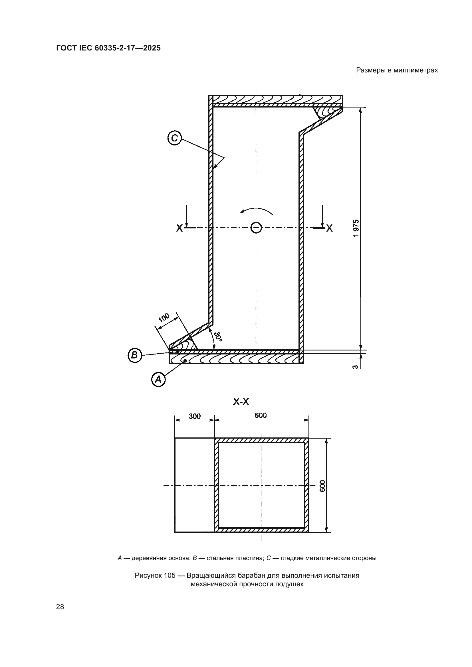
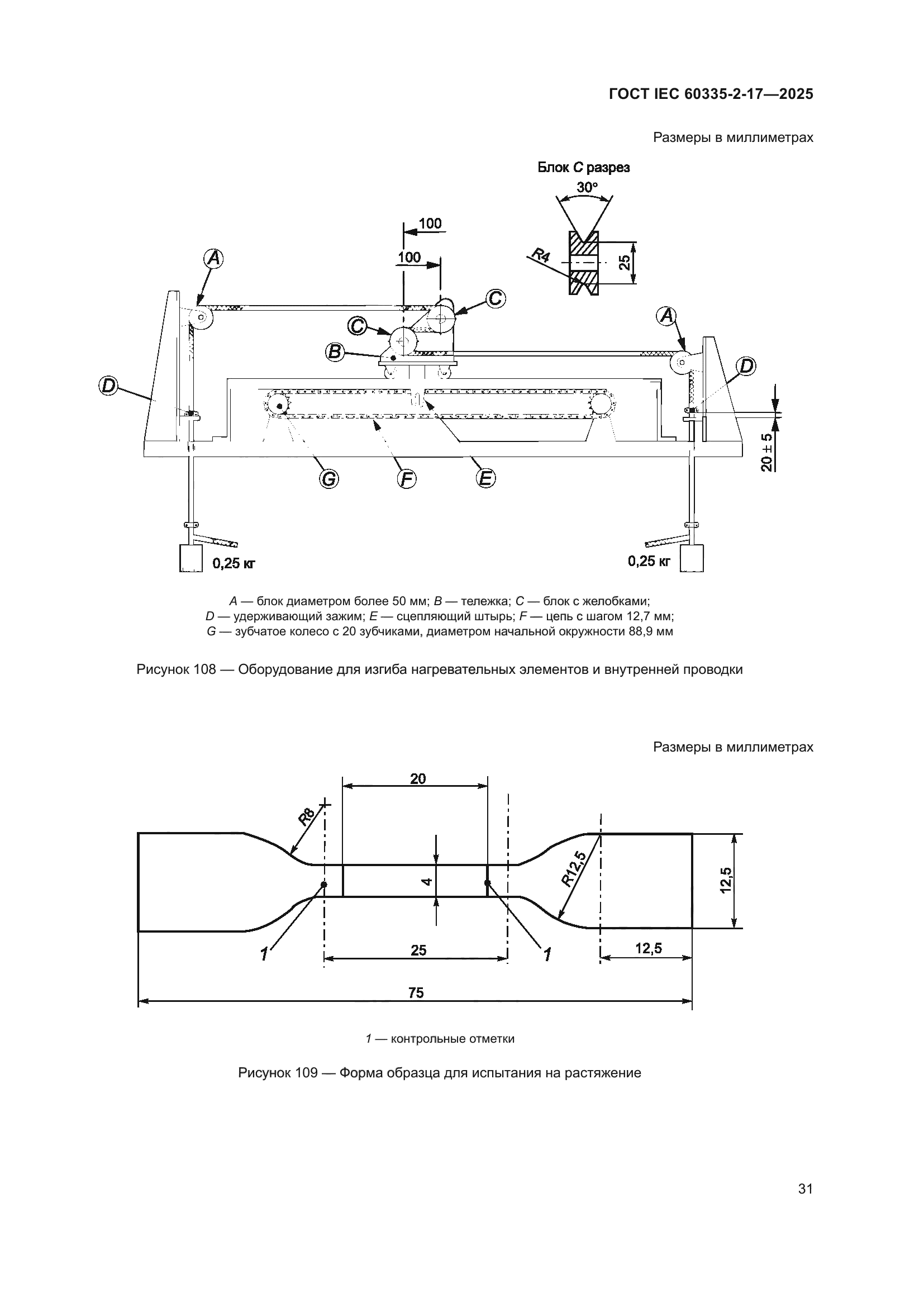
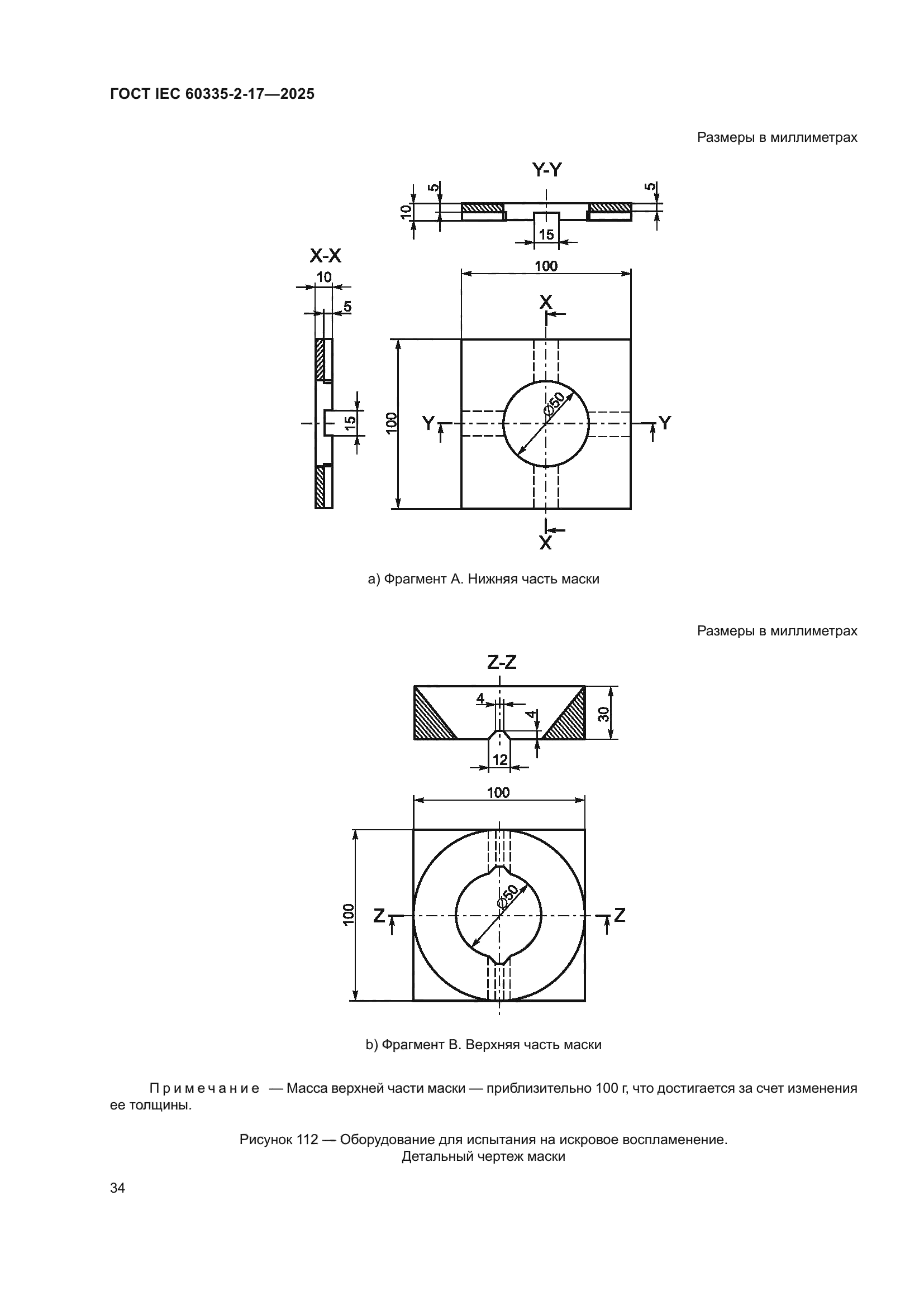
|