Скачать ГОСТ 17575-2025 Профили прессованные прямоугольные таврошвеллерного сечения из алюминия, алюминиевых и магниевых сплавов. СортаментДата актуализации: 01.01.2026 ГОСТ 17575-2025
Профили прессованные прямоугольные таврошвеллерного сечения из алюминия, алюминиевых и магниевых сплавов. Сортамент
| Обозначение: |  ГОСТ 17575-2025 |
| Статус: | действующий |
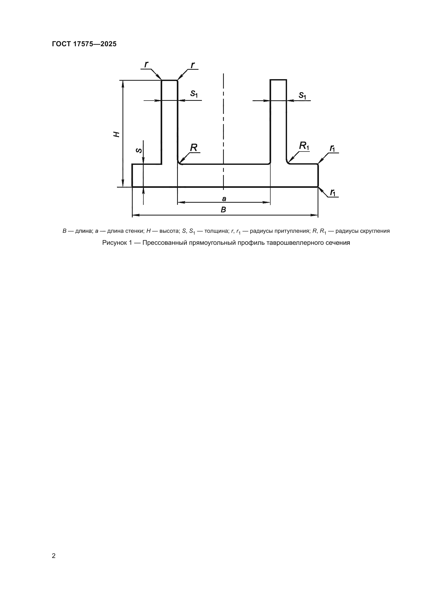
| Название рус.: | Профили прессованные прямоугольные таврошвеллерного сечения из алюминия, алюминиевых и магниевых сплавов. Сортамент | | Название англ.: | Extruded rectangular T-channel-section shapes of aluminium, aluminium and magnesium alloys. Dimensions | | Дата актуализации текста: | 01.01.2026 | | Дата актуализации описания: | 01.06.2025 | | Дата регистрации: | 31.03.2025 | | Дата издания: | 20.05.2025 | | Дата введения: | 01.10.2025 | | Взамен: | ГОСТ 17575-90 | | Нормативные ссылки: | ГОСТ 8617; ГОСТ 19657 | | Область применения: | Настоящий стандарт устанавливает сортамент прессованных прямоугольных профилей таврошвеллерного сечения из алюминия, алюминиевых и магниевых сплавов, изготовляемых методом горячего прессования | |
              
|