| Обозначение: |  ГОСТ Р 71797-2024 |
| Статус: | действующий |
| Название рус.: | Сосуды и аппараты. Заглушки поворотные стальные. Общие технические условия |
| Название англ.: | Vessels and apparatus. Rotary steel blank. General technical requirements |
| Дата актуализации текста: | 01.06.2025 |
| Дата актуализации описания: | 01.06.2025 |
| Дата издания: | 19.12.2024 |
| Дата введения: | 01.03.2025 |
| Нормативные ссылки: | ГОСТ 9.014; ГОСТ 12.1.007; ГОСТ 12.1.044; ГОСТ 12.3.009; ГОСТ 1050; ГОСТ 1577; ГОСТ 4543; ГОСТ 5264; ГОСТ 5520; ГОСТ 5632; ГОСТ 7350; ГОСТ 7505; ГОСТ 8479; ГОСТ 14192; ГОСТ 14771; ГОСТ 15150; ГОСТ 15180; ГОСТ 19281; ГОСТ 20072; ГОСТ 23170; ГОСТ 25054; ГОСТ 25347; ГОСТ 33259; ГОСТ 34347-2017; ГОСТ 34655; ГОСТ Р 52376; ГОСТ Р ИСО 8501-1 |
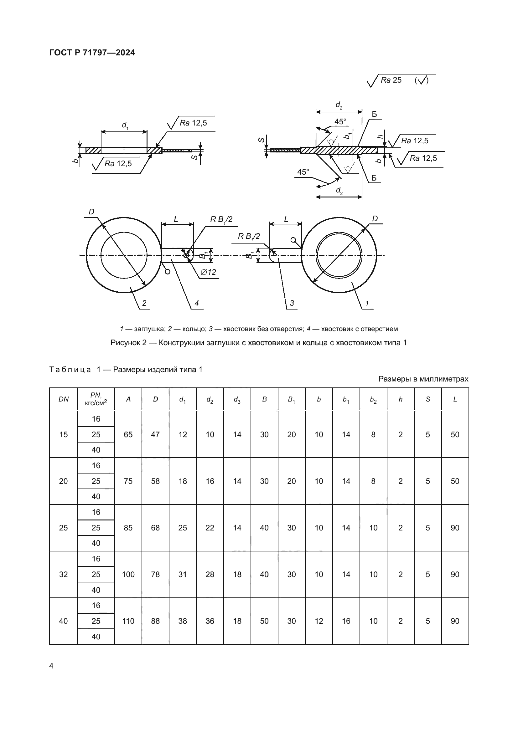
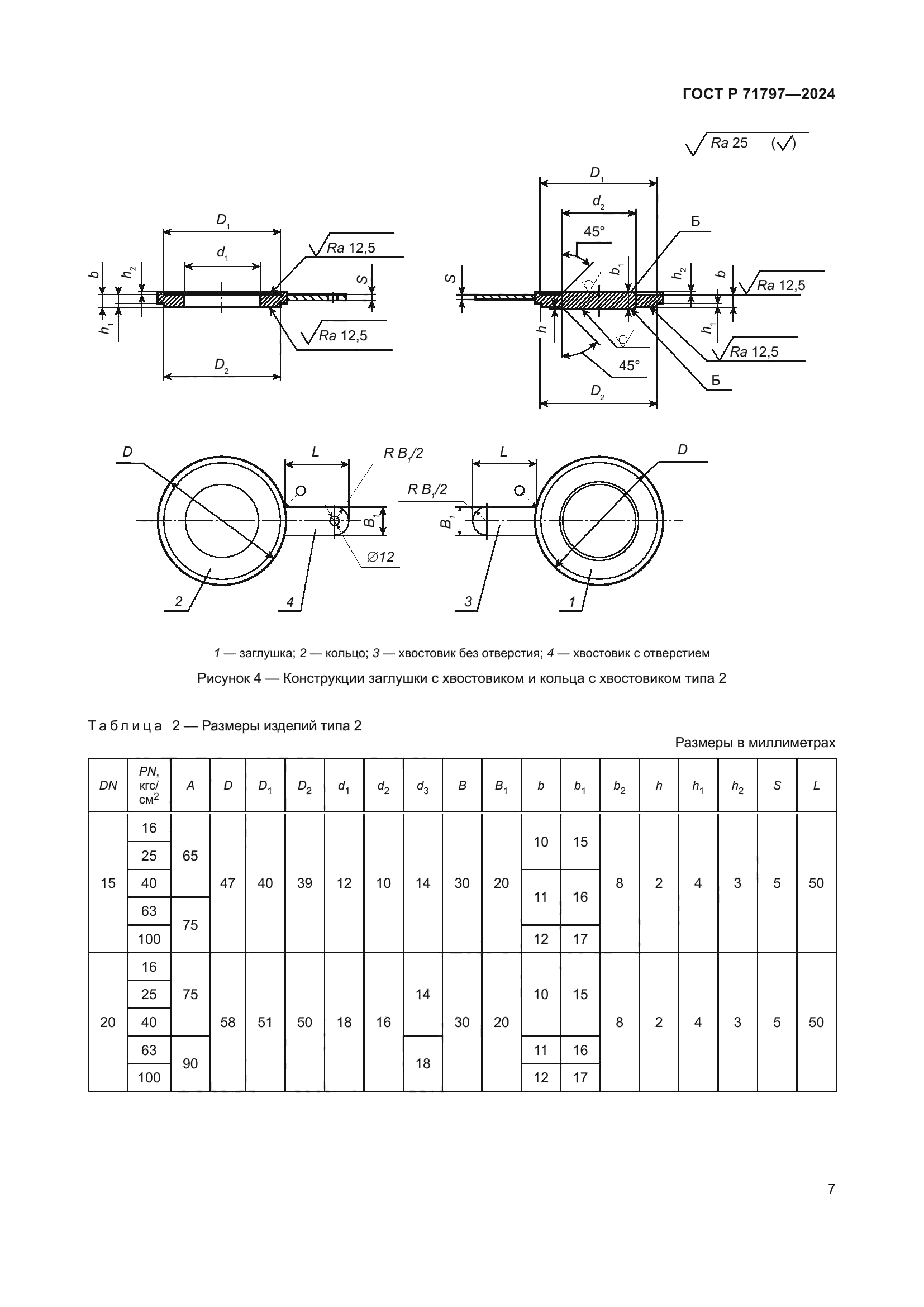
| Область применения: | Настоящий стандарт распространяется на поворотные заглушки, заглушки с хвостовиками, кольца с хвостовиками (далее – изделия), применяемые для фланцев по ГОСТ 33259, рассчитанные на номинальные давления от 1,6 до 16,0 МПа (от PN 16 до PN 160), предназначенные для отключения сосудов и аппаратов от трубопроводов при проведении монтажных или ремонтных работ |
|