| Обозначение: |  ГОСТ Р 71732-2024 |
| Статус: | действующий |
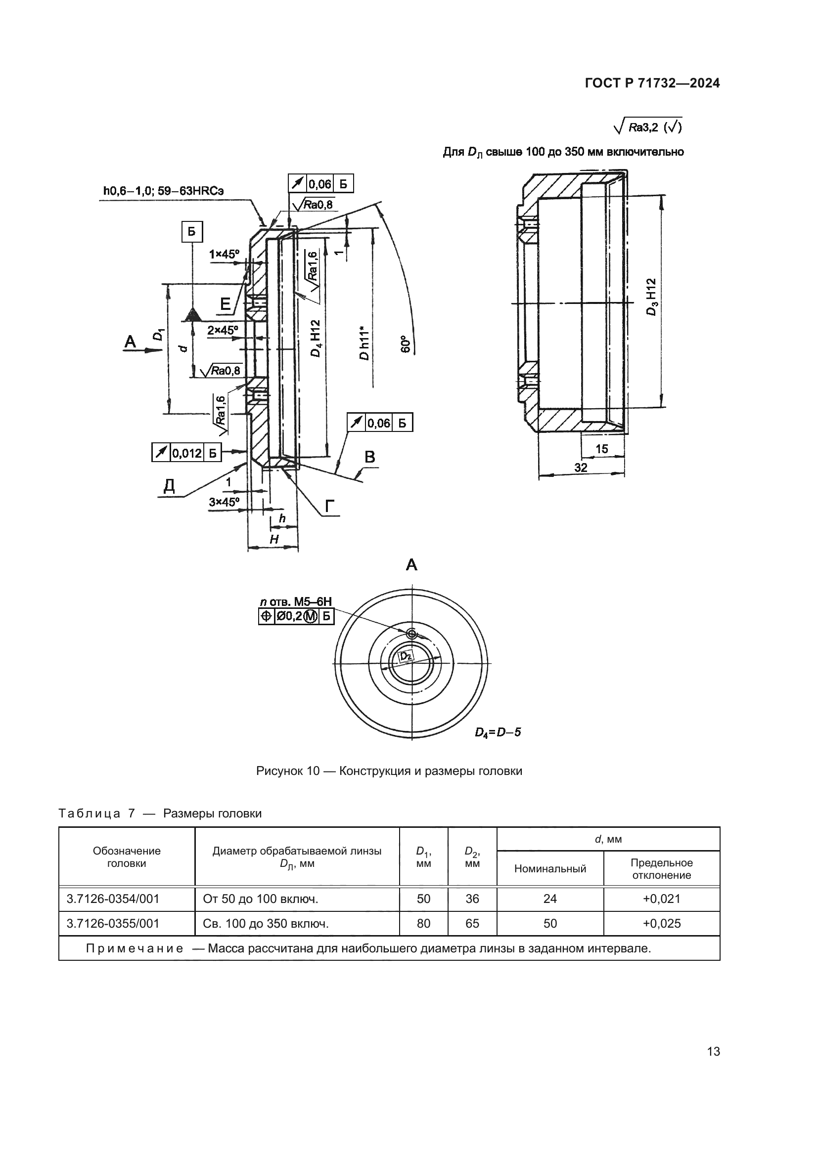
| Название рус.: | Оптика и фотоника. Патроны центрировочные. Конструкция |
| Название англ.: | Optics and photonics. Centering chucks. Construction |
| Дата актуализации текста: | 01.12.2024 |
| Дата актуализации описания: | 01.01.2026 |
| Дата издания: | 08.11.2024 |
| Дата введения: | 01.09.2025 |
| Нормативные ссылки: | ГОСТ 1435; ГОСТ 1491; ГОСТ 4543; ГОСТ 5950; ГОСТ 6402; ГОСТ 7338; ГОСТ 10007; ГОСТ 13766 |
| Область применения: | Настоящий стандарт распространяется на центрировочные патроны, предназначенные для крепления и центрирования линз диаметром от 3 до 350 мм |
|