| Обозначение: |  ГОСТ Р 71642-2024 |
| Статус: | действующий |
| Название рус.: | Резонаторы кварцевые. Методы измерения динамических параметров контрольных образцов |
| Название англ.: | Quartz resonators. Methods for measuring dynamic parameters control samples |
| Дата актуализации текста: | 01.12.2024 |
| Дата актуализации описания: | 01.06.2025 |
| Дата издания: | 14.10.2024 |
| Дата введения: | 01.03.2025 |
| Нормативные ссылки: | ГОСТ Р 71286 |
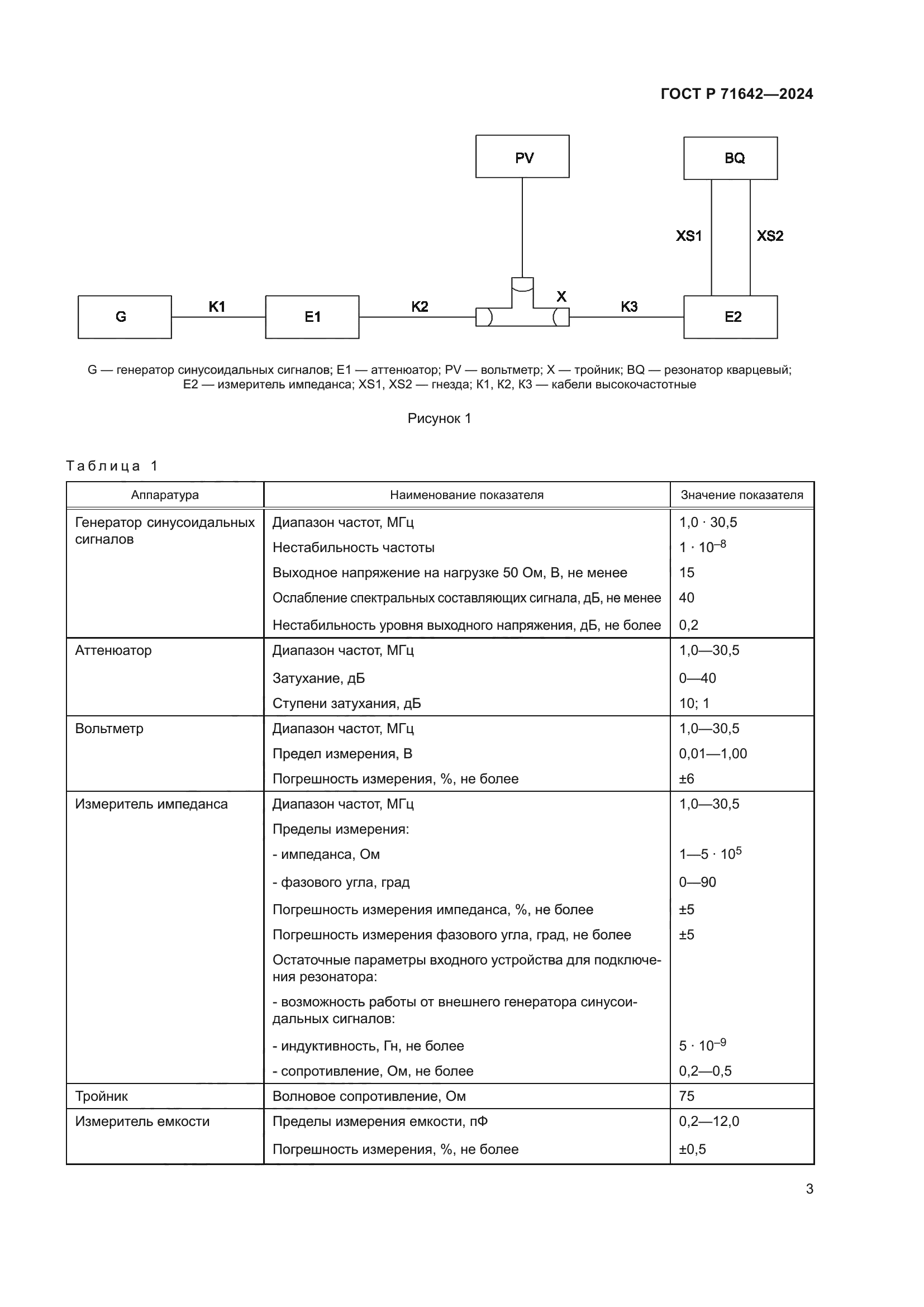
| Область применения: | Настоящий стандарт распространяется на кварцевые резонаторы (далее –резонаторы) с частотой от 1 до 30 МГц, аттестуемые с целью использования их для оперативного контроля, комплектной поверки, сличения, метрологической аттестации средств измерений динамических параметров резонаторов и устанавливает метод измерения динамической индуктивности и два метода измерения динамического сопротивления |
|