Скачать ГОСТ IEC 60947-6-1-2024 Аппаратура распределения и управления низковольтная. Часть 6-1. Аппаратура многофункциональная. Аппаратура коммутационная для переключения питания

Дата актуализации: 01.01.2026

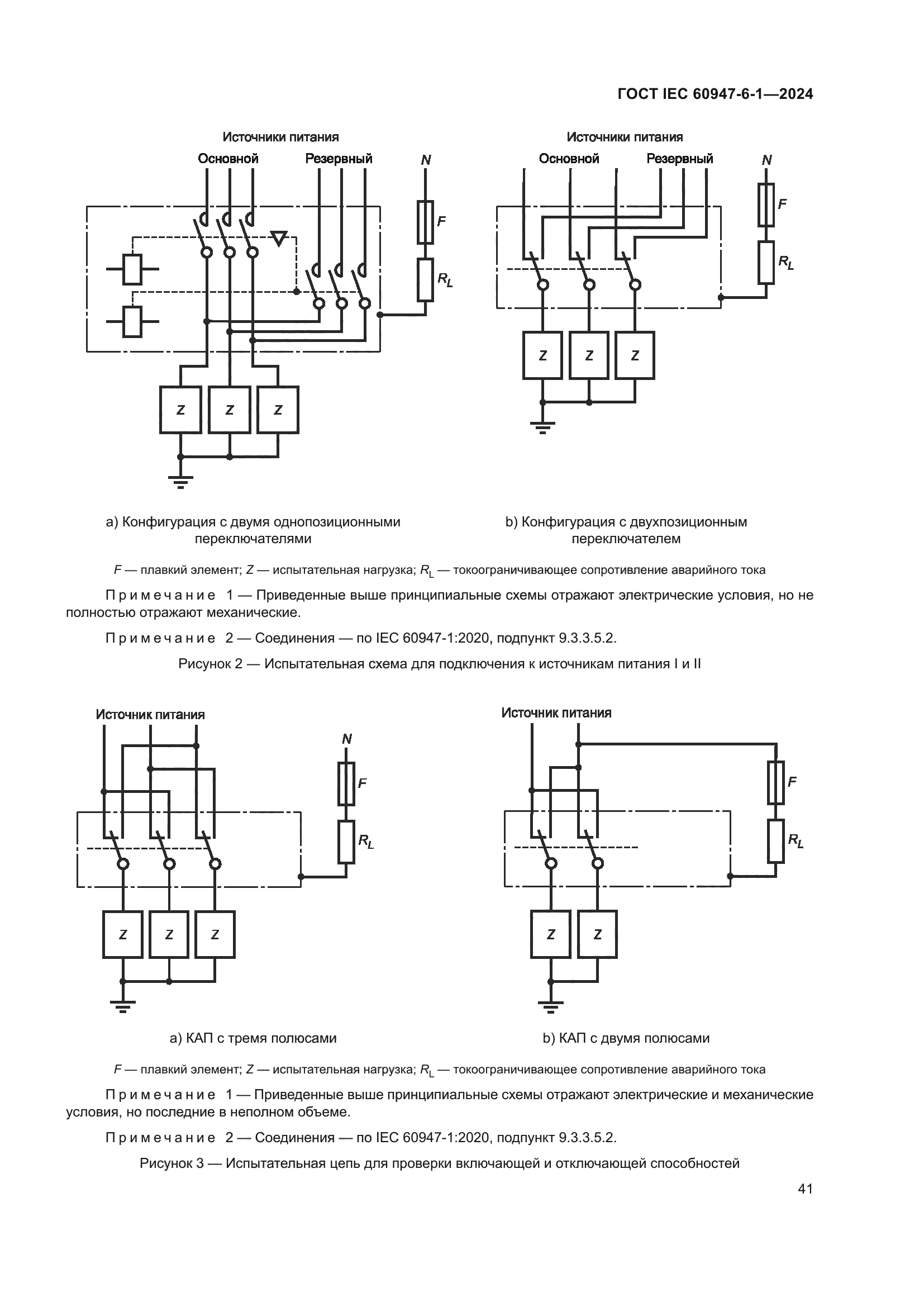
ГОСТ IEC 60947-6-1-2024

Аппаратура распределения и управления низковольтная. Часть 6-1. Аппаратура многофункциональная. Аппаратура коммутационная для переключения питания

Обозначение: ГОСТ IEC 60947-6-1-2024
Статус:действующий
Название рус.:Аппаратура распределения и управления низковольтная. Часть 6-1. Аппаратура многофункциональная. Аппаратура коммутационная для переключения питания
Название англ.:Low-voltage switchgear and controlgear. Part 6-1. Multiple function equipment. Transfer switching equipment
Дата актуализации текста:01.01.2026
Дата актуализации описания:01.12.2024
Дата регистрации:31.07.2024
Дата издания:10.10.2024
Дата введения:01.06.2025
Взамен:ГОСТ IEC 60947-6-1-2016
Аутентичен стандартам:IEС 60947-6-1(2021)
Нормативные ссылки:IEC 60068-2-2(2007);IEC 60417;IEC 60715(2017);IEC 60812;IEC 60947 (all parts);IEC 60947-1(2020);IEC 60947-2(2016);IEC 60947-2(2016)/AMD1(2019);IEC 60947-3(2020);IEC 60947-4-1(2023);IEC 61000-4-13(2002);IEC 61000-4-13(2002)/AMD1(2009);IEC 61000-4-13(2002)/AMD2(2015);CISPR 11:2015;CISPR 11:2015/AMD1:2016
Область применения:Настоящий стандарт распространяется на коммутационную аппаратуру переключения (КАП) номинальным напряжением не выше 1000 В переменного или не выше 1500 В постоянного тока, предназначенную для коммутации нагрузки между источниками питания с образованием бестоковой паузы на время переключения. Настоящий стандарта распространяется: - на коммутационную аппаратуру ручного переключения (РКАП); - коммутационную аппаратуру дистанционного переключения (ДКАП); - коммутационную аппаратуру автоматического переключения (КААП), включая контроллеры. Настоящий стандарт не распространяется: 1) на конфигурации КАП, которые не прошли испытания изготовителя и/или не промаркированы в соответствии с требованиями настоящего стандарта как коммутационный аппарат переключения; 2) вспомогательные контакты (см. IEC 60947-5-1); 3) коммутационные переключатели, используемые во взрывоопасных средах [для ознакомления см. IEC 60079 (все части)]; 4) конструкции встроенного программного обеспечения (см. IEC TR 63201); 5) аспекты кибербезопасности (см. IEC TS 63208); 6) КАП, рассчитанную на асинхронный двигатель прямого пуска исполнения NE и HE, в соответствии с IEC 60034-12:2016 (для ознакомления см. раздел «Категория применения AC-3» в соответствии с IEC 60947-4-1:2018); 7) другие рассматриваемые типы КАП, включая КАП с закрытым переходом, КАП с перекрывающей нейтрали, КАП с несколькими источниками питания (т. е. КАП с более чем двумя источниками питания), устройства управления переключением, КАП с обходным байпасом, КАП с функциями отключения нагрузки и КАП с секционным переключением. Настоящий стандарт устанавливает: 1) характеристики аппаратуры; 2) условия, которым должен удовлетворять аппарат, относительно: а) действия, для которого он предназначен, b) действия и поведения в аномальных условиях, например короткого замыкания, с) диэлектрических свойств; 3) испытания для подтверждения соответствия требованиям настоящего стандарта и методов выполнения испытаний; 4) информацию, маркируемую на аппарате и предоставляемую изготовителем
Приложение №1:Поправка к ГОСТ IEC 60947-6-1-2024
ГОСТ IEC 60947-6-1-2024ГОСТ IEC 60947-6-1-2024ГОСТ IEC 60947-6-1-2024ГОСТ IEC 60947-6-1-2024ГОСТ IEC 60947-6-1-2024ГОСТ IEC 60947-6-1-2024ГОСТ IEC 60947-6-1-2024ГОСТ IEC 60947-6-1-2024ГОСТ IEC 60947-6-1-2024ГОСТ IEC 60947-6-1-2024ГОСТ IEC 60947-6-1-2024ГОСТ IEC 60947-6-1-2024ГОСТ IEC 60947-6-1-2024ГОСТ IEC 60947-6-1-2024ГОСТ IEC 60947-6-1-2024ГОСТ IEC 60947-6-1-2024ГОСТ IEC 60947-6-1-2024ГОСТ IEC 60947-6-1-2024ГОСТ IEC 60947-6-1-2024ГОСТ IEC 60947-6-1-2024ГОСТ IEC 60947-6-1-2024ГОСТ IEC 60947-6-1-2024ГОСТ IEC 60947-6-1-2024ГОСТ IEC 60947-6-1-2024ГОСТ IEC 60947-6-1-2024ГОСТ IEC 60947-6-1-2024ГОСТ IEC 60947-6-1-2024ГОСТ IEC 60947-6-1-2024ГОСТ IEC 60947-6-1-2024ГОСТ IEC 60947-6-1-2024ГОСТ IEC 60947-6-1-2024ГОСТ IEC 60947-6-1-2024ГОСТ IEC 60947-6-1-2024ГОСТ IEC 60947-6-1-2024ГОСТ IEC 60947-6-1-2024ГОСТ IEC 60947-6-1-2024ГОСТ IEC 60947-6-1-2024ГОСТ IEC 60947-6-1-2024ГОСТ IEC 60947-6-1-2024ГОСТ IEC 60947-6-1-2024ГОСТ IEC 60947-6-1-2024ГОСТ IEC 60947-6-1-2024ГОСТ IEC 60947-6-1-2024ГОСТ IEC 60947-6-1-2024ГОСТ IEC 60947-6-1-2024ГОСТ IEC 60947-6-1-2024ГОСТ IEC 60947-6-1-2024ГОСТ IEC 60947-6-1-2024ГОСТ IEC 60947-6-1-2024ГОСТ IEC 60947-6-1-2024ГОСТ IEC 60947-6-1-2024ГОСТ IEC 60947-6-1-2024ГОСТ IEC 60947-6-1-2024ГОСТ IEC 60947-6-1-2024ГОСТ IEC 60947-6-1-2024

Поправка к ГОСТ IEC 60947-6-1-2024

Обозначение:Поправка к ГОСТ IEC 60947-6-1-2024
Дата введения:20.02.2025


Поправка к ГОСТ IEC 60947-6-1-2024