Скачать ГОСТ Р ИСО 80369-3-2024 Соединители малого диаметра для жидкостей и газов, используемые в здравоохранении. Часть 3. Частные требования к соединителям для энтерального примененияДата актуализации: 01.01.2026 ГОСТ Р ИСО 80369-3-2024
Соединители малого диаметра для жидкостей и газов, используемые в здравоохранении. Часть 3. Частные требования к соединителям для энтерального применения
| Обозначение: |  ГОСТ Р ИСО 80369-3-2024 |
| Статус: | действующий |
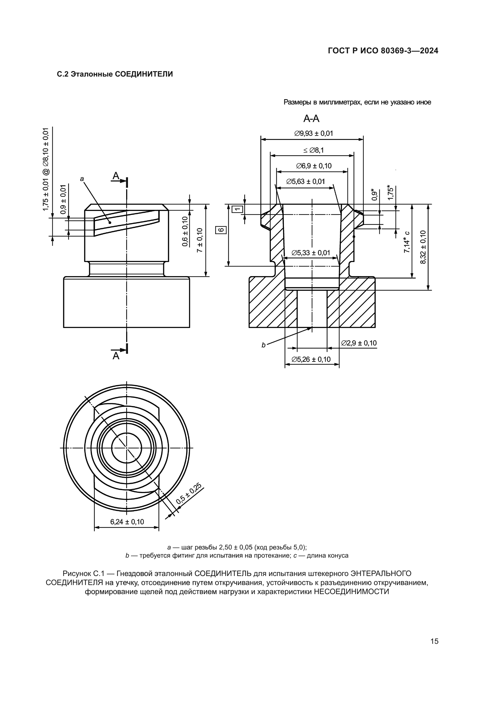
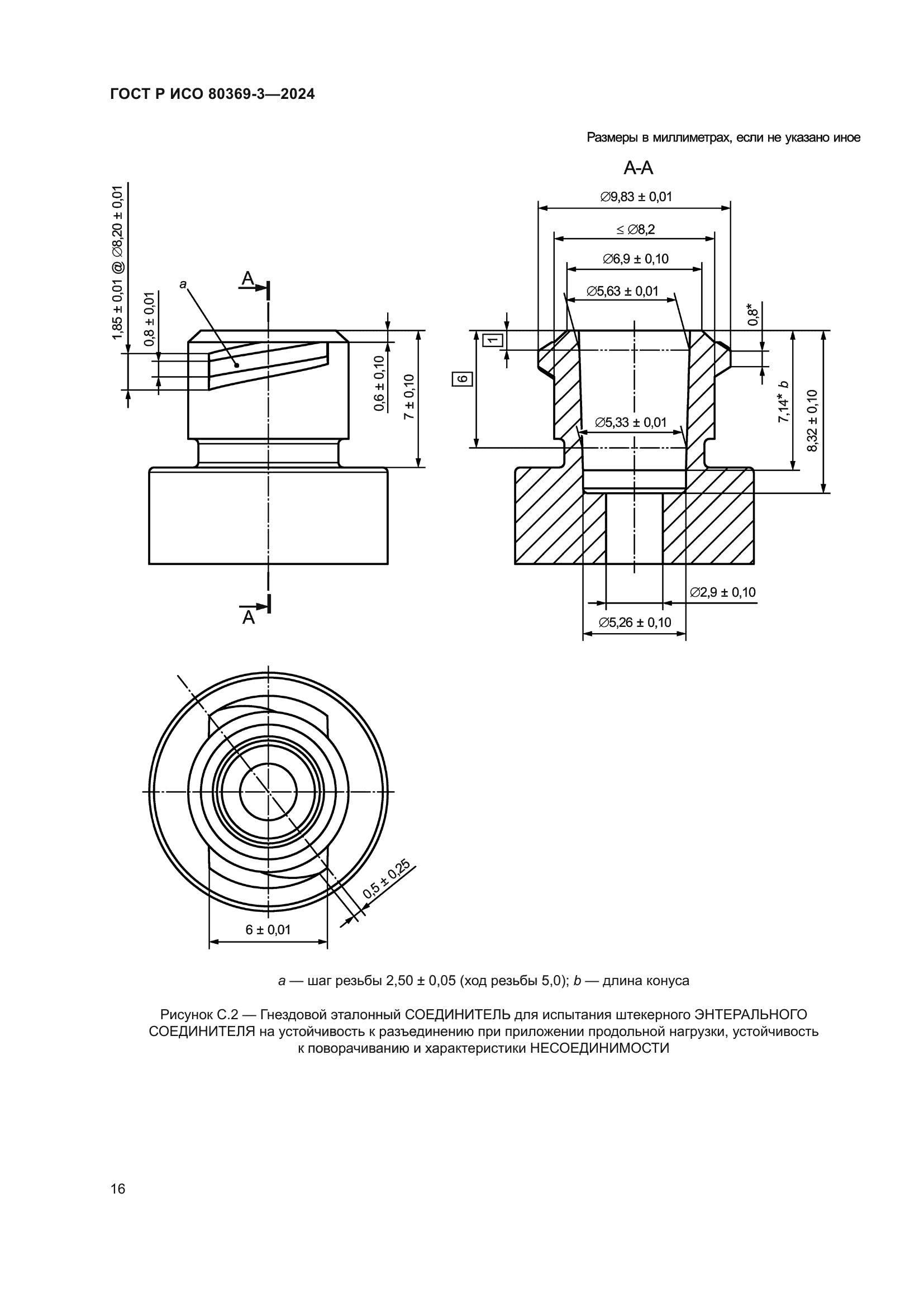
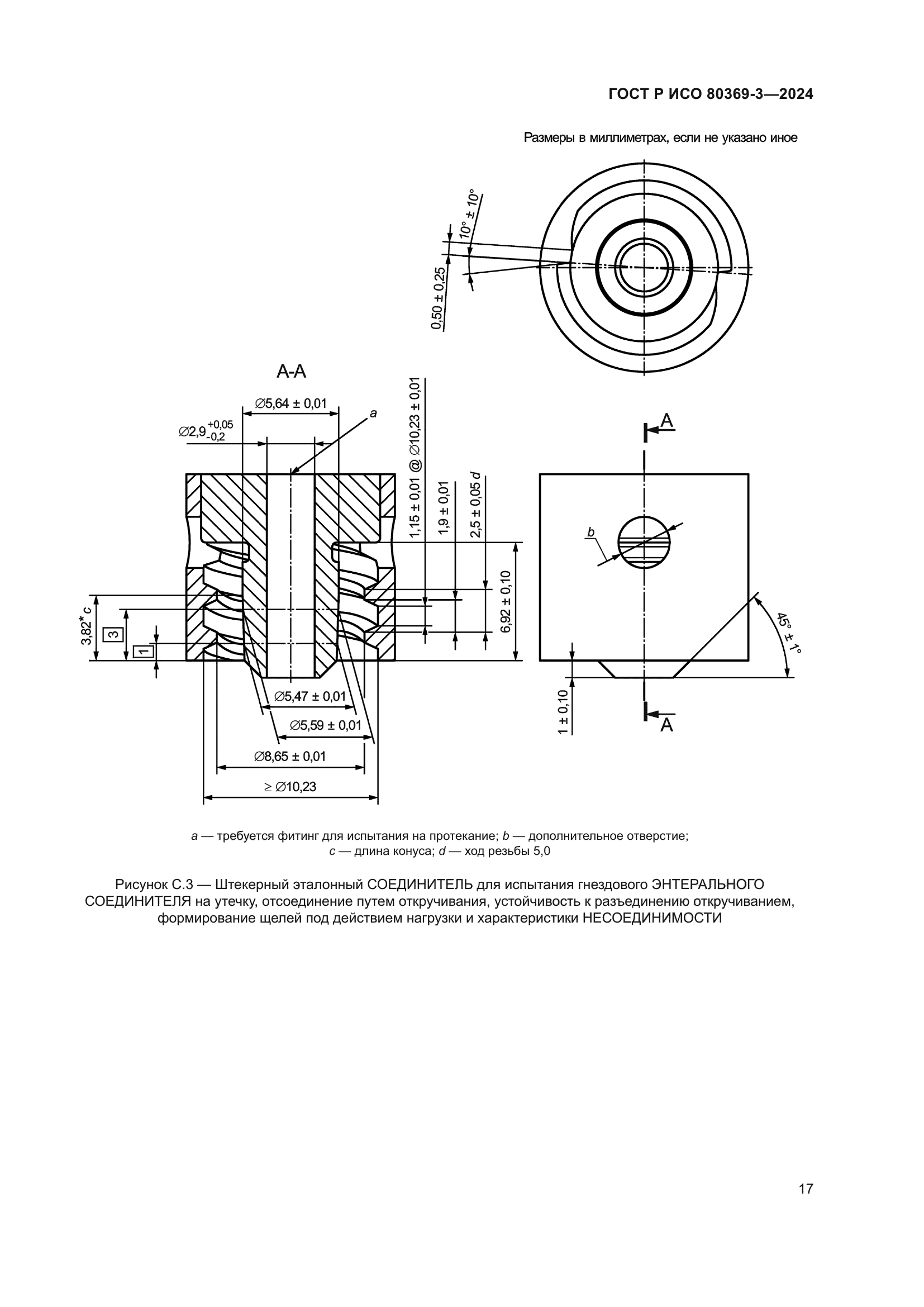
| Название рус.: | Соединители малого диаметра для жидкостей и газов, используемые в здравоохранении. Часть 3. Частные требования к соединителям для энтерального применения | | Название англ.: | Small-bore connectors for liquids and gases in healthcare applications. Part 3. Particular requirements for connectors for enteral applications | | Дата актуализации текста: | 01.12.2024 | | Дата актуализации описания: | 01.01.2026 | | Дата издания: | 30.09.2024 | | Дата введения: | 01.12.2025 | | Аутентичен стандартам: | ISO 80369-3:2016 | | Нормативные ссылки: | ISO 14971:2019;ISO 80369-1:2018;ISO 80369-6:2016;ISO 80369-7:2021;ISO 80369-20:2015;ASTM D638-10;ASTM D790-10 | | Область применения: | Настоящий стандарт устанавливает требования к конструкции и функциональным характеристикам соединителей малого диаметра, предназначенных для соединения с энтеральными медицинскими изделиями и принадлежностями. Настоящий стандарт не устанавливает требований к медицинским изделиям или принадлежностям, в которых используются данные соединители. Такие требования приведены в конкретных международных стандартах для конкретных медицинских изделий или принадлежностей. Настоящий стандарт не устанавливает требования к соединителям малого диаметра, которые используются в следующих случаях: - медицинские изделия, предназначенные только для промывания желудка; - медицинские изделия только для перорального применения; - повышение и понижение давления в механизме фиксации (например, баллоне), используемом для удержания инвазивных энтеральных медицинских изделий на месте; - оборудование для эндоскопии желудочно-кишечного тракта; - медицинские изделия для гастростомии на уровне кожи | |
                                         
|