Скачать ГОСТ Р 71355-2024 Оптика офтальмологическая. Линзы контактные. Часть 3. Методы измеренийДата актуализации: 01.06.2025 ГОСТ Р 71355-2024
Оптика офтальмологическая. Линзы контактные. Часть 3. Методы измерений
| Обозначение: |  ГОСТ Р 71355-2024 |
| Статус: | действующий |
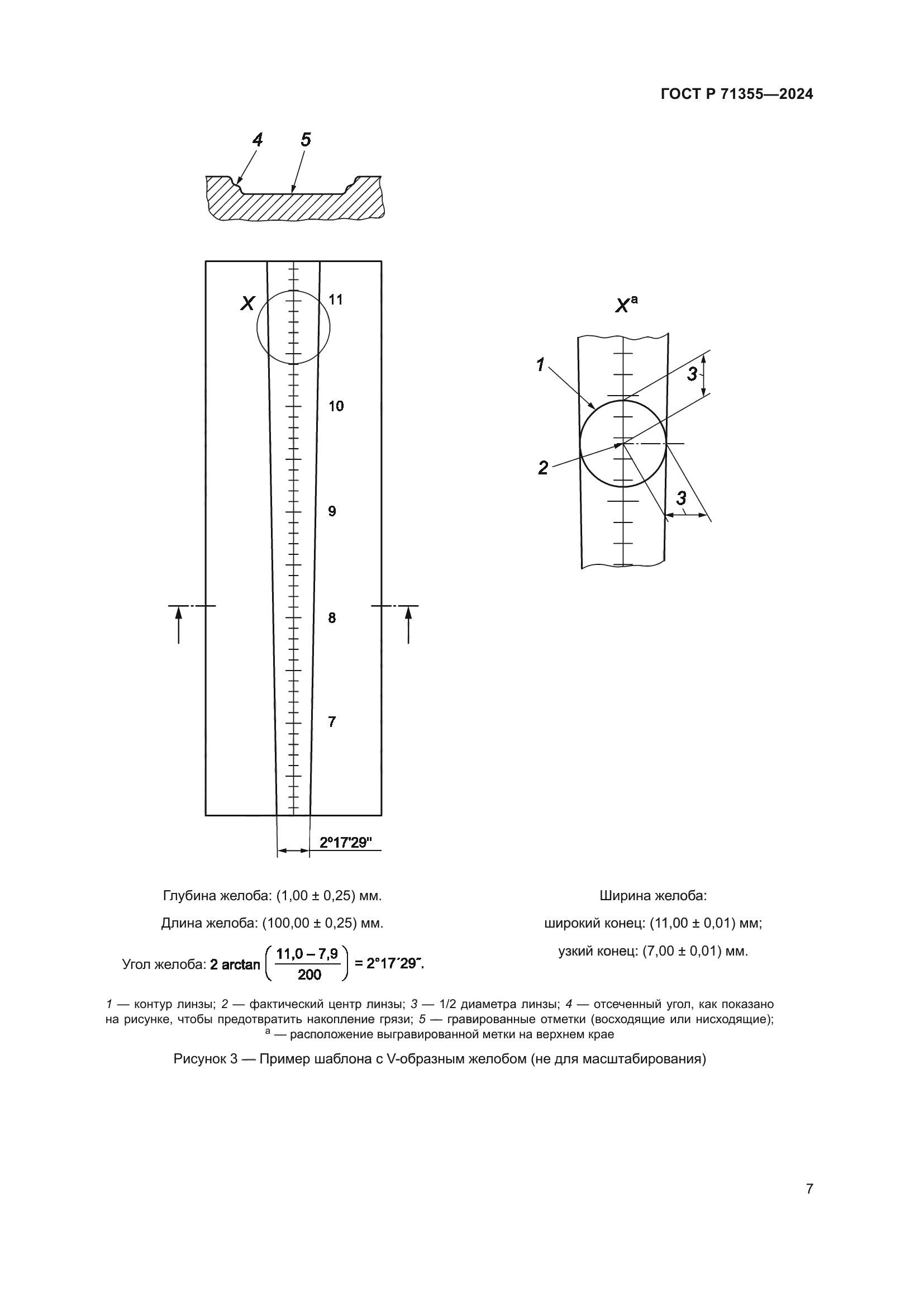
| Название рус.: | Оптика офтальмологическая. Линзы контактные. Часть 3. Методы измерений | | Название англ.: | Ophthalmic optics. Contact lenses. Part 3. Measurement methods | | Дата актуализации текста: | 01.12.2024 | | Дата актуализации описания: | 01.01.2025 | | Дата издания: | 20.09.2024 | | Дата введения: | 01.01.2025 | | Нормативные ссылки: | ГОСТ 11141; ГОСТ 15150;ГОСТ ISO 10343; ГОСТ Р 8.568; ГОСТ Р 50606; ГОСТ Р 53941; ГОСТ Р 71354; ГОСТ Р ИСО 9342-1 | | Область применения: | Настоящий стандарт распространяется на жесткие газопроницаемые контактные линзы, а также мягкие контактные линзы. Настоящий стандарт устанавливает методы измерений физических и оптических параметров контактных линз, установленных в ГОСТ Р 71354: радиуса кривизны, задней вершинной рефракции, общего диаметра, диаметра и ширины зон, толщины, проверки края, включений и дефектов поверхности, и спектрального коэффициента пропускания | |
                      
|