| Обозначение: |  ГОСТ ISO 6321-2024 |
| Статус: | действующий |
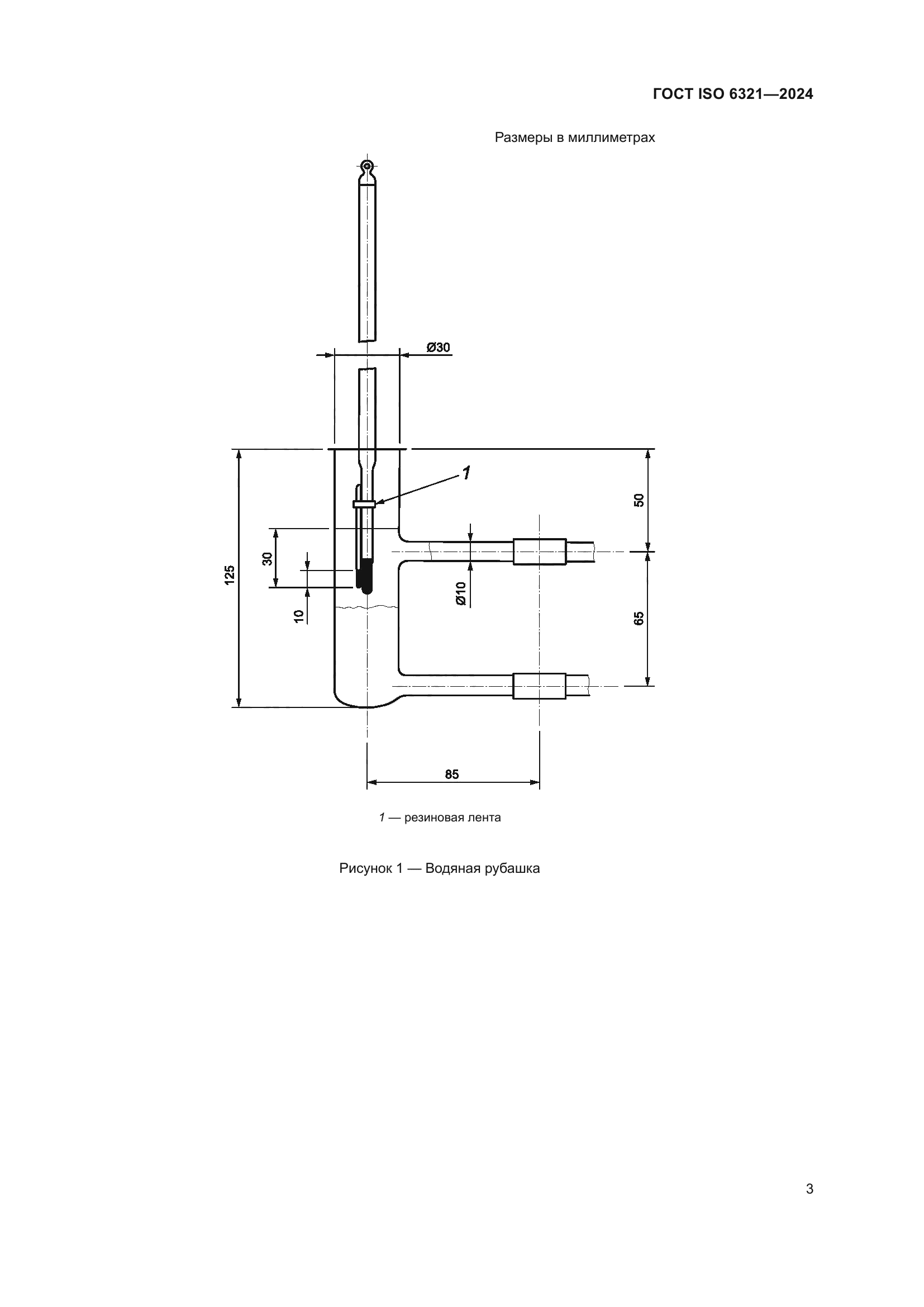
| Название рус.: | Жиры и масла животные и растительные. Определение температуры плавления в открытых капиллярах. Температура скольжения |
| Название англ.: | Animal and vegetable fats and oils. Determination of melting point in open capillary tubes. Slip point |
| Дата актуализации текста: | 01.12.2024 |
| Дата актуализации описания: | 01.06.2025 |
| Дата регистрации: | 31.07.2024 |
| Дата издания: | 13.08.2024 |
| Дата введения: | 01.04.2025 |
| Взамен: | ГОСТ ISO 6321-2019 |
| Аутентичен стандартам: | ISO 6321:2021 |
| Нормативные ссылки: | ISO 661 |
| Область применения: | Настоящий стандарт устанавливает два метода определения температуры плавления в открытых капиллярах, широко известной как температура плавления (скольжения), животных и растительных жиров и масел (далее – жиры). Метод А применим только к животным и растительным жирам, которые при комнатной температуре находятся в твердом состоянии и не проявляют выраженного полиморфизма. Метод В применим ко всем животным и растительным жирам, которые при комнатной температуре находятся в твердом состоянии и свойства полиморфизма которых неизвестны. Метод определения температуры плавления проб пальмовогомасла приведен в приложении А |
|