Скачать ГОСТ Р 71305-2024 Вставки режущие, оснащенные поликристаллами твердого нитрида бора, для торцовых насадных фрез. Основные размерыДата актуализации: 01.01.2026 ГОСТ Р 71305-2024
Вставки режущие, оснащенные поликристаллами твердого нитрида бора, для торцовых насадных фрез. Основные размеры
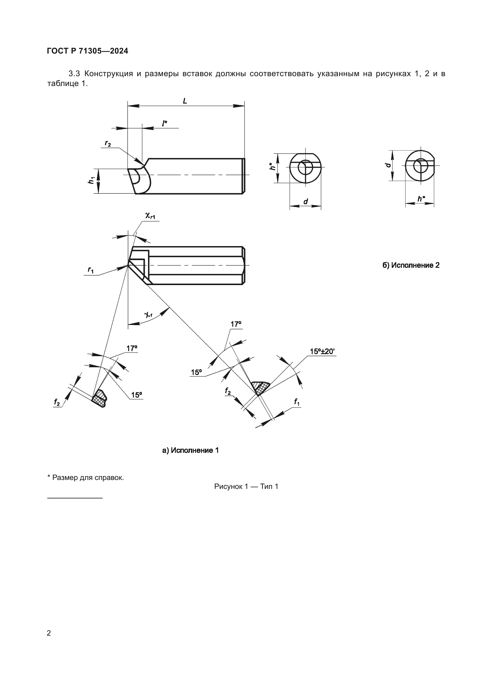
| Обозначение: |  ГОСТ Р 71305-2024 |
| Статус: | действующий |
| Название рус.: | Вставки режущие, оснащенные поликристаллами твердого нитрида бора, для торцовых насадных фрез. Основные размеры | | Название англ.: | Cutting inserts with solid polycrystals boron nitride for face milling cutters. Basic dimensions | | Дата актуализации текста: | 01.06.2024 | | Дата актуализации описания: | 01.01.2026 | | Дата издания: | 27.04.2024 | | Дата введения: | 01.07.2025 | | Нормативные ссылки: | ГОСТ 9.306; ГОСТ 2789; ГОСТ 4543; ГОСТ 18088; ГОСТ 19738 | | Область применения: | Настоящий стандарт распространяется на режущие вставки, оснащенные поликристаллами твердого нитрида бора, для торцовых насадных фрез (далее – вставки), и устанавливает их основные размеры | |
      
|