Скачать ГОСТ Р 71306-2024 Фрезы торцовые насадные со вставками, оснащенными поликристаллами твердого нитрида бора. Основные размерыДата актуализации: 01.01.2026 ГОСТ Р 71306-2024
Фрезы торцовые насадные со вставками, оснащенными поликристаллами твердого нитрида бора. Основные размеры
| Обозначение: |  ГОСТ Р 71306-2024 |
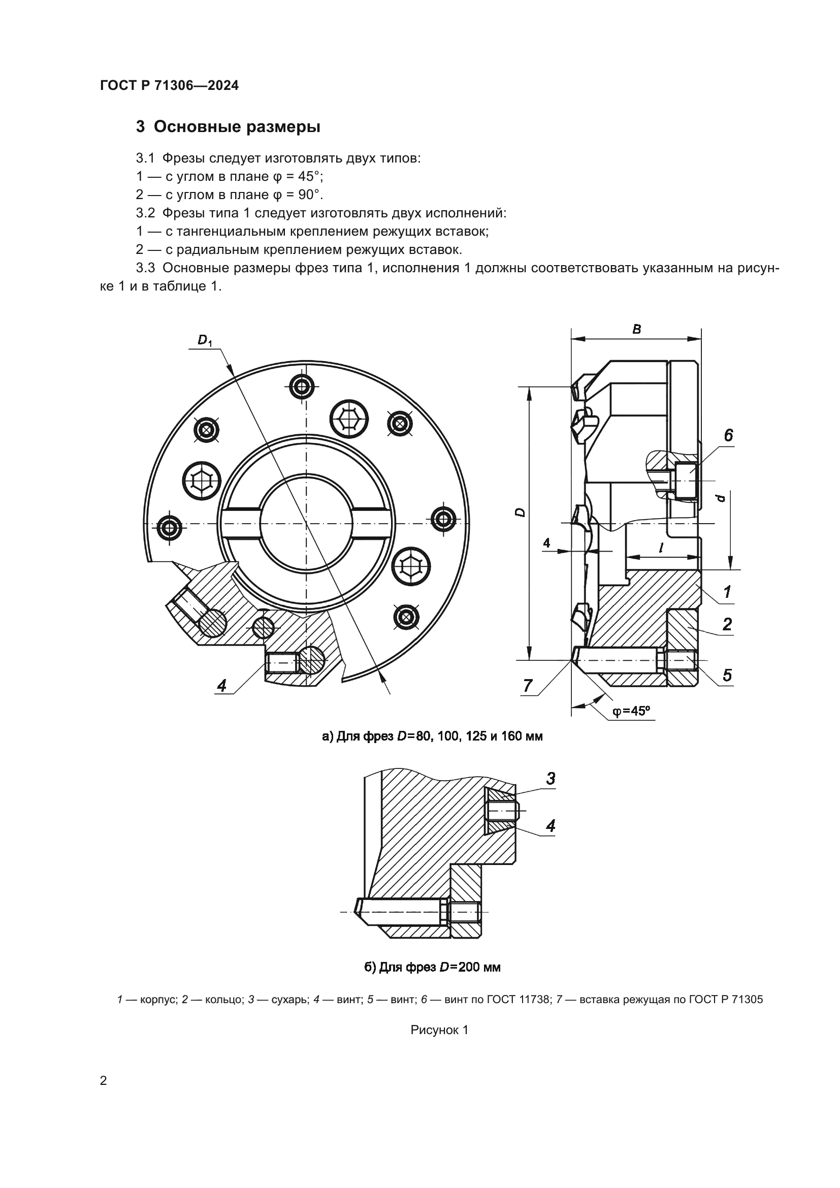
| Статус: | действующий |
| Название рус.: | Фрезы торцовые насадные со вставками, оснащенными поликристаллами твердого нитрида бора. Основные размеры | | Название англ.: | Face milling cutters with inserts, equipped with solid polycrystals boron nitride. Basic dimensions | | Дата актуализации текста: | 01.06.2024 | | Дата актуализации описания: | 01.01.2026 | | Дата издания: | 25.04.2024 | | Дата введения: | 01.07.2025 | | Нормативные ссылки: | ГОСТ 9.306; ГОСТ 1050; ГОСТ 2789; ГОСТ 4543; ГОСТ 9472; ГОСТ 11738; ГОСТ 16093; ГОСТ 24705; ГОСТ Р 58583; ГОСТ Р 71305 | | Область применения: | Настоящий стандарт распространяется на торцовые насадные фрезы (далее – фрезы) со вставками, оснащенными поликристаллами твердого нитрида бора, с углами ф=45° и ф=90°, предназначенные для обработки плоских поверхностей деталей из высокопрочных чугунов, сталей твердостью 41,5 – 61 HRC, металлокерамики на основе железа, стеклопластиков, алюминиевых и медных сплавов, и устанавливает их основные размеры | |
                  
|