| Обозначение: |  ГОСТ ISO 7135-2014 |
| Статус: | действующий |
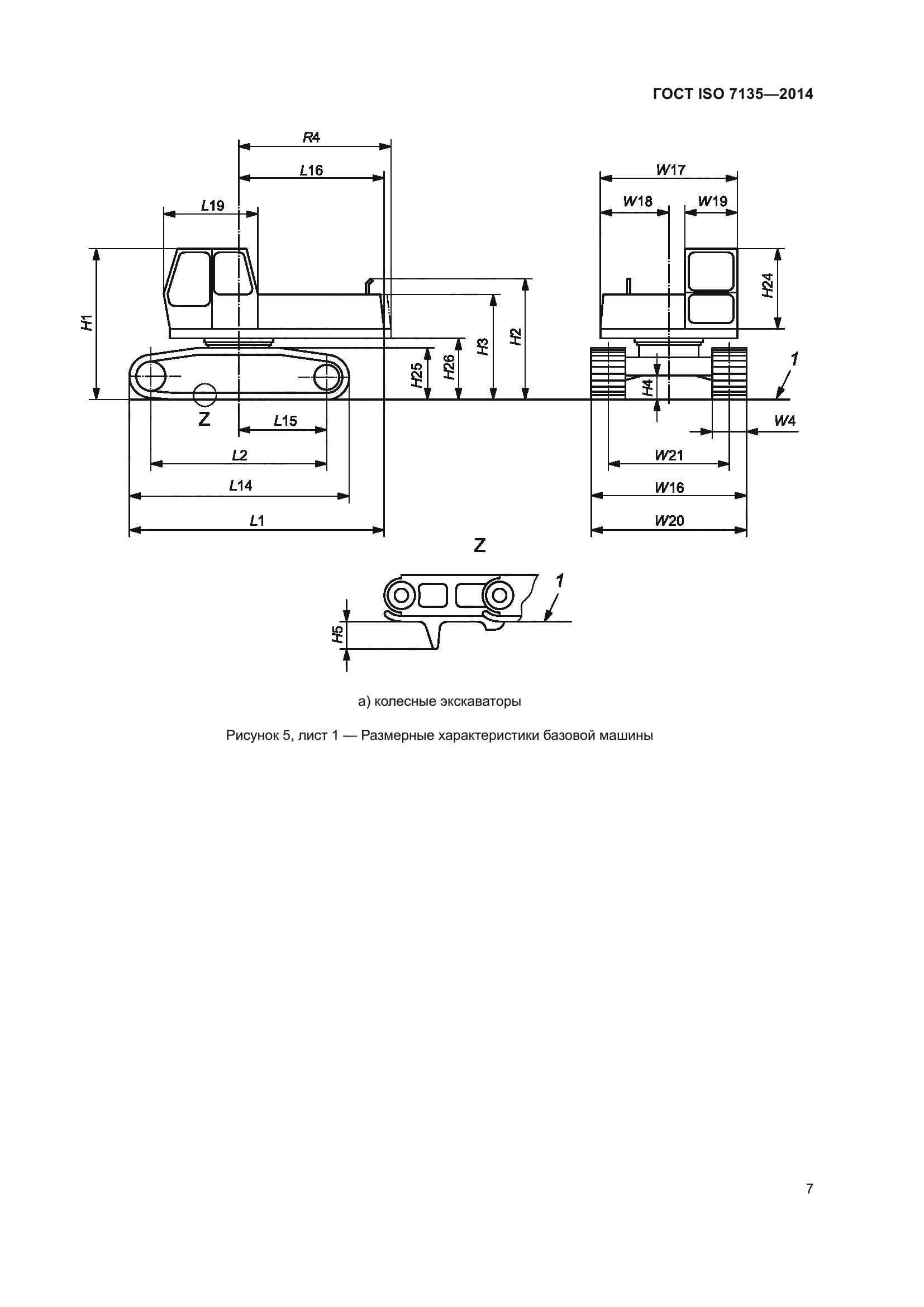
| Название рус.: | Машины землеройные. Гидравлические экскаваторы. Термины, определения и технические характеристики для коммерческой документации |
| Название англ.: | Earth-moving machinery. Hydraulic excavators. Terminology and commercial specifications |
| Дата актуализации текста: | 01.06.2024 |
| Дата актуализации описания: | 01.01.2025 |
| Дата регистрации: | 14.11.2014 |
| Дата издания: | 26.02.2024 |
| Дата введения: | 01.01.2025 |
| Аутентичен стандартам: | ISO 7135:2009 |
| Нормативные ссылки: | ISO 3450:2011;ISO 5010:2007;ISO 6014:1986;ISO 6015:2006;ISO 6165:2006;ISO 6746-1:2003;ISO 6746-2:2003;ISO 9249:2007;ISO 10265:2008;ISO 14396:2002; ГОСТ Р ИСО 3450-99; ГОСТ Р ИСО 6015-2010; ГОСТ Р ИСО 6165-2010 |
| Область применения: | Настоящий стандарт устанавливает термины, определения и содержание технических характеристик для коммерческой документации самоходных гусеничных, колесных гидравлических экскаваторов, а также рабочее и сменное оборудование. Настоящий стандарт применяется для общих составных частей и не рассматривает термины или технические характеристики для коммерческой документации на шагающие экскаваторы |
|