Скачать ГОСТ ISO 13459-2014 Машины землеройные. Сиденье инструктора. Объем ограничения деформации, рабочее пространство и технические требованияДата актуализации: 01.06.2025 ГОСТ ISO 13459-2014
Машины землеройные. Сиденье инструктора. Объем ограничения деформации, рабочее пространство и технические требования
| Обозначение: |  ГОСТ ISO 13459-2014 |
| Статус: | действующий |
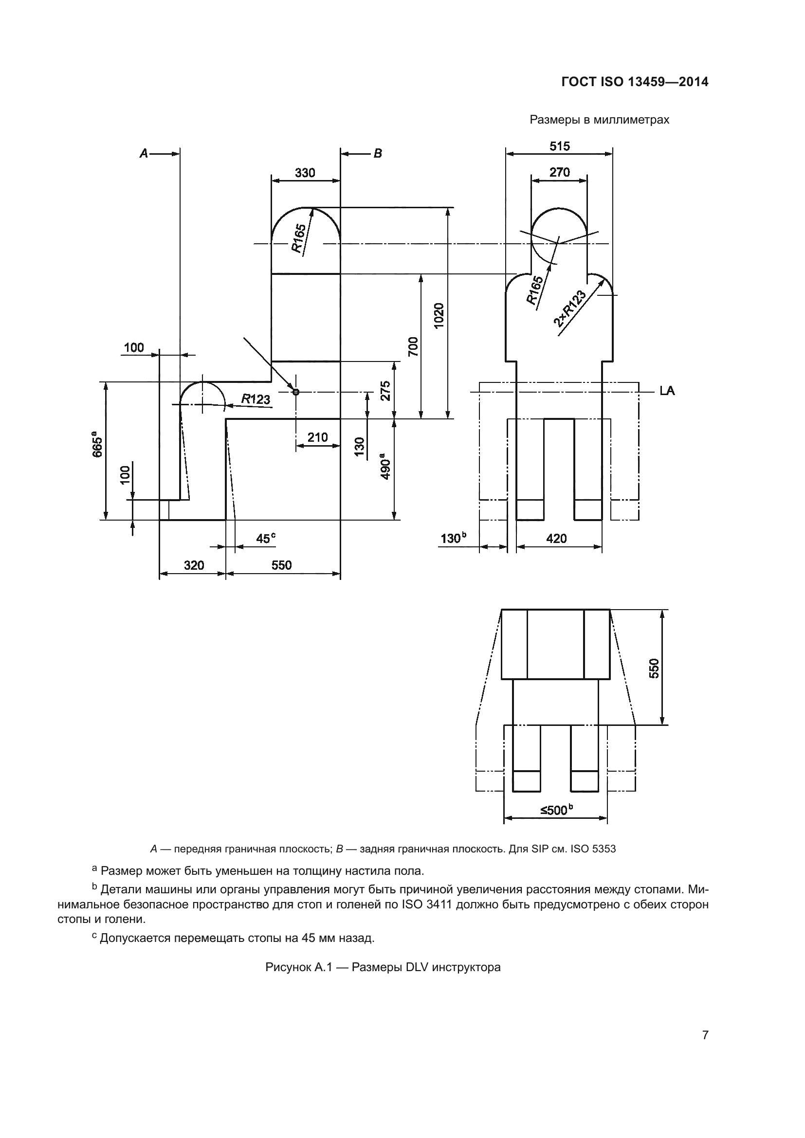
| Название рус.: | Машины землеройные. Сиденье инструктора. Объем ограничения деформации, рабочее пространство и технические требования | | Название англ.: | Earth-moving machinery. Trainer seat. Deflection limiting volume, space envelope and performance requirements | | Дата актуализации текста: | 01.06.2024 | | Дата актуализации описания: | 01.01.2025 | | Дата регистрации: | 14.11.2014 | | Дата издания: | 16.02.2024 | | Дата введения: | 01.01.2025 | | Аутентичен стандартам: | ISO 13459:2012 | | Нормативные ссылки: | ISO 2867:2011;ISO 3411:2007;ISO 3449:2005;ISO 3471:2008;ISO 5006:2006;ISO 5353:1995;ISO 6165:2012;ISO 6683:2005;ISO 9248:1992;ISO 10262:1998;ISO 12117-2:2008;ISO 20474-1:2008 | | Область применения: | Настоящий стандарт устанавливает объем ограничения деформации, рабочее пространство и технические требования для сиденья инструктора, а также размеры, используемые при проведении лабораторных испытаний защитных устройств на землеройных машинах по ISO 6165. Воздействия вибрации не рассматриваются как существенный риск для сидений, предназначенных для временного использования и, следовательно, вне области применения настоящего стандарта | |
              
|