Скачать ГОСТ Р 71176-2023 Высокоэффективные фильтры очистки воздуха ЕРА, HEPA и ULPA. Часть 1. Классификация, методы испытаний, маркировкаДата актуализации: 01.01.2026 ГОСТ Р 71176-2023
Высокоэффективные фильтры очистки воздуха ЕРА, HEPA и ULPA. Часть 1. Классификация, методы испытаний, маркировка
| Обозначение: |  ГОСТ Р 71176-2023 |
| Статус: | действующий |
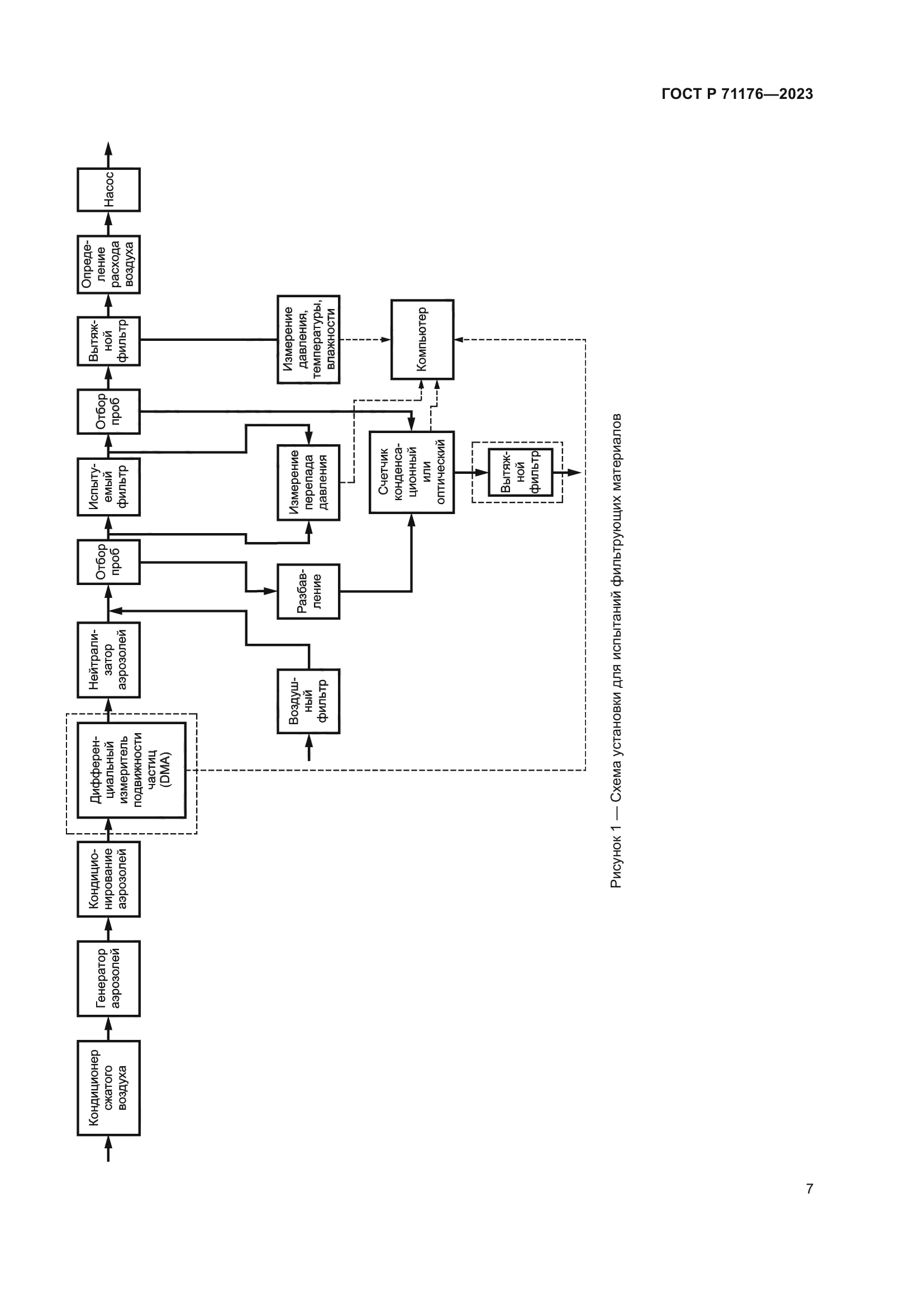
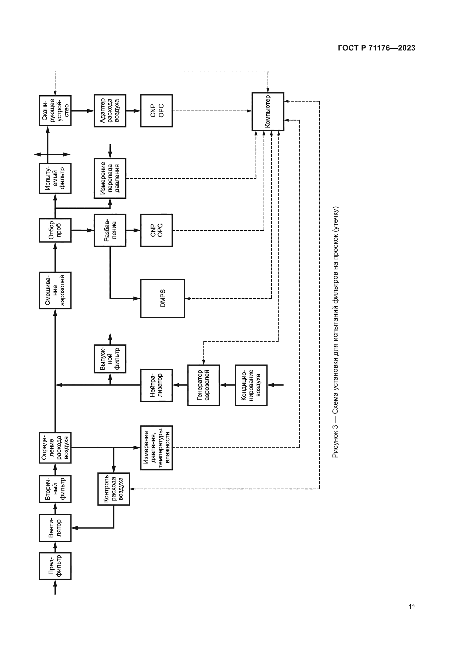
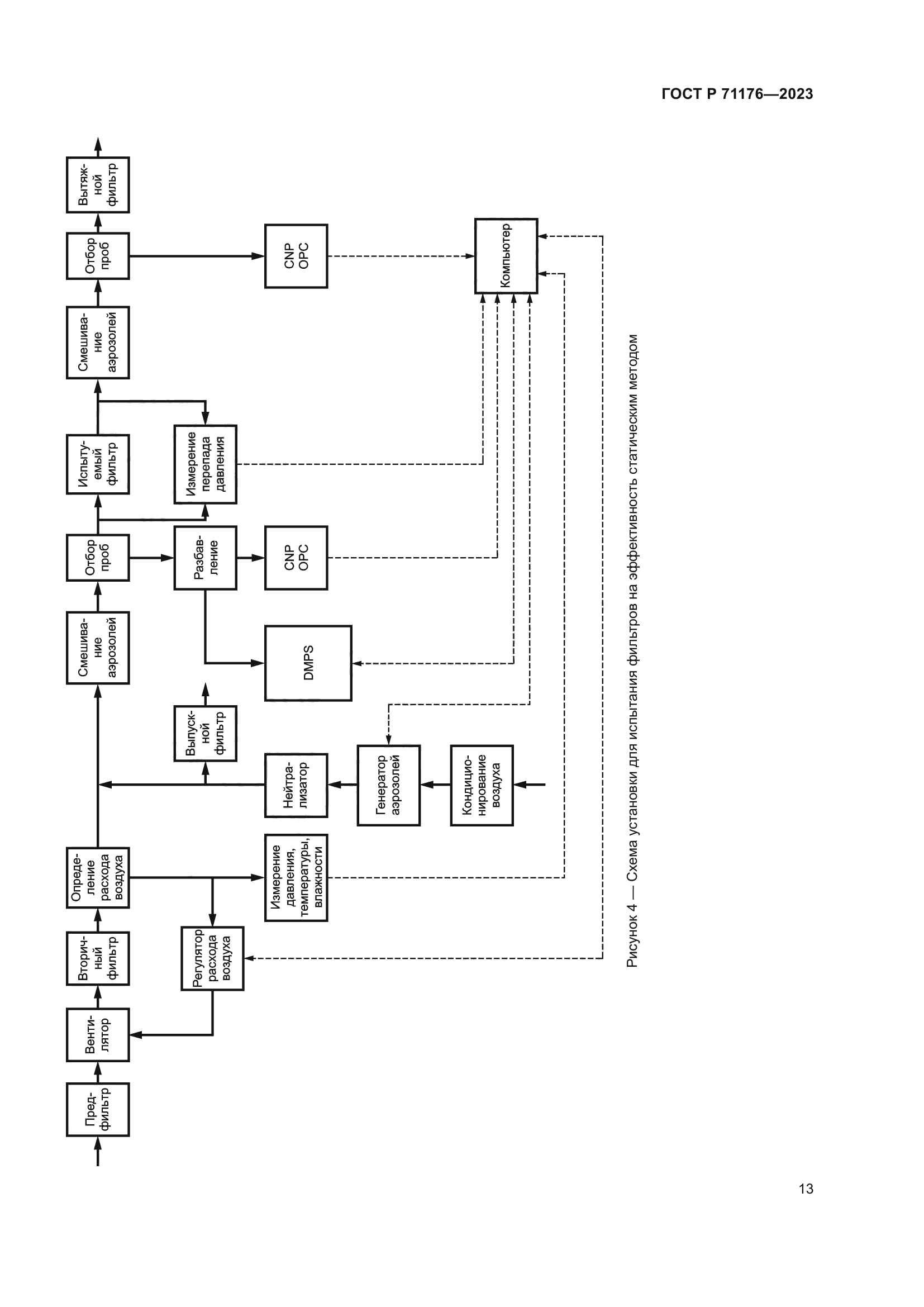
| Название рус.: | Высокоэффективные фильтры очистки воздуха ЕРА, HEPA и ULPA. Часть 1. Классификация, методы испытаний, маркировка | | Название англ.: | High efficiency air filters ЕРА, HEPA and ULPA. Part 1. Classification, performance testing, marking | | Дата актуализации текста: | 01.06.2024 | | Дата актуализации описания: | 01.01.2026 | | Дата издания: | 18.01.2024 | | Дата введения: | 30.12.2025 | | Взамен: | ГОСТ Р ЕН 1822-1-2010 | | Аутентичен стандартам: | EN 1822-1:2019 | | Нормативные ссылки: | ISO 2859-1;EN ISO 29463-2:2018;EN ISO 29463-3-2018;EN ISO 29463-4:2018;EN ISO 29463-5:2018;EN 14799;EN ISO 5167-1 | | Область применения: | Настоящий стандарт устанавливает требования к высокоэффективным и сверхвысокоэффективным фильтрам очистки воздуха по частицам ЕРА, HEPA и ULPA, применяемым в системах вентиляции и кондиционирования воздуха и в технологических системах, например в чистых помещениях и фармацевтической промышленности. Настоящий стандарт содержит методику определения эффективности фильтров с использованием контрольного аэрозоля с жидкими частицами (или аэрозоля с твердыми частицами) и счетчика частиц и устанавливает классификацию фильтров по показателям эффективности (локальной и интегральной) | |
                      
|