| Обозначение: |  ГОСТ 34984-2023 |
| Статус: | действующий |
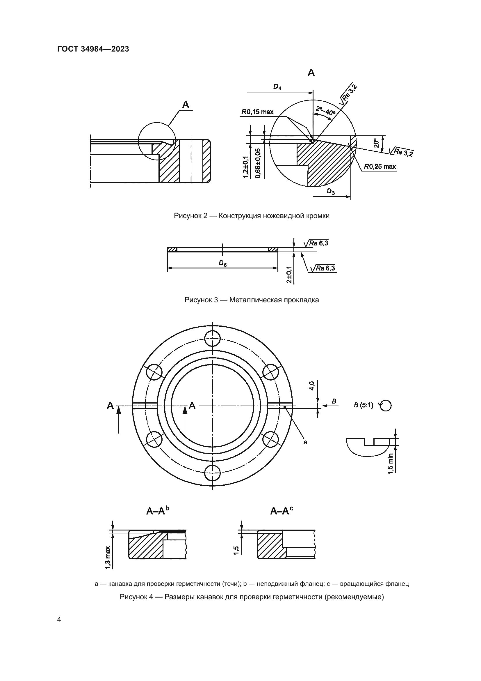
| Название рус.: | Вакуумная технология. Размеры фланцев с ножевидной кромкой |
| Название англ.: | Vacuum technology. Dimensions of knife-edge flanges |
| Дата актуализации текста: | 01.06.2024 |
| Дата актуализации описания: | 01.01.2024 |
| Дата регистрации: | 28.07.2023 |
| Дата издания: | 10.10.2023 |
| Дата введения: | 01.12.2023 |
| Взамен: | ГОСТ ISO 3669-2014 |
| Содержит требования: | ISО 3669:2020 |
| Нормативные ссылки: | ГОСТ 16093 |
| Область применения: | Настоящий стандарт устанавливает размеры неподвижных или вращающихся фланцев с ножевидной кромкой, соединенных болтами, которые используют в вакуумных системах в диапазоне давлений от атмосферного до 10–11 Па |
| Приложение №1: | Поправка к ГОСТ 34984-2023 |
|