| Обозначение: |  ГОСТ Р 51325.2.2-99 |
| Статус: | отменён |
| Название рус.: | Соединители электрические бытового и аналогичного назначения. Часть 2-2. Дополнительные требования к вилкам и розеткам для взаимного соединения в приборах и методы испытаний |
| Название англ.: | Appliance couplers for household and similar general purposes. Part 2-2. Particular requirements for interconnection couplers for household and similar equipment. Requirements and methods of tests |
| Дата актуализации текста: | 06.04.2015 |
| Дата актуализации описания: | 01.07.2023 |
| Дата издания: | 17.05.2000 |
| Дата введения: | 01.01.2001 |
| Дата окончания срока действия: | 01.01.2014 |
| Код ОКП: | 346400 |
| Содержит требования: | IEC 60320-2-2(1998) |
| На территории РФ пользоваться: | ГОСТ 30851.2.2-2002 |
| Нормативные ссылки: | ГОСТ 7396.1-89; ГОСТ 24643-81; ГОСТ Р МЭК 245-1-97; ГОСТ Р МЭК 536-94; ГОСТ Р 51325.1-99; ГОСТ Р МЭК 60227-1-99 |
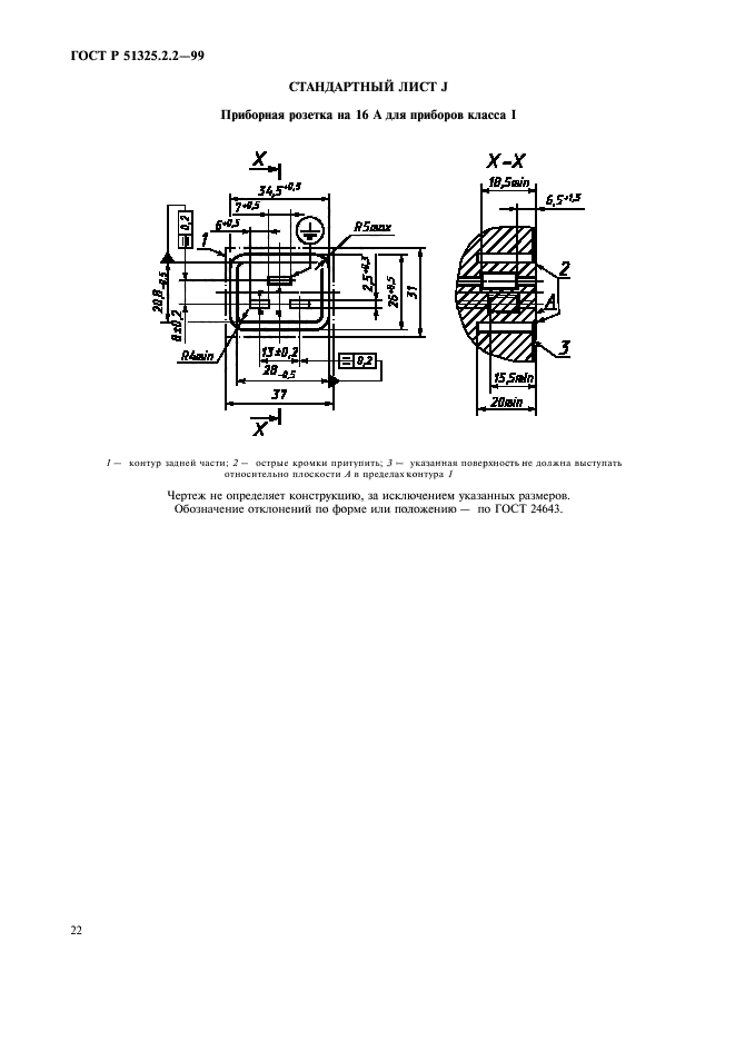
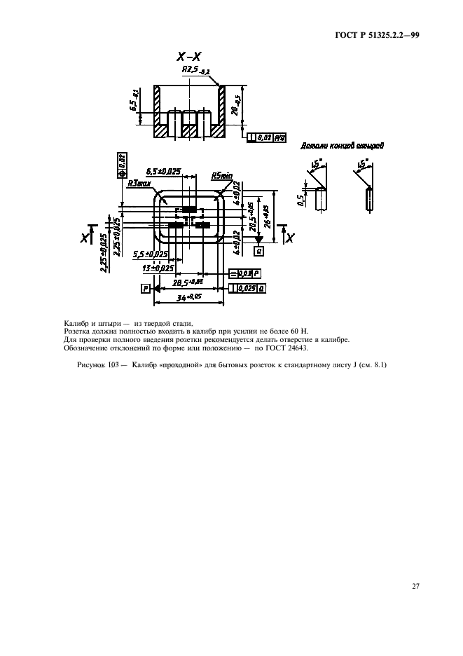
| Область применения: | Настоящий стандарт распространяется на вилки и розетки, предназначенные для присоединения гибкого провода с заземляющим контактом к бытовым и аналогичным приборам классов I и II на номинальное напряжение не выше 250 В, номинальный ток не более 16 А и частоту 50 или 60 Гц |
| Список изменений: | №0 от 01.01.2014 (рег. 15.11.2012) «Текстовое изменение; Изменено заглавие» |
|