| Обозначение: |  ГОСТ 19308-98 |
| Статус: | действующий |
| Название рус.: | Изложницы центробежные с фланцем и центробежными замками. Конструкция и размеры |
| Название англ.: | Centrifugal moulds with flange and centrifugal locks. Construction and dimensions |
| Дата актуализации текста: | 06.04.2015 |
| Дата актуализации описания: | 01.07.2023 |
| Дата регистрации: | 12.11.1998 |
| Дата издания: | 06.10.1999 |
| Дата введения: | 01.01.2000 |
| Код ОКП: | 396660 |
| Взамен: | ГОСТ 19308-73 |
| Нормативные ссылки: | ГОСТ 977-88; ГОСТ 1412-85; ГОСТ 5915-70; ГОСТ 7293-85; ГОСТ 7798-70; ГОСТ 19310-98; ГОСТ 19311-98; ГОСТ 19313-98; ГОСТ 19315-98; ГОСТ 19316-98 |
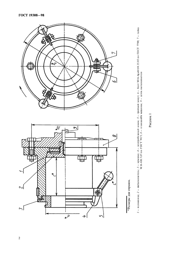
| Область применения: | Настоящий стандарт распространяется на центробежные изложницы с фланцем и центробежными замками для однопозиционных машин центробежного литья консольного типа с горизонтальной осью вращения, предназначенные для изготовления втулок из стали, чугуна и цветных сплавов |
|