| Обозначение: |  ГОСТ Р 51317.4.12-99 |
| Статус: | отменён |
| Название рус.: | Совместимость технических средств электромагнитная. Устойчивость к колебательным затухающим помехам. Требования и методы испытаний |
| Название англ.: | Electromagnetic compatibility of technical equipment. Oscillatory waves immunity. Requirements and test methods |
| Дата актуализации текста: | 06.04.2015 |
| Дата актуализации описания: | 01.07.2023 |
| Дата издания: | 23.03.2000 |
| Дата введения: | 01.01.2001 |
| Дата окончания срока действия: | 01.06.2017 |
| Содержит требования: | IEC 61000-4-12(1995) |
| На территории РФ пользоваться: | ГОСТ IEC 61000-4-12-2016 |
| Нормативные ссылки: | ГОСТ Р 8.568-97; ГОСТ 13109-97; ГОСТ 30372-95; ГОСТ Р 51318.22-99 |
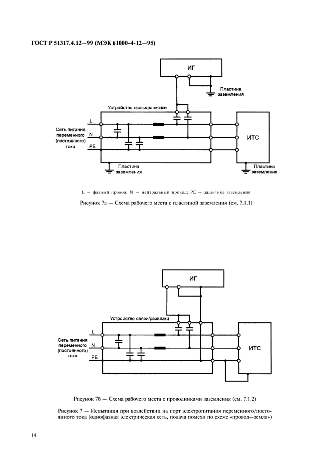
| Область применения: | Настоящий стандарт распространяется на электротехнические, электронные и радиоэлектронные изделия и оборудование и устанавливает требования и методы испытаний технических средств на устойчивость к воздействию на них в условиях эксплуатации колебательных затухающих помех |
| Список изменений: | №0 от 31.05.2017 (рег. 20.10.2016) «Текстовое изменение; Изменено заглавие» |
|