| Обозначение: |  ГОСТ 5089-2003 |
| Статус: | заменён |
| Название рус.: | Замки и защелки для дверей. Технические условия |
| Название англ.: | Locks and latches for doors. Specifications |
| Дата актуализации текста: | 06.04.2015 |
| Дата актуализации описания: | 01.07.2023 |
| Дата регистрации: | 14.05.2003 |
| Дата издания: | 08.07.2004 |
| Дата введения: | 01.03.2004 |
| Дата окончания срока действия: | 01.01.2013 |
| Код ОКП: | 498000 |
| Взамен: | ГОСТ 5089-97 |
| Заменяющий: | ГОСТ 5089-2011 |
| Нормативные ссылки: | ГОСТ 9.303-84; ГОСТ 538-2001; ГОСТ 1145-80; ГОСТ 1146-80; ГОСТ 4784-97; ГОСТ 5221-77; ГОСТ 5222-72; ГОСТ 17474-80; ГОСТ 17475-80; ГОСТ 18143-72; ГОСТ 19091-2000; ГОСТ 19424-97; ГОСТ 25140-93; ГОСТ Р 52582-2006 |
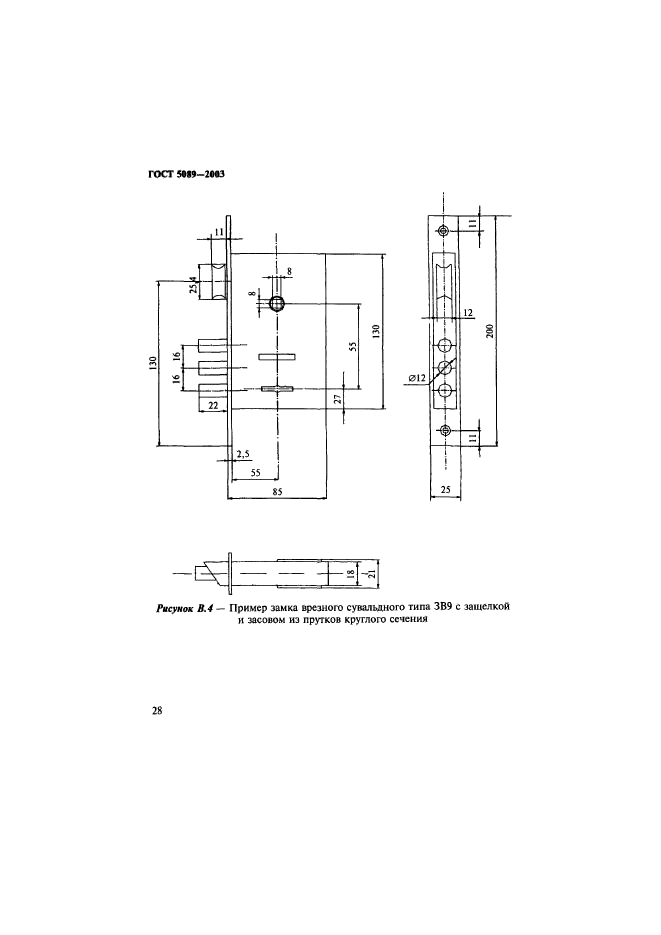
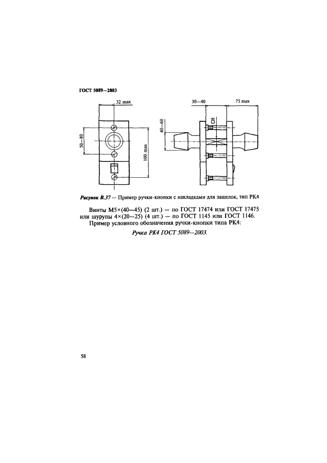
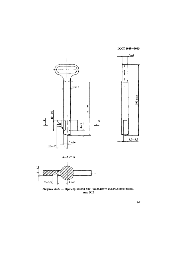
| Область применения: | Настоящий стандарт распространяется на врезные и накладные замки с различными механизмами секретности, цилиндровые механизмы и защелки для дверей из различных материалов, применяемых в жилых, общественных и производственных зданиях |
| Список изменений: | №0 от 03.09.2007 (рег. 03.09.2007) «Дата введения перенесена» |
| Приложение №1: | Поправка к ГОСТ 5089-2003 |
|