| Обозначение: |  ГОСТ Р 70609-2022 |
| Статус: | действующий |
| Название рус.: | Единая энергетическая система и изолированно работающие энергосистемы. Релейная защита и автоматика. Автоматические регуляторы возбуждения сильного действия синхронных генераторов. Испытания и проверка параметров настройки |
| Название англ.: | United power system an disolated power systems. Relay protection and automation. Automatic voltage regulators of strong action of synchronous generators. Testing and checking the settings |
| Дата актуализации текста: | 01.07.2023 |
| Дата актуализации описания: | 01.07.2023 |
| Дата издания: | 25.01.2023 |
| Дата введения: | 01.02.2023 |
| Нормативные ссылки: | ГОСТ 21558 |
| Область применения: | Настоящий стандарт устанавливает: - требования к проведению проверки и корректировки выбранных параметров настройки автоматических регуляторов возбуждения сильного действия синхронных генераторов (далее – АРВ сильного действия) на моделях энергосистемы, включая методики проверки параметров настройки АРВ сильного действия на физической и цифровой моделях энергосистемы, а также на математической модели энергосистемы с использованием цифрового программно-аппаратного комплекса моделирования энергосистем в режиме реального времени (далее – ПАК РВ); - требования к проведению испытаний АРВ сильного действия и их алгоритмов функционирования, реализующих законы управления указанных АРВ (далее – алгоритмы функционирования АРВ сильного действия), включая методику проведения таких испытаний на физической и математической моделях энергосистем с использованием ПАК РВ. Настоящий стандарт распространяется на АРВ сильного действия |
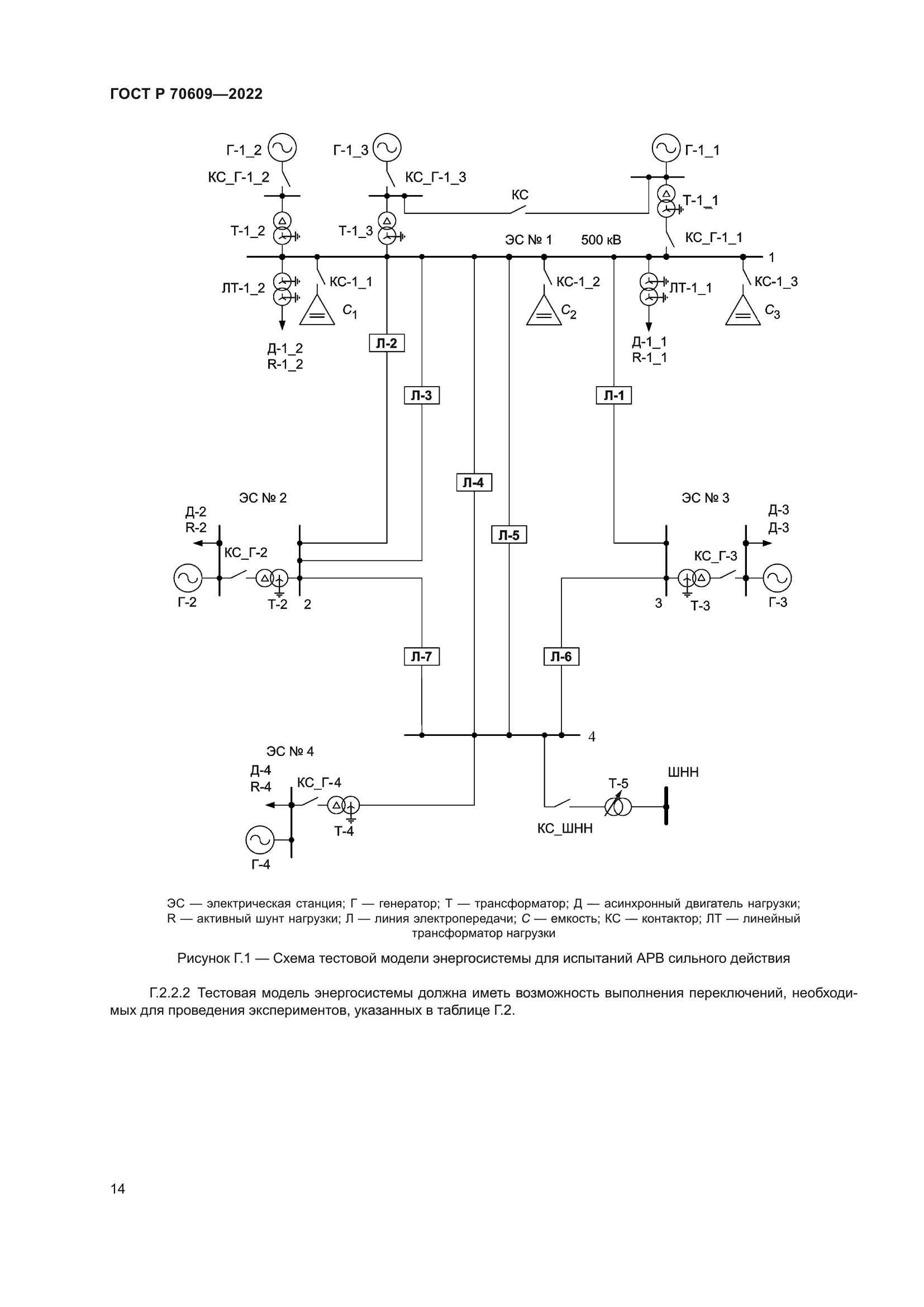
|