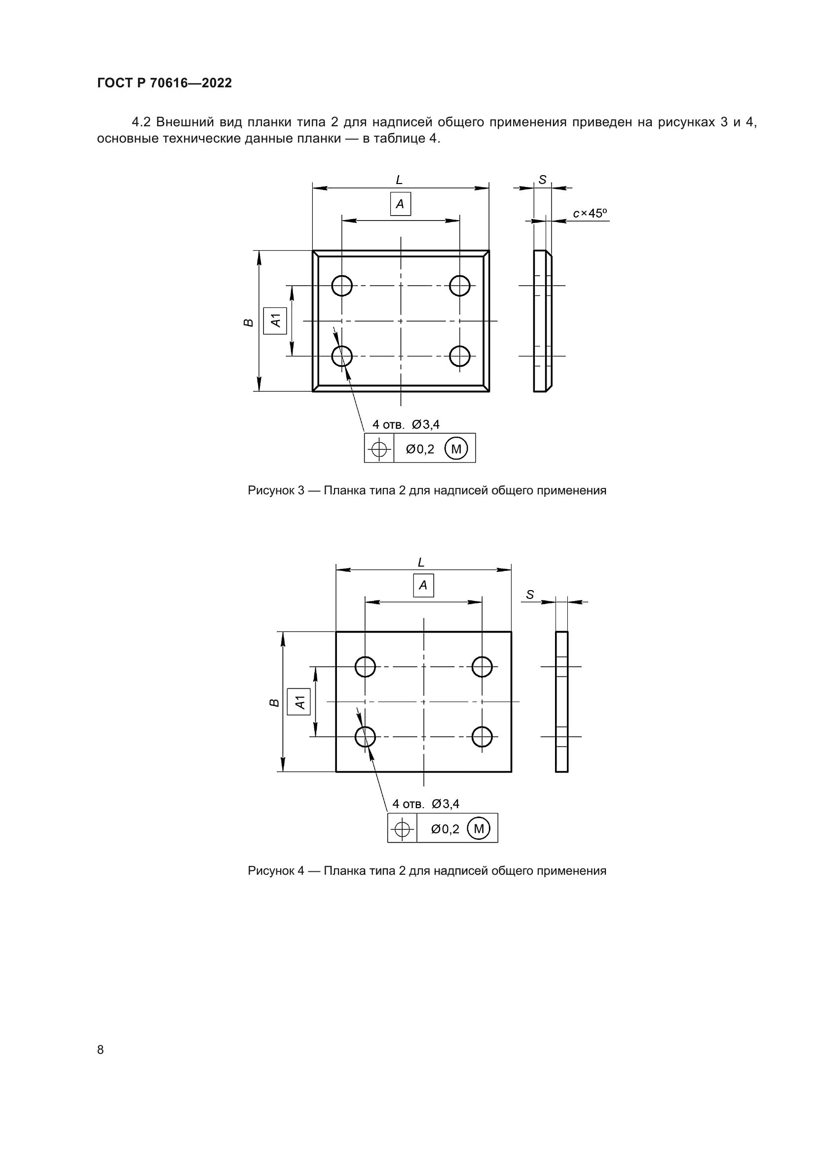
Скачать ГОСТ Р 70616-2022 Планки для надписей и маркировки судовых электрораспределительных устройств. Типы, основные размеры и технические требованияДата актуализации: 01.06.2025 ГОСТ Р 70616-2022
Планки для надписей и маркировки судовых электрораспределительных устройств. Типы, основные размеры и технические требования
| Обозначение: |  ГОСТ Р 70616-2022 |
| Статус: | действующий |
| Название рус.: | Планки для надписей и маркировки судовых электрораспределительных устройств. Типы, основные размеры и технические требования | | Название англ.: | Label strips and marking of ship electrical switchgear. Types, main dimensions and technical requirements | | Дата актуализации текста: | 01.07.2023 | | Дата актуализации описания: | 01.07.2023 | | Дата издания: | 25.01.2023 | | Дата введения: | 01.06.2023 | | Нормативные ссылки: | ГОСТ 8.051; ГОСТ 9.014; ГОСТ 9.303; ГОСТ 26.008; ГОСТ 2718; ГОСТ 2789; ГОСТ 4784; ГОСТ 6465; ГОСТ 15150; ГОСТ 15527; ГОСТ 21631; ГОСТ 23216; ГОСТ 23832; ГОСТ 25500; ГОСТ 30893.1 | | Область применения: | Настоящий стандарт устанавливает типы, основные размеры и технические требования на изготовление и крепление планок для надписей и маркировки электрораспределительных устройств, электрооборудования и электроустановочной аппаратуры, применяемых на кораблях, судах, плавсредствах и береговых сооружениях | |
                                          
|