| Обозначение: |  ГОСТ Р 70597-2022 |
| Статус: | действующий |
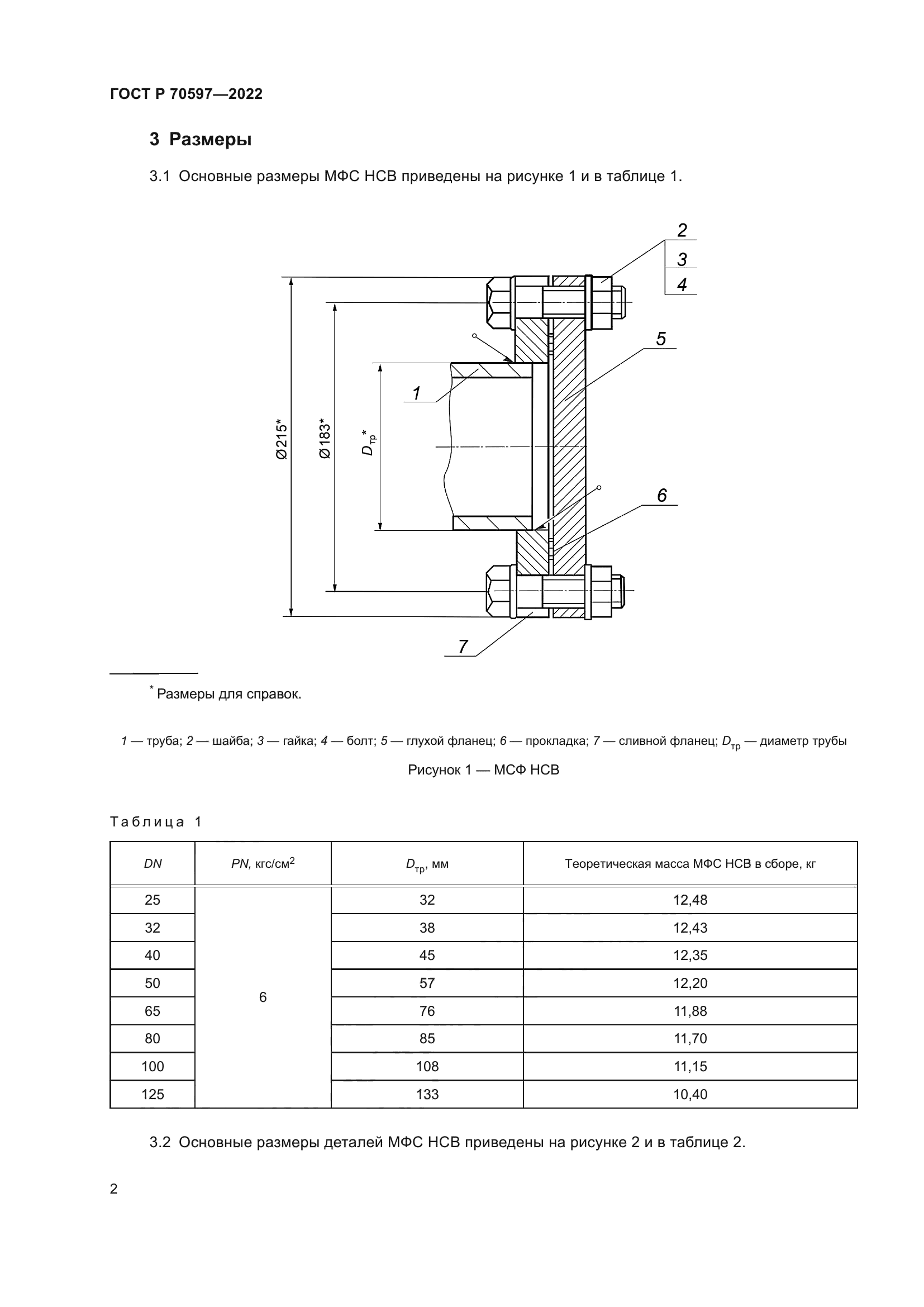
| Название рус.: | Суда морские. Соединение фланцевое международное для слива нефтесодержащих вод и нефтяных остатков. Размеры и технические требования |
| Название англ.: | Marine ships. International flange connection for the discharge of oily bilge water and oil residues. Dimensions and technical requirements |
| Дата актуализации текста: | 01.07.2023 |
| Дата актуализации описания: | 01.07.2023 |
| Дата издания: | 13.01.2023 |
| Дата введения: | 01.06.2023 |
| Нормативные ссылки: | ГОСТ 26.020; ГОСТ 1050; ГОСТ 8732; ГОСТ 8734; ГОСТ 10704; ГОСТ 11371;ГОСТ ISO 4032; ГОСТ Р ИСО 4014 |
| Область применения: | Настоящий стандарт устанавливает размеры и технические требования к конструкции международного фланцевого соединения (МФС) для слива нефтесодержащих вод (НСВ) и нефтяных остатков с морских судов на суда–сборщики загрязненных вод или в береговые сооружения (далее – МФС НСВ) |
|