| Обозначение: |  ГОСТ 25675-2022 |
| Статус: | действующий |
| Название рус.: | Разъемы высокого напряжения медицинских рентгеновских аппаратов. Типы и основные размеры |
| Название англ.: | High-voltage cable plug and socket connections for medical X-ray equipment. Types and basic sizes |
| Дата актуализации текста: | 01.01.2023 |
| Дата актуализации описания: | 01.07.2023 |
| Дата регистрации: | 22.11.2022 |
| Дата издания: | 07.12.2022 |
| Дата введения: | 01.07.2023 |
| Взамен: | ГОСТ 25675-83 |
| Аутентичен стандартам: | IEC 60526(1978) |
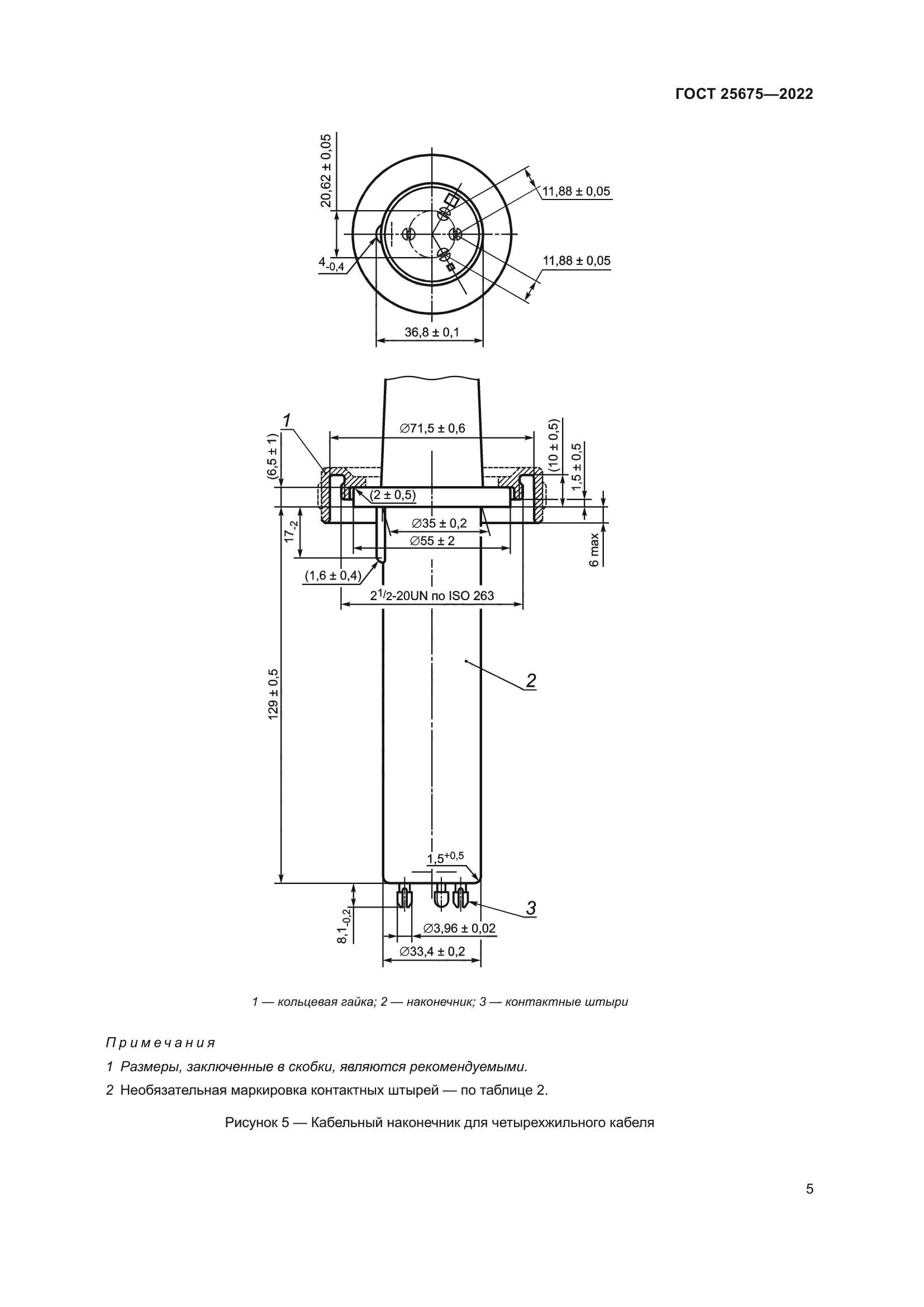
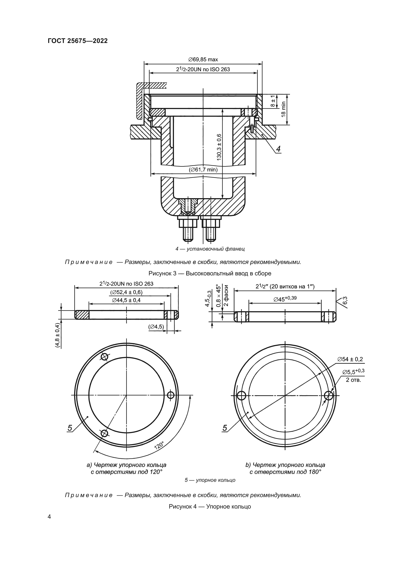
| Область применения: | Настоящий стандарт распространяется: - на основные размеры для обеспечения взаимозаменяемости; - рекомендуемые размеры; - схему соединений контактов кабельного наконечника и ввода; - маркировку контактов кабельного наконечника и вводапри использовании трехжильного и четырехжильного высоковольтных кабелей и разъемов в медицинских рентгеновских изделиях |
|