| Обозначение: |  ГОСТ Р 70436-2022 |
| Статус: | действующий |
| Название рус.: | Изделия медицинские. Метод испытания на совместимость наборов для трансфузии и контейнеров для крови |
| Название англ.: | Medical devices. Transfusion set and blood bag compatibility test method |
| Дата актуализации текста: | 01.01.2023 |
| Дата актуализации описания: | 01.01.2024 |
| Дата издания: | 03.11.2022 |
| Дата введения: | 01.10.2023 |
| Аутентичен стандартам: | ISO/ТS 23128:2019 |
| Нормативные ссылки: | ISO 1135-4;ISO 1135-5;ISO 3826-1;ISO 3826-3;ISO 3826-4 |
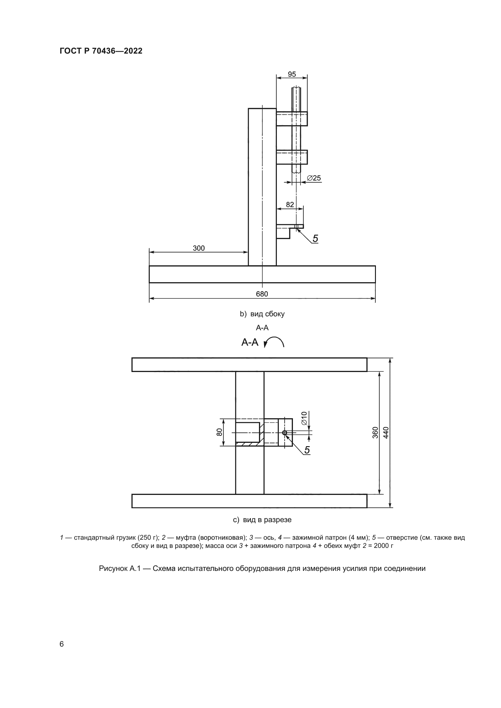
| Область применения: | Настоящий стандарт устанавливает необходимое оборудование, метод испытания, критерии приемки и рекомендуемые значения, чтобы помочь обеспечить совместимость (путем измерения усилия при соединении) полимерной иглы трансфузионного набора (обозначаемой в настоящем стандарте наименованием «шип») с выходным портом контейнера для крови. Совокупность процедур при испытании выходит за рамки стандартов, описывающих требования к трансфузионным наборам и контейнерам для крови. Настоящий стандарт был разработан для поддержки внедрения существующих стандартов на контейнеры для крови и трансфузионные наборы |
|