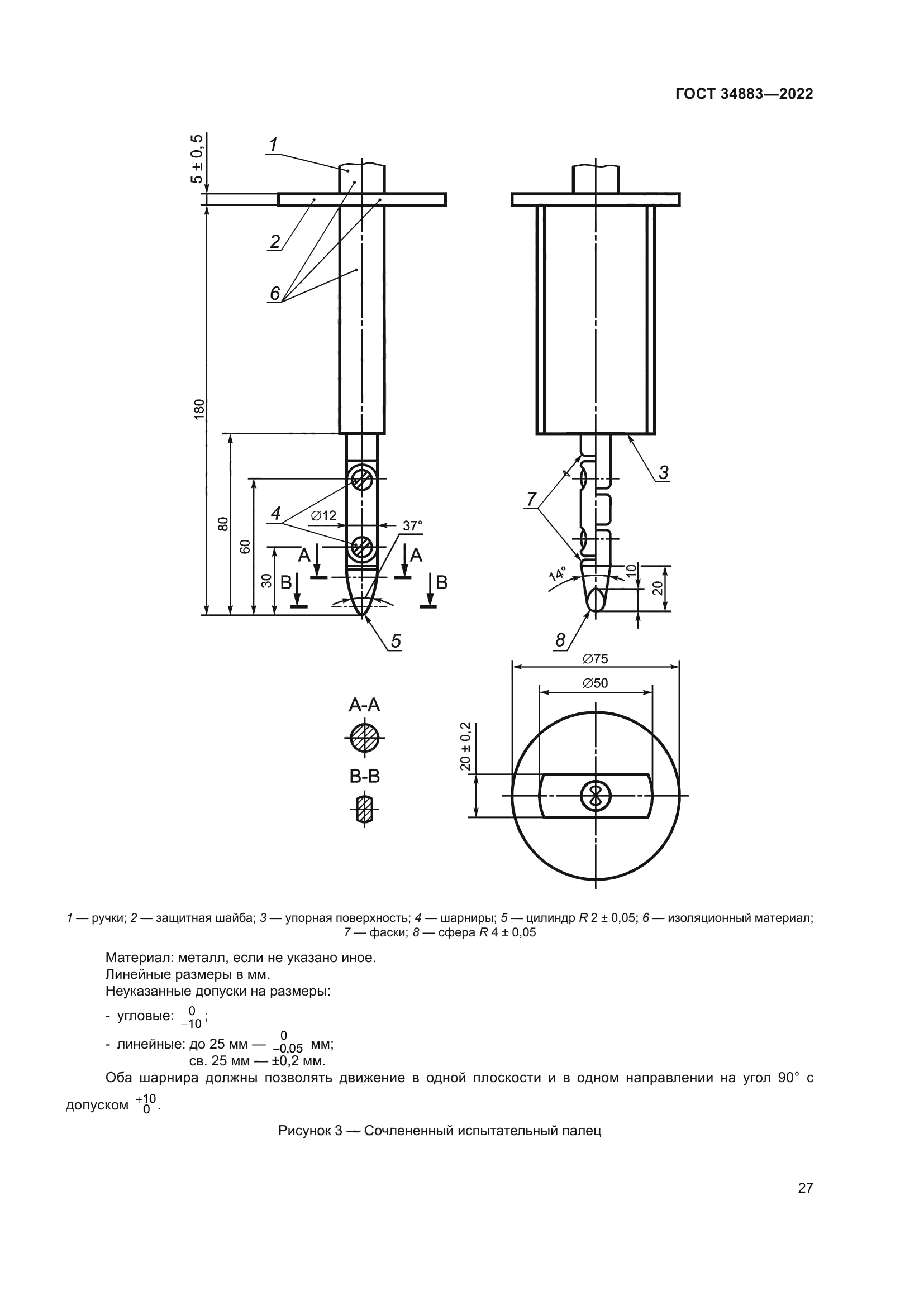
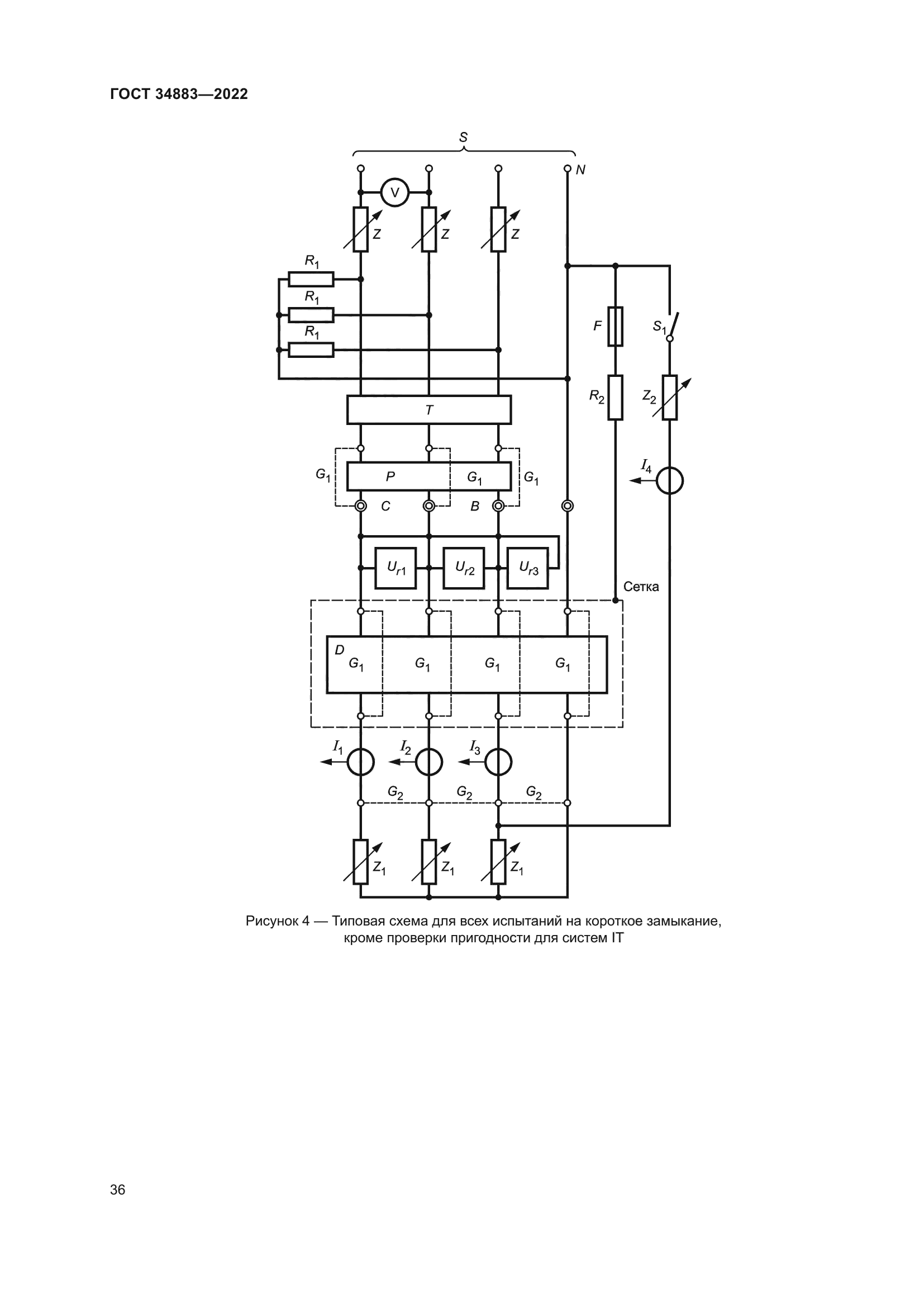
Скачать ГОСТ 34883-2022 Устройства защиты от повышенного напряжения промышленной частоты (УЗНПЧ) бытового и аналогичного назначенияДата актуализации: 01.06.2025 ГОСТ 34883-2022
Устройства защиты от повышенного напряжения промышленной частоты (УЗНПЧ) бытового и аналогичного назначения
| Обозначение: |  ГОСТ 34883-2022 |
| Статус: | действующий |
| Название рус.: | Устройства защиты от повышенного напряжения промышленной частоты (УЗНПЧ) бытового и аналогичного назначения | | Название англ.: | Power frequency overvoltage protective devices (POPs) for household and similar applications | | Дата актуализации текста: | 01.01.2023 | | Дата актуализации описания: | 01.07.2023 | | Дата регистрации: | 31.08.2022 | | Дата издания: | 10.10.2022 | | Дата введения: | 01.03.2023 | | Содержит требования: | IEC 63052(2019) | | Нормативные ссылки: | ГОСТ 2.755-87; ГОСТ 14254-2015; ГОСТ 25874-83; ГОСТ 26246.0; ГОСТ 30331 (все части); ГОСТ Р 50571; ГОСТ 30804.4.2;ГОСТ IEC 60065–2013;ГОСТ IEC 60269 (все части);ГОСТ IEC 60384-14;ГОСТ IEC 60664-3;ГОСТ IEC 60664-5;ГОСТ IEC 60695-2-11-2013;ГОСТ IEC 60898-1-2020;ГОСТ IEC 60898-2-2021;ГОСТ IEC 61000-4-3;ГОСТ IEC 61000-4-4;ГОСТ IEC 61000-4-5-2017;ГОСТ IEC 61000-6-3;ГОСТ IEC 61008-1-2020;ГОСТ IEC 61009-1-2020;ГОСТ IEC 61558-1;ГОСТ IEC 61558-2 (все части);ГОСТ IEC 62423;ГОСТ CISPR 14-1;ГОСТ CISPR 32-2015; ГОСТ Р 50571 | | Область применения: | Настоящий стандарт распространяется на устройства для защиты от перенапряжения промышленной частоты (УЗНПЧ) бытового и аналогичного применения с номинальной частотой 50; 60 Гц или 50/60 Гц, с номинальным напряжением, не превышающим 230 В переменного тока (между фазой и нейтралью) и с номинальным током не более 63 А, состоящие либо из функционального блока в сочетании с главным защитным устройством (ГЗУ), либо в виде единого устройства, имеющего средства размыкания, способные размыкать защищенную цепь в определенных условиях. В качестве ГЗУ может быть автоматический выключатель, выключатель дифференциального тока или автоматический выключатель дифференциального тока. УЗНПЧ предназначены для применения в окружающей среде со степенью загрязнения 2 и категорией перенапряжения III. Аппараты УЗНПЧ пригодны для разъединения. УЗНПЧ могут быть спроектированы как блок УЗНПЧ, собранный или интегрированный в ГЗУ производителем, или как сборка ГЗУ, механически или электрически связанного на месте с блоком УЗНПЧ, или как одно отдельное УЗНПЧ, имеющее средства отключения, способные разомкнуть защищаемую цепь в указанных условиях. УЗНПЧ предназначены для снижения последствий перенапряжений промышленной частоты между фазой и нейтралью (например, вызванного обрывом нейтрали в трехфазной цепи питания перед УЗНПЧ) для оборудования, расположенного за аппаратом, путем размыкания защищенной цепи при обнаружении повышения напряжения между фазами и нейтралью. УЗНПЧ, предназначенные для контроля одного напряжения на проводнике между фазой и нейтралью, могут использоваться между двухфазными проводниками в системе межфазного электроснабжения, не превышающего 230 В, если оба проводника включены и заявлены производителем как таковые. В соответствии с данным стандартом УЗНПЧ подходят для использования в IT-системе при условии, что все активные проводники включены. Требования настоящего стандарта не распространяются на защиту от синфазных перенапряжений, а также на устройства защиты от импульсных перенапряжений | |
                                                                                                
|