| Обозначение: |  ГОСТ IEC 62196-3-2018 |
| Статус: | заменён |
| Название рус.: | Вилки, штепсельные розетки, переносные розетки и вводы транспортных средств. Проводная зарядка электрических транспортных средств. Часть 3. Требования к совместимости и взаимозаменяемости размеров соединительных устройств постоянного тока и переменного/постоянного тока со штырями и контактными гнездами для транспортных средств |
| Название англ.: | Plugs, socket-outlets, vehicle connectors and vehicle inlets. Сonductive charging of electric vehicles. Part 3. Dimensional compatibility and interchangeability requirements for d.c. and a.c./d.c. pin and contact-tube vehicle couplers |
| Дата актуализации текста: | 01.12.2024 |
| Дата актуализации описания: | 01.06.2025 |
| Дата регистрации: | 20.07.2022 |
| Дата издания: | 02.08.2022 |
| Дата введения: | 01.01.2023 |
| Дата окончания срока действия: | 01.04.2025 |
| Заменяющий: | ГОСТ IEC 62196-3-2024 |
| Аутентичен стандартам: | IEC 62196-3(2014) |
| Нормативные ссылки: | ISO 1456;ISO 2081;ISO 2093;ISO 4521:2008;IEC 62196-1(2014);IEC 60068-2-14;IEC 60068-2-30;IEC 60112;IEC 60227 (all parts);IEC 60228(2004);IEC 60245-4;IEC 60269-1;IEC 60269-2;IEC 60309-4;IEC 60529(1989);IEC 60529(1989)/Amd.1(1999);IEC 60529(1989)/Amd.2(2013);IEC 60664-1(2020);IEC 60664-3;IEC 60695-2-11;IEC 60695-10-2;IEC 60947-3(2020);IEC 60947-5-1;IEC 61032(1997);IEC 61851-1(2017);IEC 61058-1(2016);IEC 61851-23;IEC 62196-2(2011);IEC 62196-3(2022) |
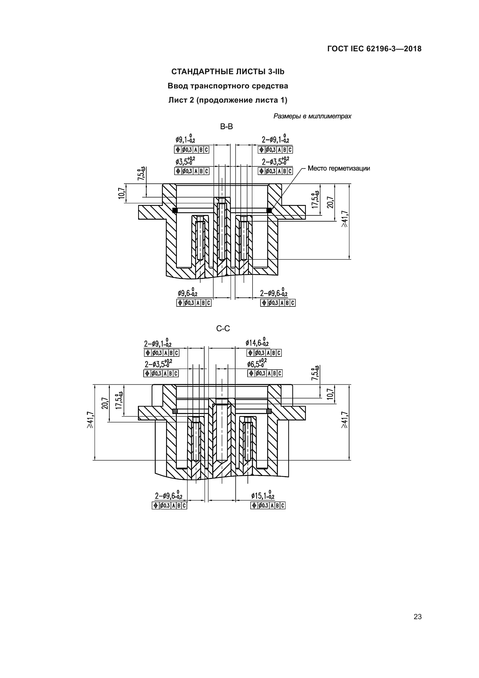
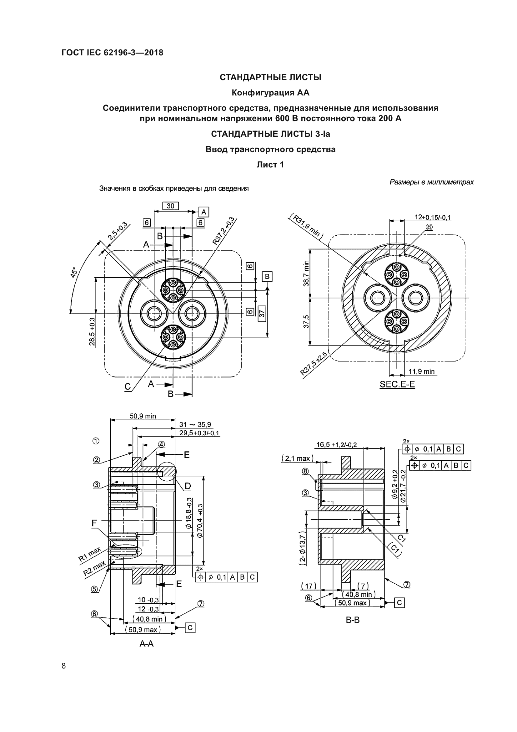
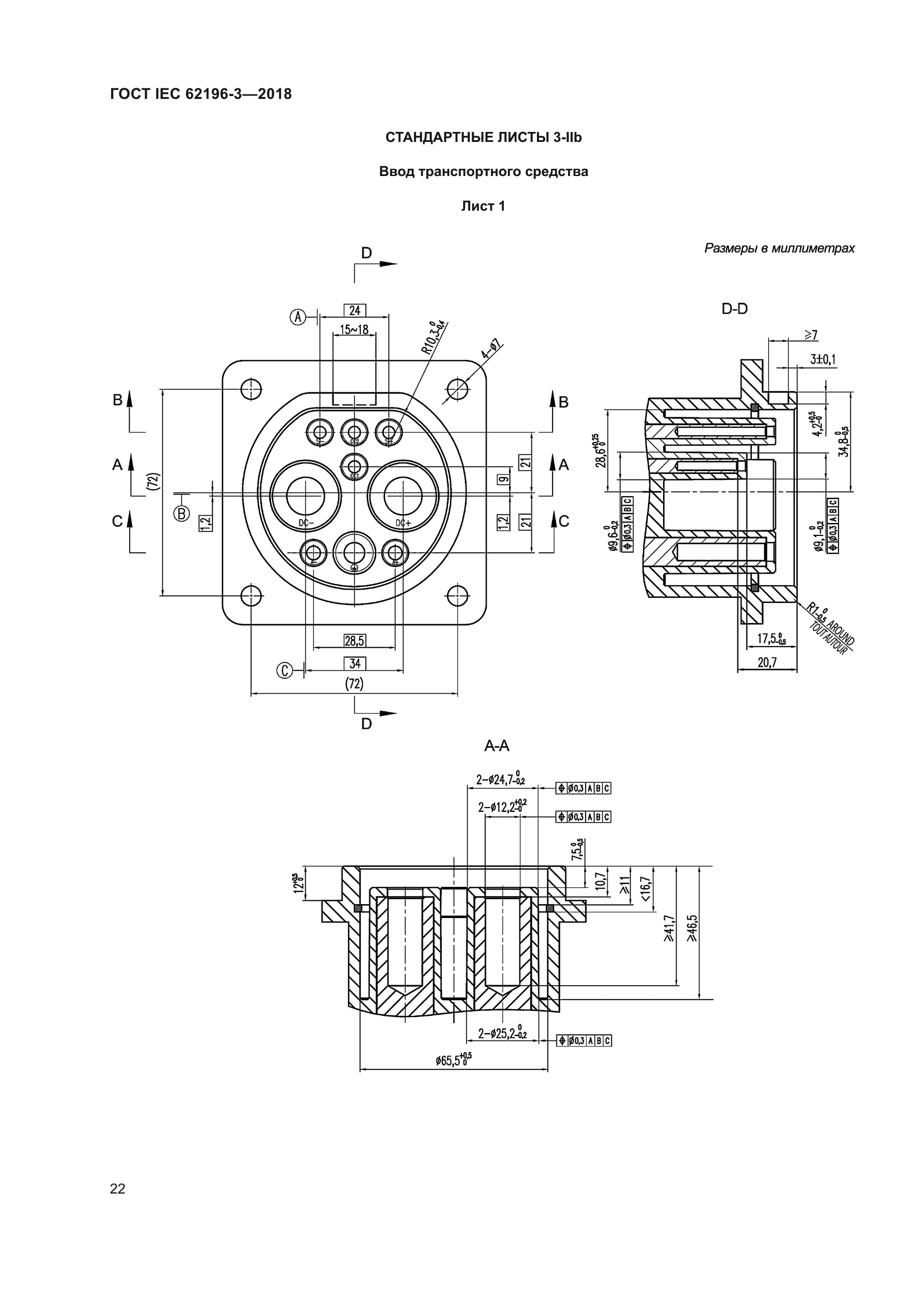
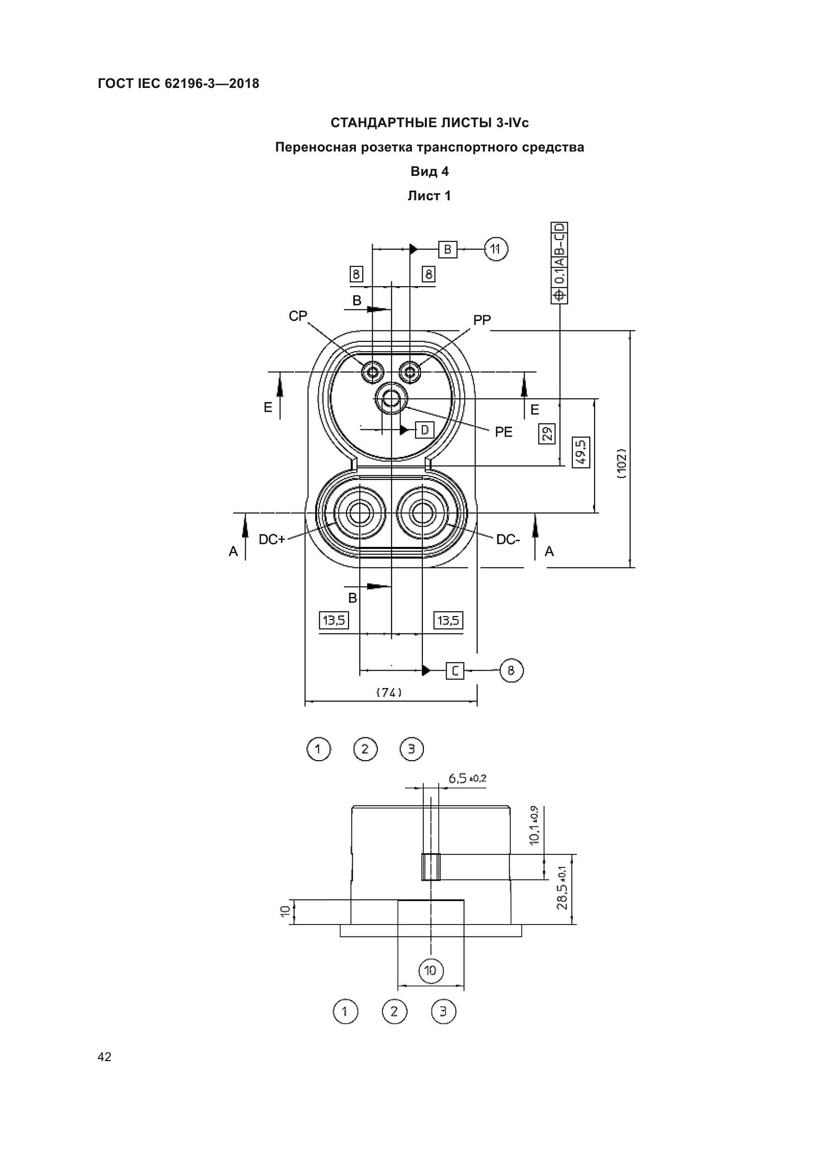
| Область применения: | Настоящий стандарт распространяется на соединители транспортных средств со штырями и контактными гнездами стандартизованных конфигураций (далее — принадлежности), предназначенные для использования в составе систем зарядки электрических транспортных средств со встроенными средствами управления, рассчитанные на номинальное рабочее напряжение не более 1 500 В постоянного тока с номинальным значением не более 250 А и 1 000 В переменного тока с номинальным значением не более 250 А |
| Приложение №1: | Поправка к ГОСТ IEC 62196-3-2018 |
|