| Обозначение: |  ГОСТ Р 59933-2021 |
| Статус: | действующий |
| Название рус.: | Формы стальные для изготовления железобетонных изделий. Борта. Конструкция и размеры |
| Название англ.: | Steel moulds for precasting reinforced concrete products. Sides. Design and dimensions |
| Дата актуализации текста: | 01.06.2022 |
| Дата актуализации описания: | 01.07.2023 |
| Дата издания: | 20.12.2021 |
| Дата введения: | 01.01.2022 |
| Нормативные ссылки: | ГОСТ 8.064; ГОСТ 9.303; ГОСТ 380; ГОСТ 1050; ГОСТ 2789; ГОСТ 4640; ГОСТ 5264; ГОСТ 9012; ГОСТ 9484; ГОСТ 9562; ГОСТ 9573; ГОСТ 11534; ГОСТ 14771; ГОСТ 15150; ГОСТ 23518; ГОСТ 25346; ГОСТ 25781; ГОСТ 25878; ГОСТ Р 58890 |
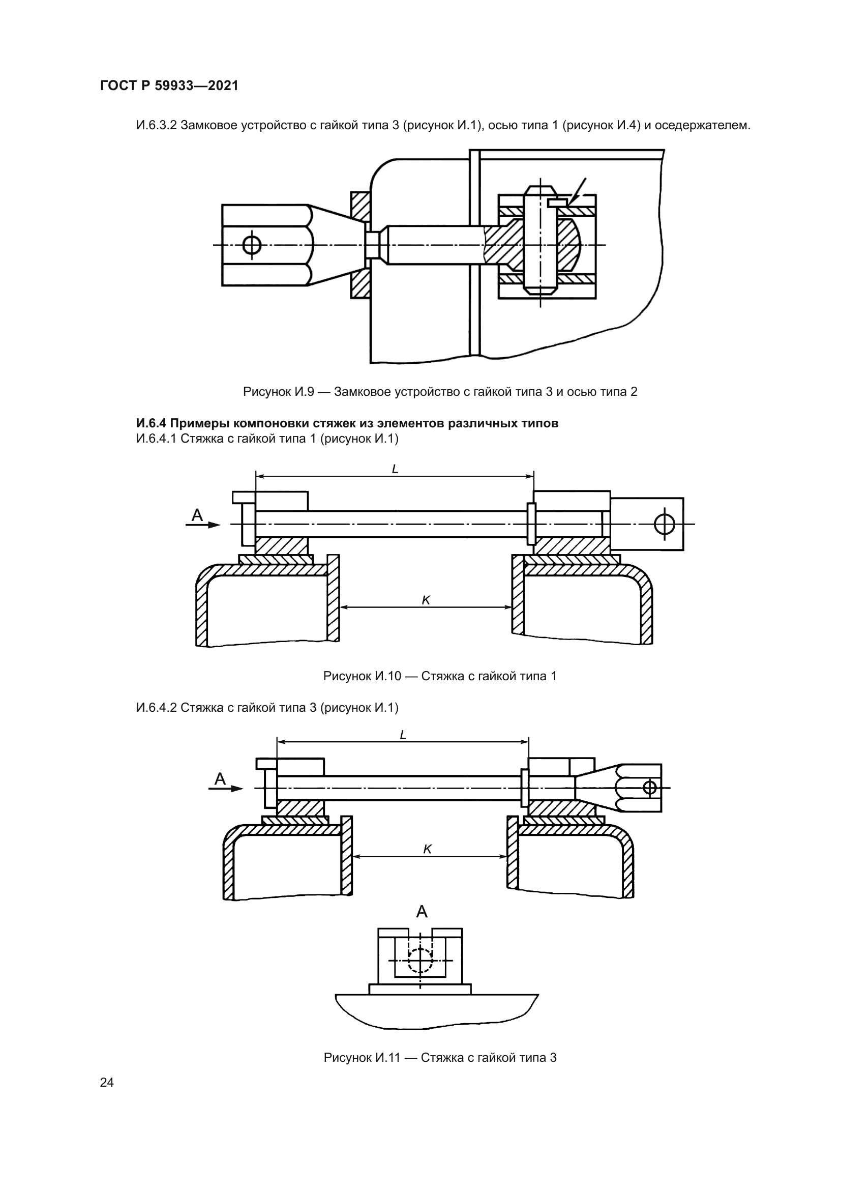
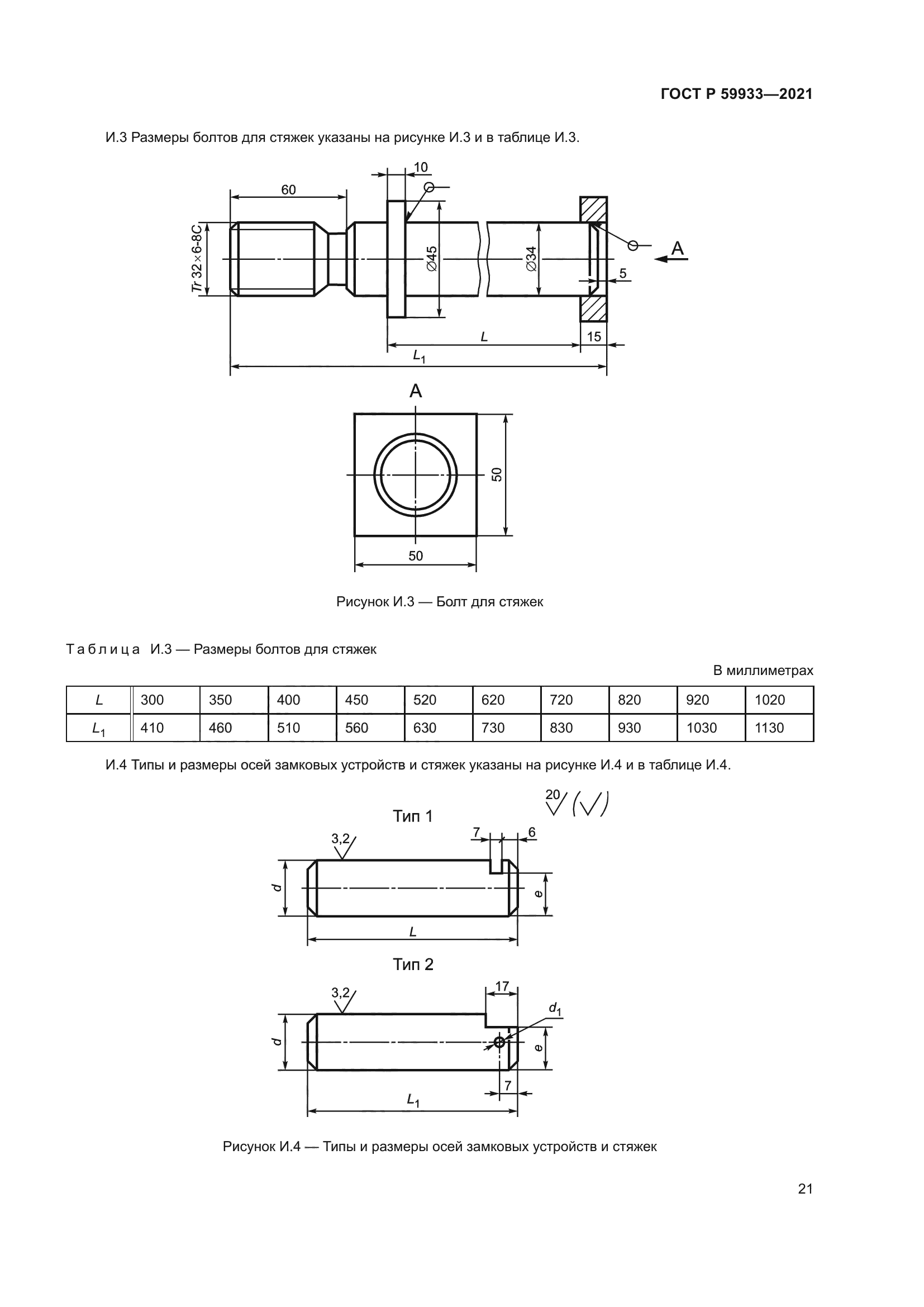
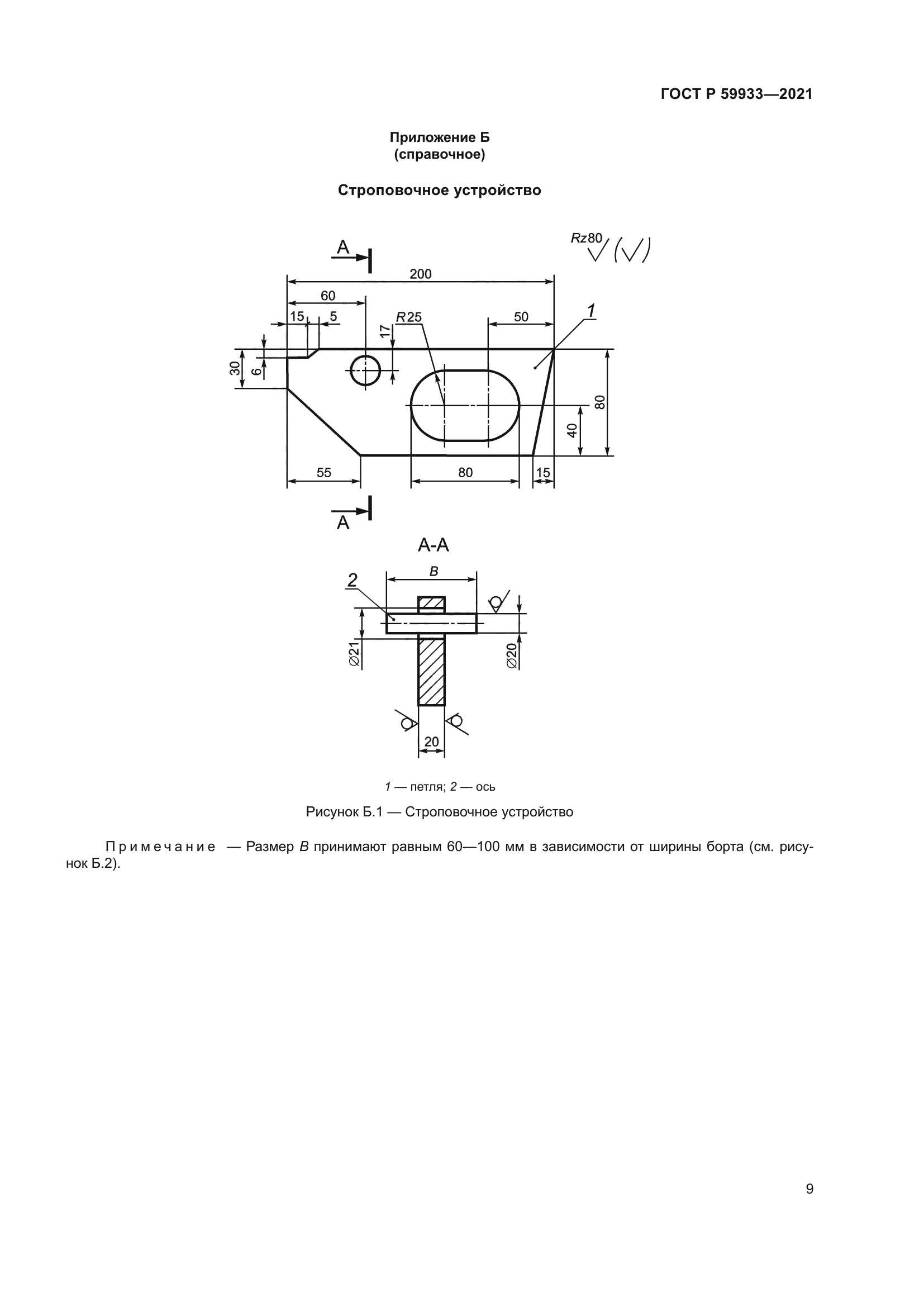
| Область применения: | Настоящий стандарт распространяется на откидные борта стальных форм для изготовления железобетонных изделий и элементы их крепления к форме и устанавливает требования к конструкции и размерам основных сборочных единиц и деталей стандартизуемых элементов. Стандарт не распространяется на борта, воспринимающие усилия натяжения арматуры при изготовлении предварительно напряженных железобетонных изделий |
|