| Обозначение: |  ГОСТ Р 59567-2021 |
| Статус: | действующий |
| Название рус.: | Палатки. Требования пожарной безопасности. Методы испытаний на воспламеняемость |
| Название англ.: | Tents. Fire safety requirements. Flammability test methods |
| Дата актуализации текста: | 01.06.2022 |
| Дата актуализации описания: | 01.07.2023 |
| Дата издания: | 24.06.2021 |
| Дата введения: | 01.11.2021 |
| Нормативные ссылки: | ГОСТ 12.1.005; ГОСТ 12.1.019; ГОСТ 12.1.044; ГОСТ 166; ГОСТ 427-75; ГОСТ 1381-73; ГОСТ 18124-2012 |
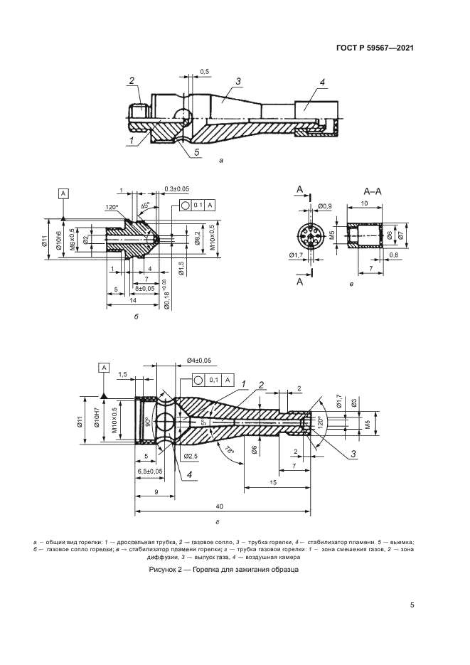
| Область применения: | Настоящий стандарт устанавливает методы определения воспламеняемости от малокалорийных источников зажигания (газовая горелка эквивалентная пламени спички, таблетка из технического уротропина) текстильных и полимерных материалов для палаток, а также требования пожарной безопасности к указанным материалам. Настоящий стандарт распространяется на палатки для детских лагерей палаточного типа. |
|