| Обозначение: |  ГОСТ IEC 62752-2021 |
| Статус: | действующий |
| Название рус.: | Кабельный блок управления и защиты для зарядки электромобилей в режиме 2 (IC-CPD) |
| Название англ.: | In-cable control and protection device for mode 2 charging of electric road vehicles (IC-CPD) |
| Дата актуализации текста: | 01.01.2022 |
| Дата актуализации описания: | 01.07.2023 |
| Дата регистрации: | 22.10.2021 |
| Дата издания: | 22.11.2021 |
| Дата введения: | 01.03.2022 |
| Аутентичен стандартам: | IEC 62752(2018) |
| Нормативные ссылки: | ISO 178;ISO 179 (all parts);ISO 179-1;ISO 2409;ISO 4892-2:2013;ISO 16750-5:2010;ISO 17409:2015;IEC 60065;IEC 60068-2-1;IEC 60068-2-5;IEC 60068-2-11;IEC 60068-2-27;IEC 60068-2-30;IEC 60068-2-31;IEC 60068-2-64;IEC 60068-3-4;IEC 60112;IEC 60227 (all parts);IEC 60245 (all parts);IEC 60309 (all parts);IEC 60309-1(1999);IEC 60309-1(1999)/Amd.1(2005);IEC 60309-1(1999)/Amd.2(2012);IEC 60309-2;IEC 60364-4-44(2007);IEC 60384-14 (all parts);IEC 60417;IEC 60529(1989);IEC 60664-1(2007);IEC 60664-3;IEC 60695-2-10;IEC 60695-2-11;IEC 60884-1(2002)/Amd.1(2006);IEC 60884-1(2002)/Amd.2(2013);IEC 61249-2 (all parts);IEC TS 61439-7(2014);IEC 61540;IEC 61543(1995);IEC 61543(1995)/Amd.1(2004);IEC 61543(1995)/Amd.2(2005);IEC 61851-1:2017;IEC 62196 (all parts);IEC 62196-1;IEC 62196-2;CISPR 14 (all parts);CISPR 14-1 |
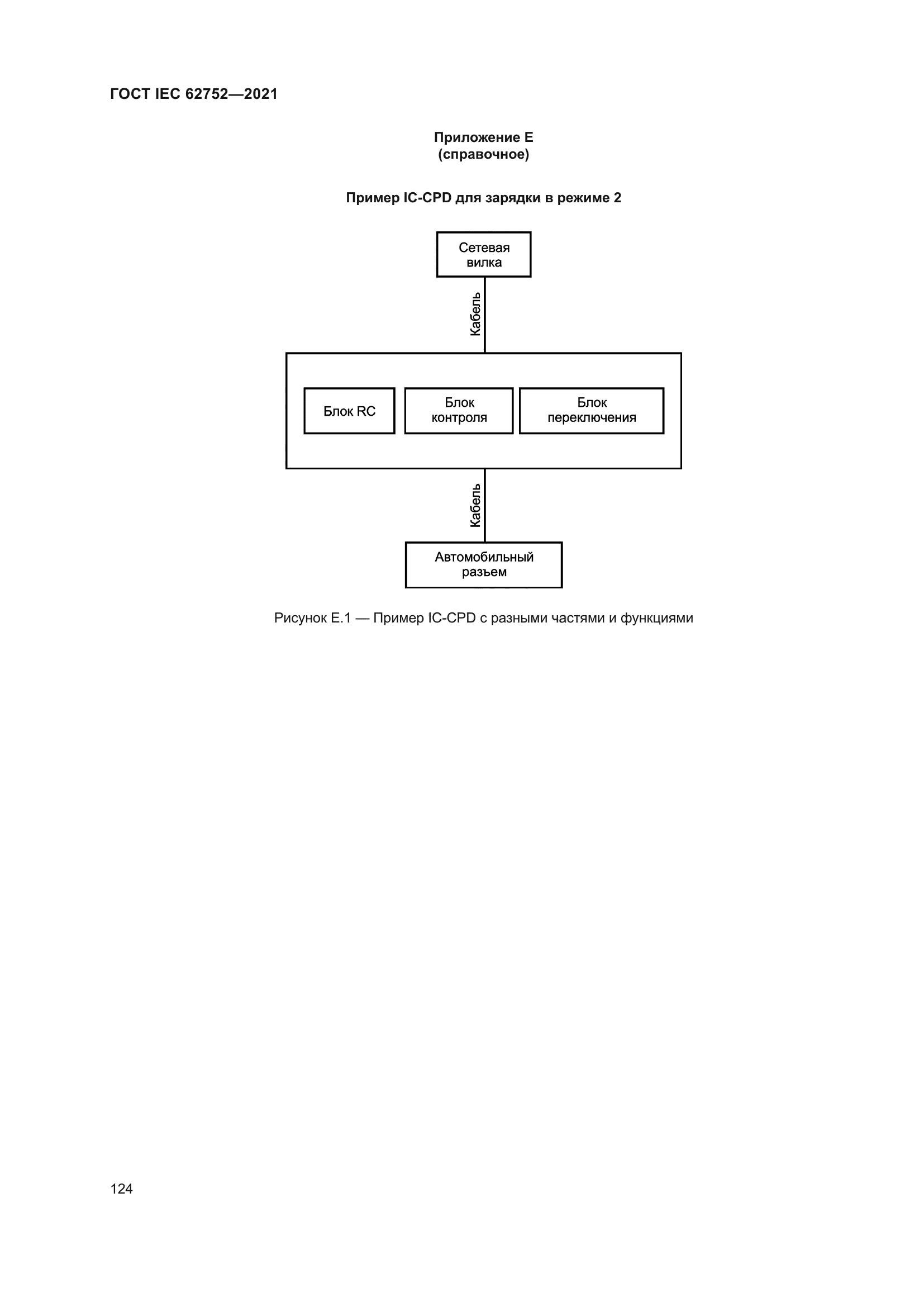
| Область применения: | Настоящий стандарт распространяется на кабельные устройства управления и защиты (IC-CPD) для зарядки электрических дорожных транспортных средств в режиме 2, далее именуемые IC-CPD, в том числе устройства управления и безопасности. Настоящий стандарт распространяется на портативные устройства, одновременно выполняющие функции обнаружения дифференциального тока, сравнения значения данного тока с отключающим дифференциальным током и размыкания защищенной цепи, когда дифференциальный ток превышает это значение |
|