Скачать ГОСТ ISO 22967-2015 Горелки газовые с принудительной тягой. Технические условияДата актуализации: 01.06.2025 ГОСТ ISO 22967-2015
Горелки газовые с принудительной тягой. Технические условия
| Обозначение: |  ГОСТ ISO 22967-2015 |
| Статус: | действующий |
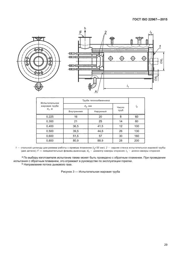
| Название рус.: | Горелки газовые с принудительной тягой. Технические условия | | Название англ.: | Forced draught gas burners. Specifications | | Дата актуализации текста: | 01.01.2022 | | Дата актуализации описания: | 01.07.2023 | | Дата регистрации: | 29.09.2015 | | Дата издания: | 28.09.2021 | | Дата введения: | 01.03.2022 | | Аутентичен стандартам: | ISO 22967:2010 | | Нормативные ссылки: | ISO 7-1;ISO 228-1;ISO 1129;ISO 3183;ISO 7005-1:2011;ISO 7005-2:1988;ISO 7005-3:1988;ISO 9329-1;ISO 9330-1;ISO 22968;ISO 23551-1;ISO 23551-2;ISO 23551-3;ISO 23551-4;ISO 23552-1;IEC 60335-1(2001);IEC 60335-2-102(2004);IEC 60529;IEC 60730-2-5(2004);IEC 60730-2-6;IEC 60947-5-1;IEC 61810-1 | | Область применения: | Настоящий стандарт устанавливает терминологию, методы испытаний, общие требования к конструкции и функционированию автоматических газовых горелок с принудительной подачей воздуха, их оснащению устройствами управления и безопасности. Настоящий стандарт распространяется: a) на автоматические газовые горелки (далее – горелки) с вентилятором для подачи воздуха на горение, оснащенные в соответствии с разделом 4 настоящего стандарта, предназначенные для применения в устройствах различных типов и работающие на топливных газах; b) горелки с полным предварительным смешением и горелки со смесительными соплами; c) единичные горелки с одной камерой сгорания, на которые, при установке их на единичные устройства, также распространяются требования стандарта соответствующего устройства; d) однотопливные и двухтопливные горелки, работающие только на газе; e) газовую часть двухтопливных горелок, предназначенных для одновременной работы на газообразном и жидком топливах; требования к жидкотопливной части по ISO 22968 | |
                                                                       
|