| Обозначение: |  ГОСТ Р 59174-2020 |
| Статус: | действующий |
| Название рус.: | Ракетно-космическая техника. Система отработки технологических процессов создания изделий. Основные положения |
| Название англ.: | Aerospace technology. System for manufacturing processes creation of aerospace product engineering. Basic principles |
| Дата актуализации текста: | 01.01.2022 |
| Дата актуализации описания: | 01.01.2022 |
| Дата издания: | 26.11.2020 |
| Дата введения: | 01.04.2021 |
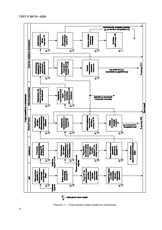
| Область применения: | Настоящий стандарт устанавливает основные положения, определяющие организацию, правила и методы отработки технологических процессов изготовления изделий на стадиях: - опытно-конструкторских работ; - опытно-технологических работ; - постановки продукции на производство; - при серийном производстве, в случае необходимости внесения изменений. В развитие данного стандарта (или отдельных его положений) могут быть разработаны стандарты организаций с учетом специфики производств конкретных изделий |
|