| Обозначение: |  ГОСТ Р 59028-2020 |
| Статус: | действующий |
| Название рус.: | Передача электроэнергии постоянным током высокого напряжения. Преобразователи напряжения. Термины и определения |
| Название англ.: | High-voltage direct current transmission. Voltage-sourced converters. Terms and definitions |
| Дата актуализации текста: | 01.06.2021 |
| Дата актуализации описания: | 01.07.2023 |
| Дата издания: | 09.12.2020 |
| Дата введения: | 01.01.2021 |
| Содержит требования: | IEC 62747(2019) |
| Нормативные ссылки: | ГОСТ Р 59027; ГОСТ Р МЭК 60617-DB-12M |
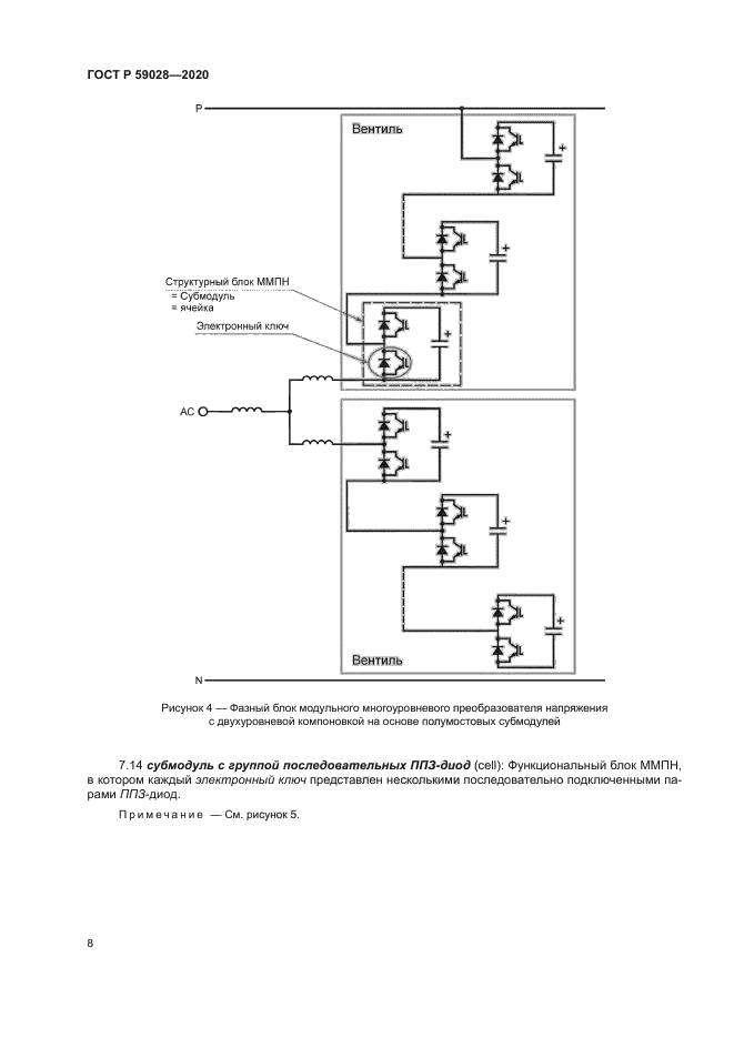
| Область применения: | Настоящий стандарт устанавливает термины и определения понятий, относящихся к системам передачи электроэнергии постоянного тока высокого напряжения (далее – ПТВН) и преобразовательным подстанциям ПТВН на основе самокоммутирующихся преобразователей напряжения. Настоящий стандарт распространяется на преобразователи напряжения на основе биполярных транзисторов с изолированным затвором, однако также может использоваться и для полупроводниковых устройств другого типа, которые могут запираться и отпираться посредством управляющего действия. Настоящий стандарт не распространяется на преобразователи с линейной коммутацией (преобразователи тока) для систем передачи электроэнергии ПТВН |
|