| Обозначение: |  ГОСТ Р 58952.6-2020 |
| Статус: | действующий |
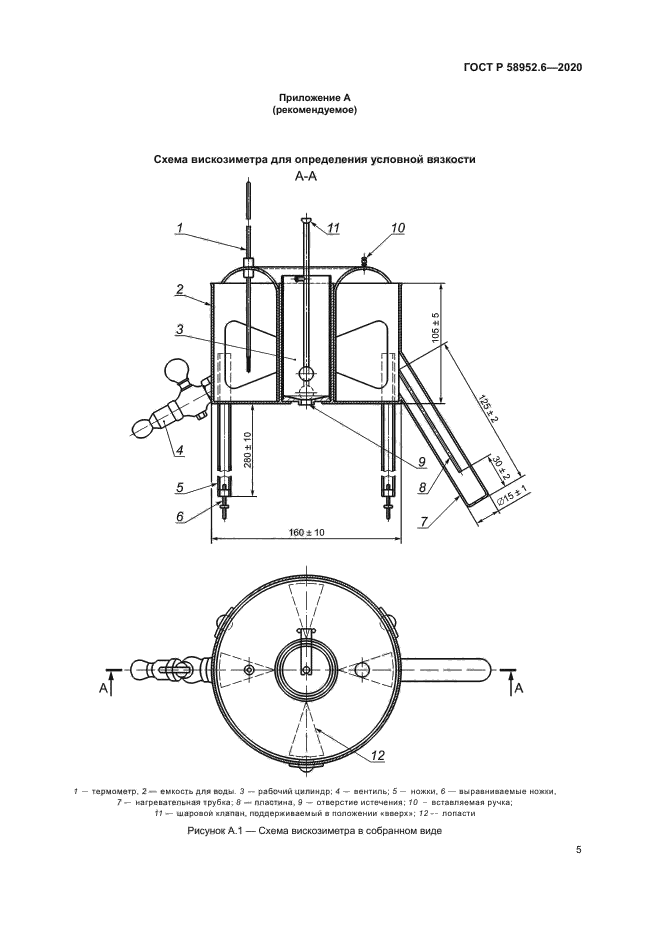
| Название рус.: | Дороги автомобильные общего пользования. Эмульсии битумные дорожные. Метод определения условной вязкости |
| Название англ.: | Automobile roads of general use. Road bituminous emulsions. Method for determination of apparent viscosity |
| Дата актуализации текста: | 01.06.2021 |
| Дата актуализации описания: | 01.07.2023 |
| Дата издания: | 04.12.2020 |
| Дата введения: | 01.12.2020 |
| Взамен: | ГОСТ Р 55421-2013 |
| Нормативные ссылки: | ГОСТ 12.1.004; ГОСТ 12.1.005; ГОСТ 12.1.007; ГОСТ 12.1.014; ГОСТ 12.1.044; ГОСТ 12.4.011; ГОСТ 12.4.103; ГОСТ 12.4.131; ГОСТ 12.4.132; ГОСТ 1770; ГОСТ 6613; ГОСТ 28546; ГОСТ Р 58400.1; ГОСТ Р 58952.1-2020 |
| Область применения: | Настоящий стандарт распространяется на дорожные битумные эмульсии, в том числе дорожные битумно-полимерные эмульсии (далее – эмульсии), применяемые в качестве вяжущих материалов при строительстве, реконструкции, капитальном ремонте, ремонте (текущем ремонте) и содержании автомобильных дорог, и устанавливает метод определения условной вязкости |
|