| Обозначение: |  ГОСТ 34695.21-2-2020 |
| Статус: | действующий |
| Название рус.: | Система зарядки электрических транспортных средств проводная. Часть 21-2. Требования для проводного соединения с источником питания переменного или постоянного тока. Требования электромагнитной совместимости для внешних зарядных систем |
| Название англ.: | Electric vehicle conductive charging system. Part 21-2. Requirements for conductive connection to an AC/DC supply. EMC requirements for off board charging systems |
| Дата актуализации текста: | 01.06.2021 |
| Дата актуализации описания: | 01.07.2023 |
| Дата регистрации: | 30.10.2020 |
| Дата издания: | 15.12.2020 |
| Дата введения: | 01.06.2021 |
| Содержит требования: | IEC 61851-21-2(2018) |
| Нормативные ссылки: | ГОСТ 29322; ГОСТ 30804.3.11; ГОСТ 30804.4.2; ГОСТ 30804.4.11; ГОСТ 30804.6.1; ГОСТ 30804.6.2;ГОСТ IEC 61000-3-2;ГОСТ IEC 61000-3-3;ГОСТ IEC 61000-3-12;ГОСТ IEC 61000-4-3;ГОСТ IEC 61000-4-4;ГОСТ IEC 61000-4-5;ГОСТ IEC 61000-4-8;ГОСТ IEC 61000-4-34;ГОСТ IEC 61000-6-3;ГОСТ IEC 61000-6-4;ГОСТ IEC 61851-1;ГОСТ IEC 61851-23-2017;ГОСТ CISPR 16-1-2-2016;ГОСТ CISPR 16-1-4-2013;ГОСТ CISPR 32-2015; ГОСТ Р МЭК 61851-1-2013 |
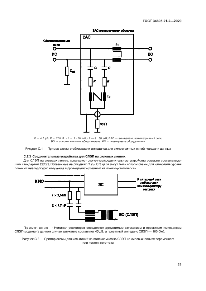
| Область применения: | Настоящий стандарт устанавливает требования к электромагнитной совместимости к любым внешним компонентам, оборудованию или системам, использующимся для питания или зарядки электромобилей электроэнергией посредством электропроводной передачи энергии с номинальным входным напряжением до 1000 В переменного тока или 1500 В постоянного тока и выходным напряжением до 1000 В переменного тока или 1500 В постоянного тока в соответствии с ГОСТ 29322. Настоящий стандарт устанавливает требования к внешнему зарядному оборудованию для режимов зарядки 1-4 зарядки (см. ГОСТ IEC 61851-1). Кабели, в которых нет электроники или нет электрического/электронного переключения, считаются пассивными и соответствующими требованиям по излучению и помехоустойчивости, приведенным в настоящем стандарте, без проведения испытаний |
|